Соединение 1 + 2
Метрическая наружная резьба, цилиндрическая
Форма уплотнения 1 + 2
Внутренний конус 24°
Ход контакта
0°; 90°
Температура min.
-20 °C
Температура макс.
60 °C
Материал
Корпус, шар и переключающий вал из стали
Кольцо круглого сечения из нитрильного каучука
Шаровое уплотнение из полиамида
Защита поверхности
Гальваническое покрытие
| Наименование | Соединительная резьба | LW mm |
DN* | Серия | Для наружного Ø трубы mm |
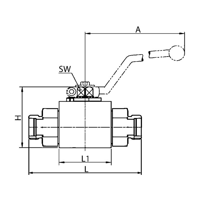
A mm |
L mm |
L1 mm |
B mm |
H mm |
H1 mm |
H2 mm |
Рабочее давление, бар | SW mm |
SF* |
|---|---|---|---|---|---|---|---|---|---|---|---|---|---|---|---|
| BKHL 04 VZ | M 12x1,5 | 5 | 4 | L | 6 | 107 | 67 | 36.2 | 26 | 43.4 | 32 | 12.8 | PN 500 | 9 | 1.5 |
| BKHL 06 VZ | M 14x1,5 | 6 | 6 | L | 8 | 107 | 67 | 36.2 | 26 | 43.4 | 32 | 12.8 | PN 500 | 9 | 1.5 |
| BKHL 08 VZ | M 16x1,5 | 8 | 8 | L | 10 | 107 | 71 | 36.2 | 26 | 43.4 | 32 | 12.8 | PN 500 | 9 | 1.5 |
| BKHL 10 VZ | M 18x1,5 | 10 | 10 | L | 12 | 107 | 75 | 43.2 | 32 | 49.2 | 38 | 16.25 | PN 500 | 9 | 1.5 |
| BKHL 13 VZ | M 22x1,5 | 13 | 12 | L | 15 | 107 | 84 | 48.2 | 35 | 51.2 | 40 | 17.25 | PN 500 | 9 | 1.5 |
| BKHL 16 VZ | M 26x1,5 | 13 | 16 | L | 18 | 165 | 83 | 48.2 | 38 | 61.9 | 46 | 17.25 | PN 500 | 12 | 1.5 |
| BKHL 20 VZ | M 30x2 | 20 | 19 | L | 22 | 165 | 102 | 62.2 | 49 | 73.4 | 57 | 24.5 | PN 400 | 14 | 1.5 |
| BKHL 25 VZ | M 36x2 | 24 | 25 | L | 28 | 165 | 108 | 66.2 | 54 | 76.6 | 60 | 26.5 | PN 350 | 14 | 1.5 |
| BKHL 32 VZ | M 45x2 | 24 | 31 | L | 35 | 165 | 114 | 66.2 | 54 | 76.6 | 60 | 26.5 | PN 350 | 14 | 1.5 |
| BKHL 40 VZ | M 52x2 | 24 | 38 | L | 42 | 165 | 114 | 66.2 | 54 | 76.6 | 60 | 26.5 | PN 350 | 14 | 1.5 |
| BKHS 04 VZ | M 16x1,5 | 5 | 4 | S | 8 | 107 | 73 | 36.2 | 26 | 43.4 | 32 | 12.8 | PN 500 | 9 | 1.5 |
| BKHS 06 VZ | M 18x1,5 | 6 | 6 | S | 10 | 107 | 73 | 36.2 | 26 | 43.4 | 32 | 12.8 | PN 500 | 9 | 1.5 |
| BKHS 08 VZ | M 20x1,5 | 8 | 8 | S | 12 | 107 | 77 | 36.2 | 26 | 43.4 | 32 | 12.8 | PN 500 | 9 | 1.5 |
| BKHS 10 VZ | M 22x1,5 | 10 | 10 | S | 14 | 107 | 84 | 43.2 | 32 | 49.2 | 38 | 16.25 | PN 500 | 9 | 1.5 |
| BKHS 13 VZ | M 24x1,5 | 13 | 12 | S | 16 | 107 | 87 | 48.2 | 35 | 51.2 | 40 | 17.25 | PN 500 | 9 | 1.5 |
| BKHS 16 VZ | M 30x2 | 15 | 16 | S | 20 | 165 | 90 | 48.2 | 38 | 61.9 | 46 | 17.25 | PN 500 | 12 | 1.5 |
| BKHS 20 VZ | M 36x2 | 20 | 19 | S | 25 | 165 | 110 | 62.2 | 49 | 73.4 | 57 | 24.5 | PN 400 | 14 | 1.5 |
| BKHS 25 VZ | M 42x2 | 24 | 25 | S | 30 | 165 | 120 | 66.2 | 54 | 76.6 | 60 | 26.5 | PN 350 | 14 | 1.5 |
| BKHS 32 VZ | M 52x2 | 24 | 31 | S | 38 | 165 | 125 | 66.2 | 54 | 76.6 | 60 | 26.5 | PN 350 | 14 | 1.5 |
Безналичный расчёт
Предоплата
Новая Почта
Самовывоз
Интайм
Гюнсел