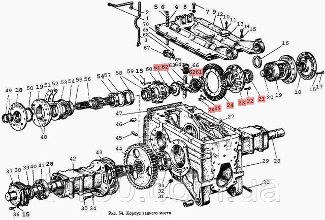
Дифференциал заднего моста МТЗ-80/82, в сборе, 85-2403020

| № | Код | Наименование |
| 1 | 36-1310139 | Шарик |
| 2 | 85-2401080 | Рычаг |
| 3 | 85-2401050 | Стойка |
| 4 | 50-2401019-Б | Валик управления |
| 5 | 020-025-30-1-4 | Кольцо |
| 6 | 50-2401031 | Шайба |
| 7 | М20х60 | Болт |
| 8 | ШП20 | Шайба |
| 9 | 85-2401024 | Крышка |
| 10 | М10х25 | Болт |
| 11 | ШП10 | Шайба |
| 12 | 85-2401026 | Крышка |
| 13 | 85-4616031 | Прокладка |
| 14 | М12х40 | Болт |
| 15 | ШП12 | Шайба |
| 16 | 85-2407043 | Кольцо |
| 17 | М12х35 | Болт |
| 18 | 50-2407059-А | Крышка стакана |
| 19 | 50Х-2407042 | Стакан подшипников |
| 20 | 70-2407053-05 | Шестерня |
| 21 | 7515-А | Подшипник |
| 22 | 50-1702092 | Болт призонный М12х42 |
| 23 | 85-2403018 | Корпус |
| 24 | 50-2403021-Б | Шестерня ведомая главной передачи 6 |
| 25 | 50-2403023 | Пластина стопорная |
| 26 | М12 | Гайка |
| 27 | Д01-015 | Штифт установочный |
| 28 | 85-2047082 | Полуось |
| 29 | 50-2401015-1 | Корпус |
| 30 | 50-2401028 | Шпилька |
| 31 | 80-2401032 | Втулка |
| 32 | ПСМ1,1/4" | Пробка магнитная |
| 33 | 314 | Подшипник |
| 34 | ШП16 | Шайба |
| 35 | М16х30 | Болт |
| 36 | М12х30 | Болт |
| 37 | 50-2407028-А | Крышка |
| 38 | 50-2407029 | Прокладка |
| 39 | 2-80х105-1 | Манжета |
| 40 | В85 | Кольцо |
| 41 | 217КБ | Подшипник |
| 42 | 50-2407018-А | Рукав полуоси |
| 43 | 50-2407031-Б | Прокладка |
| 44 | 50-2407122-02 | Шестерня ведомая |
| 45 | 50-4605027 | Штифт |
| 46 | 36-3502037-А | Втулка |
| 47 | 50-2401016-Б | Прокладка |
| 48 | 50-1601352 | Штифт |
| 49 | 2-50х70-1 | Манжета |
| 50 | 104-110-40-1-4 | Кольцо |
| 51 | 50-2407056 | Прокладка (0,5 мм) |
| 52 | 50-2407057 | Прокладка (0,2 мм) |
| 53 | 160-165-36-1-4 | Кольцо |
| 54 | 6-42212КМ | Подшипник |
| 55 | 035-040-30-1-4 | Кольцо |
| 56 | 70-2407053-04 | Шестерня |
| 57 | 50-2407043 | Кольцо упорное |
| 58 | 7215НК1 | Подшипник |
| 59 | 50-2403034 | Болт |
| 60 | 85-2403019 | Крышка |
| 61 | 50-2403049-Б | Шайба опорная |
| 62 | 50-2403048 | Шестерня полуосевая |
| 63 | 50-2403062-А2 | Крестовина |
| 64 | 85-2403057 | Сателлит |
| 65 | 85-2403025 | Шайба опорная |
| 66 | 85-2403056 | Втулка |
| 67 | 50-2401020 | Поводок |
| 68 | 36-1702110 | Винт установочный |
| 69 | 1,6х200 | Проволока |
| 70 | КЛТ-75Т | Прокладка |
Онлайн оплата
Безналичный расчёт
Наличный расчёт
Наложенный платеж
Предоплата
Новая Почта(отделение)
Новая Почта(курьер)
САТ
Деливери
Самовывоз
Повернення і обмін
Відповідно до закону України «про захист прав споживачів» ви можете протягом 14 днів з моменту покупки повернути або обміняти товар, придбаний в магазині, за умови виконання всіх норм передбачених законом. Умови обміну / повернення товару належної якості стаття 9. Відповідно до закону України «про захист прав споживачів»: споживач має право обміняти непродовольчий товар належної якості на аналогічний у продавця, у якого він був придбаний, якщо товар не задовольнив його за формою, габаритами, фасоном, кольором, розміром або з інших причин не може бути ним використаний за призначенням. Споживач має право на обмін товару належної якості протягом чотирнадцяти днів, не рахуючи дня покупки. споживач (термін вживається в такому значенні згідно статті 1. п.22 закону України «про захист прав споживачів») – фізична особа, яка купує, замовляє, використовує або має намір придбати чи замовити продукцію для особистих потреб, не пов’язаних з підприємницькою діяльністю або виконанням обов’язків найманого працівника. обмін або повернення товару належної якості провадиться: якщо не використовувався; якщо збережено його товарний вигляд, споживчі властивості, пломби, ярлики; на підставі розрахунковий документ, виданий споживачеві разом з проданим товаром. умови обміну / повернення товару неналежної якості стаття 8. Згідно із законом України «про захист прав споживачів»: в разі виявлення протягом встановленого гарантійного строку недоліків споживач, в порядку та в строки, встановлені законодавством, має право вимагати безоплатного усунення недоліків товару в розумний строк. вимоги споживача, передбачених цією статтею, не підлягають задоволенню, якщо продавець, виробник (підприємство, що задовольняє вимоги споживача, встановлені частиною першою цієї статті) доведуть, що недоліки товару виникли внаслідок порушення споживачем правил користування товаром або його зберігання. Споживач має право брати участь у перевірці якості товару особисто або через свого представника.