Крышка рукава полуоси МТЗ-80/82, 50-2407028

№ Номер Наименование
70 КЛТ-75Т Прокладка
69 1,6х200 Проволока
68 36-1702110 Винт
установочный
67 50-2401020 Поводок
66 85-2403056 Втулка
65 85-2403025 Шайба опорная
64 85-2403057 Сателлит
63 50-2403062-А2 Крестовина
62 50-2403048 Шестерня
полуосевая
61 50-2403049-Б Шайба
опорная
60 85-2403019 Крышка
59 50-2403034 Болт
58 7215НК1 Подшипник
57 50-2407043 Кольцо
упорное
56 70-2407053-04 Шестерня
55 035-040-30-1-4 Кольцо
54 6-42212КМ Подшипник
53 160-165-36-1-4 Кольцо
52 50-2407057 Прокладка (0,2
мм)
51 50-2407056 Прокладка (0,5
мм)
50 104-110-40-1-4 Кольцо
49 2-50х70-1 Манжета
48 50-1601352 Штифт
47 50-2401016-Б Прокладка
46 36-3502037-А Втулка
45 50-4605027 Штифт
44 50-2407122-02 Шестерня
ведомая
43 50-2407031-Б Прокладка
42 50-2407018-А Рукав
полуоси
41 217КБ Подшипник
40 В85 Кольцо
39 2-80х105-1 Манжета
38 50-2407029 Прокладка
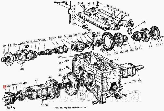
37 50-2407028-А
Крышка
36 М12х30 Болт
35 М16х50 Болт
34 ШП16 Шайба
33 314 Подшипник
32 ПСМ1,1/4" Пробка
магнитная
31 80-2401032 Втулка
30 50-2401028 Шпилька
29 50-2401015-1 Корпус
28 85-2047082 Полуось
27 Д01-015 Штифт
установочный
26 М12 Гайка
25 50-2403023 Пластина
стопорная
24 50-2403021-Б Шестерня
ведомая главной передачи (в запасные части поставляется только в
комплекте 50-2403014-А)
23 85-2403018 Корпус
22 50-1702092 Болт призонный
М12х42
21 7515-А Подшипник
20 70-2407053-05 Шестерня
19 50Х-2407042 Стакан
подшипников
18 50-2407059-А Крышка
стакана
17 М12х35 Болт
16 85-2407043 Кольцо
15 ШП12 Шайба
14 М12х40 Болт
13 85-4616031 Прокладка
12 85-2401026 Крышка
11 ШП10 Шайба
10 М10х25 Болт
9 85-2401024 Крышка
8 ШП20 Шайба
7 М20х60 Болт
6 50-2401031 Шайба
5 020-025-30-1-4 Кольцо
4 50-2401019-Б Валик
управления
3 85-2401050 Стойка
2 85-2401080 Рычаг
1 36-1310139 Шарик
Онлайн оплата
Безналичный расчёт
Наличный расчёт
Наложенный платеж
Предоплата
Новая Почта(отделение)
Новая Почта(курьер)
САТ
Деливери
Самовывоз
Повернення і обмін
Відповідно до закону України «про захист прав споживачів» ви можете протягом 14 днів з моменту покупки повернути або обміняти товар, придбаний в магазині, за умови виконання всіх норм передбачених законом. Умови обміну / повернення товару належної якості стаття 9. Відповідно до закону України «про захист прав споживачів»: споживач має право обміняти непродовольчий товар належної якості на аналогічний у продавця, у якого він був придбаний, якщо товар не задовольнив його за формою, габаритами, фасоном, кольором, розміром або з інших причин не може бути ним використаний за призначенням. Споживач має право на обмін товару належної якості протягом чотирнадцяти днів, не рахуючи дня покупки. споживач (термін вживається в такому значенні згідно статті 1. п.22 закону України «про захист прав споживачів») – фізична особа, яка купує, замовляє, використовує або має намір придбати чи замовити продукцію для особистих потреб, не пов’язаних з підприємницькою діяльністю або виконанням обов’язків найманого працівника. обмін або повернення товару належної якості провадиться: якщо не використовувався; якщо збережено його товарний вигляд, споживчі властивості, пломби, ярлики; на підставі розрахунковий документ, виданий споживачеві разом з проданим товаром. умови обміну / повернення товару неналежної якості стаття 8. Згідно із законом України «про захист прав споживачів»: в разі виявлення протягом встановленого гарантійного строку недоліків споживач, в порядку та в строки, встановлені законодавством, має право вимагати безоплатного усунення недоліків товару в розумний строк. вимоги споживача, передбачених цією статтею, не підлягають задоволенню, якщо продавець, виробник (підприємство, що задовольняє вимоги споживача, встановлені частиною першою цієї статті) доведуть, що недоліки товару виникли внаслідок порушення споживачем правил користування товаром або його зберігання. Споживач має право брати участь у перевірці якості товару особисто або через свого представника.