_____
DIN 3901/3902
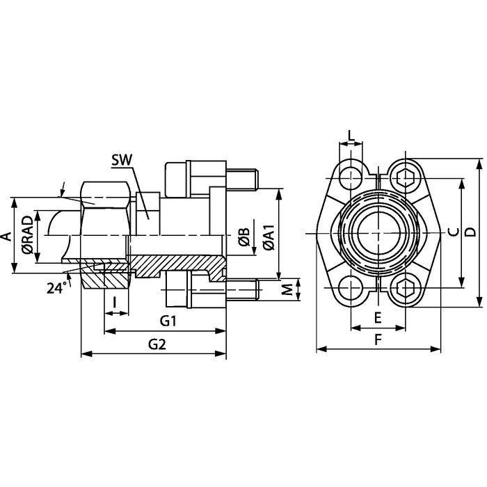
Конструкция
прямые
Модель
Фланец с наружной резьбой SAE
Комплект поставки
С 2 полуфланцами, комплектом винтов, кольцом круглого сечения, гайкой и режущим кольцом
Материал
S355J2G3 (C22)
Защита поверхности
Гальваническое покрытие
| Наименование | _____ | Серия давления | Ø RAD mm |
Серия | PB 10.9 bar |
Типоразмер | A | A1 mm |
Ø B mm |
C mm |
D mm |
E mm |
F mm |
G1 mm |
G2 mm |
I mm |
L mm |
M unc | SW mm |
Сноска для L |
|---|---|---|---|---|---|---|---|---|---|---|---|---|---|---|---|---|---|---|---|---|
| SFCE 3001 L 15 U | DIN 3901/3902 | 3000 PSI | 15 | L | 315 | 1/2" | M 22 x 1.5 | 30.2 | 1620 | 38.1 | 54 | 17.5 | 45.6 | 48.2 | 56 | 7.0 | 8.7 | 5/16" x 1.1/4" | 24 | - |
| SFCE 3002 L 18 U | DIN 3901/3902 | 3000 PSI | 18 | L | 315 | 3/4" | M 26 x 1,5 | 38.1 | 1520 | 47.6 | 65 | 22.2 | 51.8 | 53.2 | 62 | 7.5 | 10.7 | 3/8" x 1.1/2" | 30 | - |
| SFCE 3002 L 22 U | DIN 3901/3902 | 3000 PSI | 22 | L | 160 | 3/4" | M 30 x 2 | 38.1 | 19 | 47.6 | 65 | 22.2 | 51.8 | 53.2 | 62 | 7.5 | 10.7 | 3/8" x 1.1/2" | 30 | - |
| SFCE 3002 L 28 U | DIN 3901/3902 | 3000 PSI | 28 | L | 160 | 3/4" | M 36 x 2 | 38.1 | 19 | 47.6 | 65 | 22.2 | 51.8 | 53.2 | 62 | 7.5 | 10.7 | 3/8" x 1.1/2" | 30 | - |
| SFCE 3003 L 28 U | DIN 3901/3902 | 3000 PSI | 28 | L | 160 | 1" | M 36 x 2 | 44.4 | 24 | 52.4 | 70 | 26.2 | 58.4 | 54.2 | 65 | 7.5 | 10.7 | 3/8" x 1.1/2" | 36 | - |
| SFCE 3004 L 28 U | DIN 3901/3902 | 3000 PSI | 28 | L | 160 | 1.1/4" | M 36 x 2 | 50.8 | 22 | 58.7 | 79 | 30.2 | 72.6 | 58.6 | 67 | 7.5 | 13.0 | 7/16" x 1.1/2" | 36 | - |
| SFCE 3004 L 35 U | DIN 3901/3902 | 3000 PSI | 35 | L | 160 | 1.1/4" | M 45 x 2 | 50.8 | 3032 | 58.7 | 79 | 30.2 | 72.6 | 58.2 | 69 | 10.5 | 13.0 | 7/16" x 1.1/2" | 41 | - |
| SFCE 3005 L 42 U | - | 3000 PSI | 42 | L | 160 | 1.1/2" | M 52 x 2 | 60.3 | 36 | 69.9 | 94 | 35.7 | 82.2 | 64.2 | 76 | 11.0 | 13.5 | 1/2" x 1.1/2" | 46 | - |
| SFCE 3001 S 16 U | DIN 3901/3902 | 3000 PSI | 16 | S | 350 | 1/2" | M 24 x 1.5 | 30.2 | 13 | 38.1 | 54 | 17.5 | 45.6 | 50.2 | 60 | 8.5 | 8.7 | 5/16" x 1.1/4" | 24 | - |
| SFCE 3002 S 20 U | DIN 3901/3902 | 3000 PSI | 20 | S | 350 | 3/4" | M 30 x 2 | 38.1 | 1620 | 47.6 | 65 | 22.2 | 51.8 | 57.2 | 68 | 10.5 | 10.7 | 3/8" x 1.1/2" | 30 | - |
| SFCE 3002 S 25 U | DIN 3901/3902 | 3000 PSI | 25 | S | 350 | 3/4" | M 36 x 2 | 38.1 | 17 | 47.6 | 65 | 22.2 | 51.8 | 57.2 | 69 | 12.0 | 10.7 | 3/8" x 1.1/2" | 30 | - |
| SFCE 3003 S 25 U | DIN 3901/3902 | 3000 PSI | 25 | S | 315 | 1" | M 36 x 2 | 44.4 | 20 | 52.4 | 70 | 26.2 | 58.4 | 58.2 | 70 | 12.0 | 10.7 | 3/8" x 1.1/2" | 36 | - |
| SFCE 3003 S 30 U | DIN 3901/3902 | 3000 PSI | 30 | S | 315 | 1" | M 42 x 2 | 44.4 | 24 | 52.4 | 70 | 26.2 | 58.4 | 63.2 | 76 | 13.5 | 10.7 | 3/8" x 1.1/2" | 36 | - |
| SFCE 3004 S 25 U | DIN 3901/3902 | 3000 PSI | 25 | S | 250 | 1.1/4" | M 36 x 2 | 50.8 | 2027 | 58.7 | 79 | 30.2 | 72.6 | 60.2 | 72 | 12.0 | 13.0 | 7/16" x 1.1/2" | 41 | - |
| SFCE 3004 S 30 U | DIN 3901/3902 | 3000 PSI | 30 | S | 250 | 1.1/4" | M 42 x 2 | 50.8 | 2528 | 58.7 | 79 | 30.2 | 72.6 | 62.2 | 75 | 13.5 | 13.0 | 7/16" x 1.1/2" | 41 | - |
| SFCE 3004 S 38 U | DIN 3901/3902 | 3000 PSI | 38 | S | 250 | 1.1/4" | M 52 x 2 | 50.8 | 28 | 58.7 | 79 | 30.2 | 72.6 | 66.6 | 81 | 16.0 | 13.0 | 7/16" x 1.1/2" | 46 | - |
| SFCE 3005 S 38 U | - | 3000 PSI | 38 | S | 200 | 1.1/2" | M 52 x 2 | 60.3 | 32 | 69.9 | 94 | 35.7 | 82.2 | 70.2 | 85 | 16.0 | 13.5 | 1/2" x 1.1/2" | 46 | - |
| SFCE 6001 S 16 U | DIN 3901/3902 | 6000 PSI | 16 | S | 400 | 1/2" | M 24 x 1.5 | 31.7 | 12 | 40.5 | 56 | 18.2 | 47.2 | 53.2 | 63 | 8.5 | 8.5 | 5/16" x 1.1/4" | 24 | - |
| SFCE 6002 S 16 U | DIN 3901/3902 | 6000 PSI | 16 | S | 400 | 3/4" | M 24 x 1.5 | 41.3 | 12 | 50.8 | 71 | 23.8 | 60.0 | 59.2 | 69 | 8.5 | 10.5 | 3/8" x 1.1/2" | 30 | - |
| SFCE 6002 S 20 U | DIN 3901/3902 | 6000 PSI | 20 | S | 400 | 3/4" | M 30 x 2 | 41.3 | 16 | 50.8 | 71 | 23.8 | 60.0 | 61.2 | 72 | 10.5 | 10.5 | 3/8" x 1.1/2" | 30 | - |
| SFCE 6002 S 25 U | DIN 3901/3902 | 6000 PSI | 25 | S | 400 | 3/4" | M 36 x 2 | 41.3 | 17 | 50.8 | 71 | 23.8 | 60.0 | 63.2 | 75 | 12.0 | 10.5 | 3/8" x 1.1/2" | 30 | - |
| SFCE 6002 S 30 U | DIN 3901/3902 | 6000 PSI | 30 | S | 400 | 3/4" | M 42 x 2 | 41.3 | 18 | 50.8 | 71 | 23.8 | 60.0 | 64.0 | 77 | 13.5 | 10.5 | 3/8" x 1.1/2" | 36 | - |
| SFCE 6003 S 25 U | DIN 3901/3902 | 6000 PSI | 25 | S | 400 | 1" | M 36 x 2 | 47.6 | 20 | 57.2 | 81 | 27.8 | 69.6 | 72.2 | 84 | 12.0 | - | 7/16" x 1.3/4" | 41 | = по выбору 12,0 или 12,5 |
| SFCE 6003 S 30 U | DIN 3901/3902 | 6000 PSI | 30 | S | 400 | 1" | M 42 x 2 | 47.6 | 24 | 57.2 | 81 | 27.8 | 69.6 | 74.0 | 87 | 13.5 | - | 7/16" x 1.3/4" | 41 | = по выбору 12,0 или 12,5 |
| SFCE 6004 S 30 U | DIN 3901/3902 | 6000 PSI | 30 | S | 400 | 1.1/4" | M 42 x 2 | 54.0 | 2530 | 66.7 | 95 | 31.8 | 77.2 | 79.2 | 92 | 13.5 | - | 1/2" x 1.3/4" | 41 | = по выбору 13,5 или 14,5 |
| SFCE 6004 S 38 U | DIN 3901/3902 | 6000 PSI | 38 | S | 350 | 1.1/4" | M 52 x 2 | 54.0 | 30 | 66.7 | 95 | 31.8 | 77.2 | 83.2 | 98 | 16.0 | - | 1/2" x 1.3/4" | 46 | = по выбору 13,5 или 14,5 |
| SFCE 6005 S 38 U | DIN 3901/3902 | 6000 PSI | 38 | S | 350 | 1.1/2" | M 52 x 2 | 63.5 | 30 | 79.4 | 113 | 36.5 | 95.0 | 89.2 | 104 | 16.0 | 16.7 | 1/2" x 1.3/4" | 46 | - |
Безналичный расчёт
Предоплата
Новая Почта
Самовывоз
Интайм
Гюнсел