_____
SAE J 518 C
ISO 6162
Конструкция
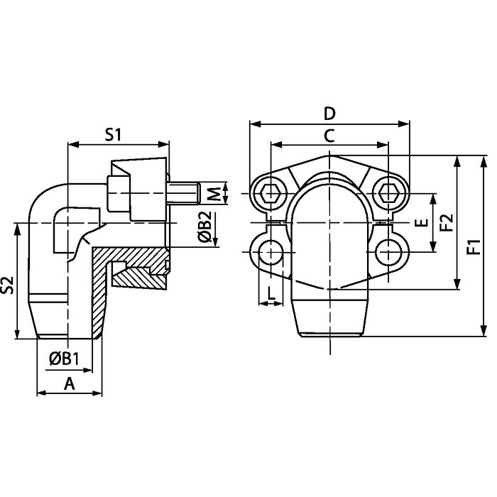
Угол 90°
Модель
Фланцевый адаптер SAE, приварной промежуточный элемент
Комплект поставки
С 2 полуфланцами, комплектом винтов и кольцом круглого сечения
Материал
S355J2G3 (ST52.3)
Защита поверхности
Смазка черным маслом
| Наименование | _____ | Серия давления | PB 10.9 bar |
Типоразмер | A mm |
B1 mm |
B2 mm |
C mm |
D mm |
E mm |
F1 mm |
F2 mm |
S1 mm |
S2 mm |
L mm |
Винты | Сноска для L | Сноска для винтов |
|---|---|---|---|---|---|---|---|---|---|---|---|---|---|---|---|---|---|---|
| WFS 3001-15 M | SAE J 518 CISO 6162 | 3000 PSI | 350 | 1/2" | 15 | 11 | 11 | 38.1 | 54.0 | 17.5 | 60.8 | 45.6 | 39 | 38 | 8.7 | (4 шт.) M 8 x 25 | - | - |
| WFS 3001-16 M | SAE J 518 CISO 6162 | 3000 PSI | 350 | 1/2" | 16 | 10 | 10 | 38.1 | 54.0 | 17.5 | 60.8 | 45.6 | 39 | 38 | 8.7 | (4 шт.) M 8 x 25 | - | - |
| WFS 3002-18 M | SAE J 518 CISO 6162 | 3000 PSI | 350 | 3/4" | 18 | 15 | 19 | 47.6 | 64.9 | 22.2 | 70.9 | 51.8 | 42 | 45 | 10.7 | (4 шт.) M 10 x 30 | - | - |
| WFS 3002-20 M | SAE J 518 CISO 6162 | 3000 PSI | 350 | 3/4" | 20 | 14 | 17 | 47.6 | 64.9 | 22.2 | 70.9 | 51.8 | 42 | 45 | 10.7 | (4 шт.) M 10 x 30 | - | - |
| WFS 3002-22 M | SAE J 518 CISO 6162 | 3000 PSI | 350 | 3/4" | 22 | 18 | 19 | 47.6 | 64.9 | 22.2 | 70.9 | 51.8 | 42 | 45 | 10.7 | (4 шт.) M 10 x 30 | - | - |
| WFS 3002-25 M | SAE J 518 CISO 6162 | 3000 PSI | 350 | 3/4" | 25 | 17 | 17 | 47.6 | 64.3 | 22.2 | 70.9 | 51.8 | 42 | 45 | 10.7 | (4 шт.) M 10 x 30 | - | - |
| WFS 3003-25 M | SAE J 518 CISO 6162 | 3000 PSI | 315 | 1" | 25 | 19 | 21 | 52.4 | 69.9 | 26.2 | 79.2 | 58.4 | 45 | 50 | 10.7 | (4 шт.) M 10 x 30 | - | - |
| WFS 3003-28 M | SAE J 518 CISO 6162 | 3000 PSI | 315 | 1" | 28 | 24 | 25 | 52.4 | 69.9 | 26.2 | 79.2 | 58.4 | 45 | 50 | 10.7 | (4 шт.) M 10 x 30 | - | - |
| WFS 3003-30 M | - | 3000 PSI | 315 | 1" | 30 | 21 | 21 | 52.4 | 69.9 | 26.2 | 79.2 | 58.4 | 45 | 50 | 10.7 | (4 шт.) M 10 x 30 | - | - |
| WFS 3004-25 M | - | 3000 PSI | 250 | 1.1/4" | 25 | 19 | 27 | 58.7 | 79.4 | 30.2 | 85.3 | 72.6 | 50 | 59 | - | *2 | = по выбору 10,5, 12,0 или 12,5 | = по выбору M 10 x 30 или M 12 x 35 |
| WFS 3004-30 M | - | 3000 PSI | 250 | 1.1/4" | 30 | 22 | 27 | 58.7 | 79.4 | 30.2 | 85.3 | 72.6 | 50 | 50 | - | *2 | = по выбору 10,5, 12,0 или 12,5 | = по выбору M 10 x 30 или M 12 x 35 |
| WFS 3004-35 M | - | 3000 PSI | 250 | 1.1/4" | 35 | 31 | 32 | 58.7 | 79.4 | 30.2 | 85.3 | 72.6 | 50 | 59 | - | *2 | = по выбору 10,5, 12,0 или 12,5 | = по выбору M 10 x 30 или M 12 x 35 |
| WFS 3004-38 M | - | 3000 PSI | 250 | 1.1/4" | 38 | 28 | 27 | 56.7 | 79.4 | 30.2 | 85.3 | 72.6 | 50 | 59 | - | *2 | = по выбору 10,5, 12,0 или 12,5 | = по выбору M 10 x 30 или M 12 x 35 |
| WFS 3005-38 M | - | 3000 PSI | 200 | 1.1/2" | 38 | 30 | 32 | 69.9 | 93.8 | 35.7 | 117.1 | 82.2 | 76 | 76 | 13.5 | (4 шт.) M 12 x 35 | - | - |
| WFS 3005-42 M | SAE J 518 CISO 6162 | 3000 PSI | 200 | 1.1/2" | 42 | 36 | 36 | 69.9 | 93.8 | 35.7 | 117.1 | 82.2 | 76 | 76 | 13.5 | (4 шт.) M 12 x 35 | - | - |
| WFS 6001-16 M | SAE J 518 CISO 6162 | 6000 PSI | 400 | 1/2" | 16 | 10 | 10 | 40.5 | 56.0 | 18.2 | 61.6 | 47.2 | 39 | 38 | 8.7 | (3 шт.) M 8 x 30 | - | - |
| WFS 6002-16 M | SAE J 518 CISO 6162 | 6000 PSI | 400 | 3/4" | 16 | 10 | 17 | 50.8 | 71.0 | 23.8 | 78.0 | 60.0 | 48 | 48 | 10.7 | (4 шт.) M 10 x 35 | - | - |
| WFS 6002-20 M | SAE J 518 CISO 6162 | 6000 PSI | 400 | 3/4" | 20 | 12 | 17 | 50.8 | 71.0 | 23.8 | 78.0 | 60.0 | 48 | 48 | 10.7 | (4 шт.) M 10 x 35 | - | - |
| WFS 6002-25 M | SAE J 518 CISO 6162 | 6000 PSI | 400 | 3/4" | 25 | 15 | 17 | 50.8 | 71.0 | 23.8 | 78.0 | 60.0 | 48 | 48 | 10.7 | (4 шт.) M 10 x 35 | - | - |
| WFS 6003-25 M | SAE J 518 CISO 6162 | 6000 PSI | 400 | 1" | 25 | 15 | 20 | 57.2 | 81.0 | 27.8 | 94.0 | 69.6 | 60 | 60 | - | (4 шт.) M 12 x 45 | = по выбору 12,0 или 12,5 | - |
| WFS 6003-30 M | SAE J 518 CISO 6162 | 6000 PSI | 400 | 1" | 30 | 22 | 25 | 57.2 | 81.0 | 27.8 | 94.0 | 69.6 | 60 | 60 | - | (4 шт.) M 12 x 45 | = по выбору 12,0 или 12,5 | - |
| WFS 6004-30 M | - | 6000 PSI | 315 | 1.1/4" | 30 | 22 | 27 | 66.7 | 95.0 | 31.8 | 106.6 | 77.2 | 68 | 68 | - | (4 шт.) M 14 x 50 | = по выбору 13,5 или 14,5 | - |
| WFS 6004-38 M | - | 6000 PSI | 315 | 1.1/4" | 38 | 28 | 30 | 66.7 | 95.0 | 31.8 | 106.6 | 77.2 | 68 | 68 | - | (4 шт.) M 14 x 50 | = по выбору 13,5 или 14,5 | - |
| WFS 6005-38 M | - | 6000 PSI | 315 | 1.1/2" | 38 | 28 | 32 | 79.4 | 113.0 | 36.5 | 123.5 | 95.0 | 76 | 76 | 17.0 | (4 шт.) M 16 x 55 | - | - |
Безналичный расчёт
Предоплата
Новая Почта
Самовывоз
Интайм
Гюнсел