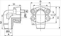
| Норма | SAE J 518 C ISO 6162 |
| Конструкция | Угол 90° |
| Модель | Фланцевый адаптер SAE, приварной промежуточный элемент |
| Комплект поставки | С 2 полуфланцами, комплектом винтов и кольцом круглого
сечения |
| Материал | S355J2G3 (ST52.3) |
| Защита поверхности | Смазка черным маслом |
Сортировать с восходящем порядке
Сортировать с нисходящем порядке
| Серия давления | Типоразмер | Винты | |||||||||||||
|---|---|---|---|---|---|---|---|---|---|---|---|---|---|---|---|
| WFS 3001-15 U | 3000 PSI | 350 | 1/2" | 15 | 11 | 11 | 38,1 | 54,0 | 17,5 | 60,8 | 45,6 | 39 | 38 | 8,7 | (4 шт.) UNC 5/16 x 1.1/4 |
| WFS 3001-16 U | 3000 PSI | 350 | 1/2" | 16 | 10 | 10 | 38,1 | 54,0 | 17,5 | 60,8 | 45,6 | 39 | 38 | 8,7 | (4 шт.) UNC 5/16 x 1.1/4 |
| WFS 3002-18 U | 3000 PSI | 350 | 3/4" | 18 | 15 | 19 | 47,6 | 64,9 | 22,2 | 70,9 | 51,8 | 42 | 45 | 10,7 | (4 шт.) UNC 3/8 x 1.1/2 |
| WFS 3002-20 U | 3000 PSI | 350 | 3/4" | 20 | 14 | 17 | 47,6 | 64,9 | 22,2 | 70,9 | 51,8 | 42 | 45 | 10,7 | (4 шт.) UNC 3/8 x 1.1/2 |
| WFS 3002-22 U | 3000 PSI | 350 | 3/4" | 22 | 18 | 19 | 47,6 | 64,9 | 22,2 | 70,9 | 51,8 | 42 | 45 | 10,7 | (4 шт.) UNC 3/8 x 1.1/2 |
| WFS 3002-25 U | 3000 PSI | 350 | 3/4" | 25 | 17 | 17 | 47,6 | 64,3 | 22,2 | 70,9 | 51,8 | 42 | 45 | 10,7 | (4 шт.) UNC 3/8 x 1.1/2 |
| WFS 3003-25 U | 3000 PSI | 315 | 1" | 25 | 19 | 21 | 52,4 | 69,9 | 26,2 | 79,2 | 58,4 | 45 | 50 | 10,7 | (4 шт.) UNC 3/8 x 1.1/2 |
| WFS 3003-28 U | 3000 PSI | 315 | 1" | 28 | 24 | 25 | 52,4 | 69,9 | 26,2 | 79,2 | 58,4 | 45 | 50 | 10,7 | (4 шт.) UNC 3/8 x 1.1/2 |
| WFS 3003-30 U | 3000 PSI | 315 | 1" | 30 | 21 | 21 | 52,4 | 69,9 | 26,2 | 79,2 | 58,4 | 45 | 50 | 10,7 | (4 шт.) UNC 3/8 x 1.1/2 |
| WFS 3004-25 U | 3000 PSI | 250 | 1.1/4" | 25 | 19 | 27 | 58,7 | 79,4 | 30,2 | 85,3 | 72,6 | 50 | 59 | 12,0 | (4 шт.) UNC 7/16 x 1.1/2 |
| WFS 3004-30 U | 3000 PSI | 250 | 1.1/4" | 30 | 22 | 27 | 58,7 | 79,4 | 30,2 | 85,3 | 72,6 | 50 | 50 | 12,0 | (4 шт.) UNC 7/16 x 1.1/2 |
| WFS 3004-35 U | 3000 PSI | 250 | 1.1/4" | 35 | 31 | 32 | 58,7 | 79,4 | 30,2 | 85,3 | 72,6 | 50 | 59 | 12,0 | (4 шт.) UNC 7/16 x 1.1/2 |
| WFS 3004-38 U | 3000 PSI | 250 | 1.1/4" | 38 | 28 | 27 | 56,7 | 79,4 | 30,2 | 85,3 | 72,6 | 50 | 59 | 12,0 | (4 шт.) UNC 7/16 x 1.1/2 |
| WFS 3005-38 U | 3000 PSI | 200 | 1.1/2" | 38 | 30 | 32 | 69,9 | 93,8 | 35,7 | 117,1 | 82,2 | 76 | 76 | 13,5 | (4 шт.) UNC 1/2 x 1.3/4 |
| WFS 3005-42 U | 3000 PSI | 200 | 1.1/2" | 42 | 36 | 36 | 69,9 | 93,8 | 35,7 | 117,1 | 82,2 | 76 | 76 | 13,5 | (4 шт.) UNC 1/2 x 1.3/4 |
| WFS 6001-16 U | 6000 PSI | 400 | 1/2" | 16 | 10 | 10 | 40,5 | 56,0 | 18,2 | 61,6 | 47,2 | 39 | 38 | 8,7 | (4 шт.) UNC 5/16 x 1.1/4 |
| WFS 6002-16 U | 6000 PSI | 400 | 3/4" | 16 | 10 | 17 | 50,8 | 71,0 | 23,8 | 78,0 | 60,0 | 48 | 48 | 10,7 | (4 шт.) UNC 3/8 x 1.1/2 |
| WFS 6002-20 U | 6000 PSI | 400 | 3/4" | 20 | 12 | 17 | 50,8 | 71,0 | 23,8 | 78,0 | 60,0 | 48 | 48 | 10,7 | (4 шт.) UNC 3/8 x 1.1/2 |
| WFS 6002-25 U | 6000 PSI | 400 | 3/4" | 25 | 15 | 17 | 50,8 | 71,0 | 23,8 | 78,0 | 60,0 | 48 | 48 | 10,7 | (4 шт.) UNC 3/8 x 1.1/2 |
| WFS 6003-25 U | 6000 PSI | 400 | 1" | 25 | 15 | 20 | 57,2 | 81,0 | 27,8 | 94,0 | 69,6 | 60 | 60 | *1 | (4 шт.) UNC 7/16 x 1.1/2 |
| WFS 6003-30 U | 6000 PSI | 400 | 1" | 30 | 22 | 25 | 57,2 | 81,0 | 27,8 | 94,0 | 69,6 | 60 | 60 | *1 | (4 шт.) UNC 7/16 x 1.1/2 |
| WFS 6004-30 U | 6000 PSI | 315 | 1.1/4" | 30 | 22 | 27 | 66,7 | 95,0 | 31,8 | 106,6 | 77,2 | 68 | 68 | *2 | (4 шт.) UNC 1/2 x 1.3/4 |
| WFS 6004-38 U | 6000 PSI | 315 | 1.1/4" | 38 | 28 | 30 | 66,7 | 95,0 | 31,8 | 106,6 | 77,2 | 68 | 68 | *2 | (4 шт.) UNC 1/2 x 1.3/4 |
| WFS 6005-38 U | 6000 PSI | 315 | 1.1/2" | 38 | 28 | 32 | 79,4 | 113,0 | 36,5 | 123,5 | 95,0 | 76 | 76 | 17,0 | (4 шт.) UNC 5/8 x 2 |
Безналичный расчёт
Предоплата
Новая Почта
Самовывоз
Интайм
Гюнсел