_____
DIN 3901/3902
Дополнение к модели
Ковка
Конструкция
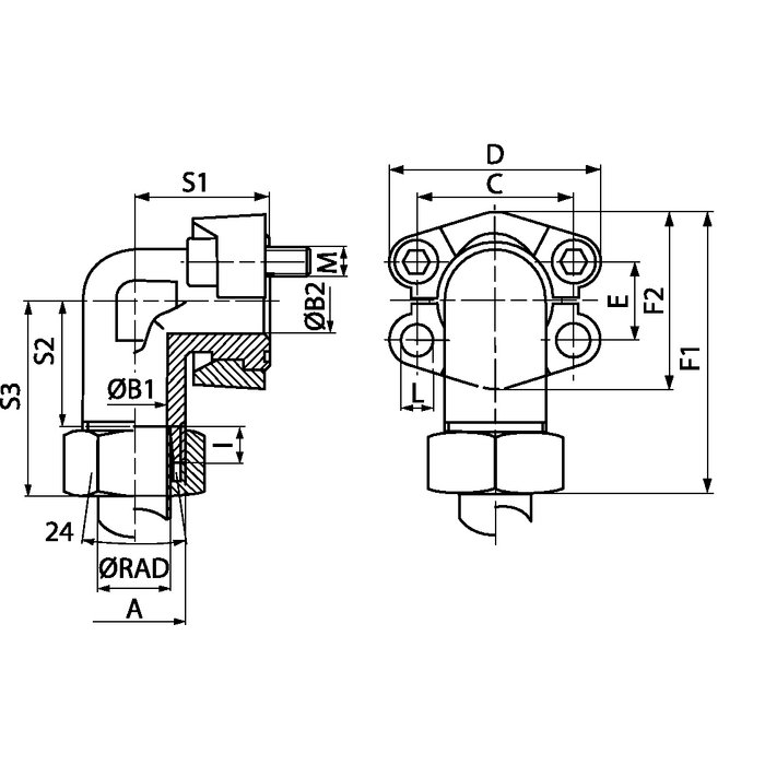
Угол 90°
Модель
Фланцевый адаптер SAE
Комплект поставки
С 2 полуфланцами, комплектом винтов и кольцом круглого сечения
Материал
S355J2G3 (ST52.3)
Защита поверхности
Гальваническое покрытие
| Наименование | _____ | Серия давления | Ø RAD mm |
Серия | PB 10.9 bar |
Типоразмер | A | B1 mm |
B2 mm |
C mm |
D mm |
E mm |
F1 mm |
F2 mm |
I mm |
S1 mm |
S2 mm |
S3 mm |
L mm |
Винты | Сноска для L | Сноска для винтов |
|---|---|---|---|---|---|---|---|---|---|---|---|---|---|---|---|---|---|---|---|---|---|---|
| WFG 3001/L 15 M | DIN 3901/3902 | 3000 PSI | 15 | L | 315 | 1/2" | M 22 x 1.5 | 12 | 11 | 38.1 | 54.0 | 17.5 | 66.8 | 45.6 | 7.0 | 39 | 29.0 | 44 | 8.7 | (4 шт.) M 8 x 25 | - | - |
| WFG 3002/L 18 M | - | 3000 PSI | 18 | L | 315 | 3/4" | M 26 x 1,5 | 15 | 19 | 47.6 | 64.9 | 22.2 | 73.9 | 51.8 | 7.5 | 42 | 31.5 | 48 | 10.7 | (4 шт.) M 10 x 30 | - | - |
| WFG 3002/L 22 M | - | 3000 PSI | 22 | L | 160 | 3/4" | M 30 x 2 | 19 | 19 | 47.6 | 64.9 | 22.2 | 75.9 | 51.8 | 7.5 | 42 | 33.5 | 50 | 10.7 | (4 шт.) M 10 x 30 | - | - |
| WFG 3003/L 28 M | - | 3000 PSI | 28 | L | 160 | 1" | M 36 x 2 | 24 | 25 | 52.4 | 69.9 | 26.2 | 82.2 | 58.4 | 7.5 | 45 | 36.5 | 53 | 10.7 | (4 шт.) M 10 x 30 | - | - |
| WFG 3004/L 35 M | - | 3000 PSI | 35 | L | 160 | 1.1/4" | M 45 x 2 | 30 | 27 | 58.7 | 79.4 | 30.2 | 104.3 | 72.6 | 10.5 | 50 | 46.5 | 68 | - | *2 | = по выбору 10,5 или 12,5 | = по выбору M 10 x 30 или M 12 x 40 |
| WFG 3005/L 42 M | - | 3000 PSI | 42 | L | 160 | 1.1/2" | M 52 x 2 | 36 | 36 | 69.9 | 93.8 | 35.7 | 118.2 | 82.4 | 11.0 | 76 | 56.0 | 77 | 13.5 | (4 шт.) M 12 x 40 | - | - |
| WFG 3001/S 16 M | DIN 3901/3902 | 3000 PSI | 16 | S | 350 | 1/2" | M 24 x 1.5 | 12 | 11 | 38.1 | 54.0 | 17.5 | 70.8 | 45.6 | 8.5 | 39 | 29.5 | 48 | 8.7 | (4 шт.) M 8 x 25 | - | - |
| WFG 3002/S 20 M | - | 3000 PSI | 20 | S | 350 | 3/4" | M 30 x 2 | 16 | 19 | 47.6 | 64.9 | 22.2 | 79.9 | 51.8 | 10.5 | 42 | 32.5 | 54 | 10.7 | (4 шт.) M 10 x 30 | - | - |
| WFG 3002/S 25 M | - | 3000 PSI | 25 | S | 350 | 3/4" | M 36 x 2 | 17 | 19 | 47.6 | 64.9 | 22.2 | 82.9 | 51.8 | 12.0 | 42 | 33.0 | 57 | 10.7 | (4 шт.) M 10 x 30 | - | - |
| WFG 3003/S 25 M | - | 3000 PSI | 25 | S | 315 | 1" | M 36 x 2 | 20 | 25 | 52.4 | 69.9 | 26.2 | 91.2 | 58.4 | 12.0 | 45 | 38.0 | 62 | 10.7 | (4 шт.) M 10 x 30 | - | - |
| WFG 3003/S 30 M | - | 3000 PSI | 30 | S | 315 | 1" | M 42 x 2 | 24 | 25 | 52.4 | 69.9 | 26.2 | 92.2 | 58.4 | 13.5 | 45 | 36.5 | 63 | 10.7 | (4 шт.) M 10 x 30 | - | - |
| WFG 3004/S 25 M | - | 3000 PSI | 25 | S | 250 | 1.1/4" | M 36 x 2 | 20 | 27 | 58.7 | 79.4 | 30.2 | 103.3 | 72.6 | 12.0 | 50 | 43.0 | 67 | - | *2 | = по выбору 10,5 или 12,5 | = по выбору M 10 x 30 или M 12 x 40 |
| WFG 3004/S 30 M | - | 3000 PSI | 30 | S | 250 | 1.1/4" | M 42 x 2 | 25 | 27 | 58.7 | 79.4 | 30.2 | 106.3 | 72.6 | 13.5 | 50 | 43.5 | 70 | - | *2 | = по выбору 10,5 или 12,5 | = по выбору M 10 x 30 или M 12 x 40 |
| WFG 3004/S 38 M | - | 3000 PSI | 38 | S | 250 | 1.1/4" | M 52 x 2 | 28 | 27 | 58.7 | 79.4 | 30.2 | 110.3 | 72.6 | 16.0 | 50 | 43.0 | 74 | - | *2 | = по выбору 10,5 или 12,5 | = по выбору M 10 x 30 или M 12 x 40 |
| WFG 3005/S 38 M | - | 3000 PSI | 38 | S | 200 | 1.1/2" | M 52 x 2 | 32 | 36 | 69.9 | 93.8 | 35.7 | 128.2 | 82.4 | 16.0 | 76 | 56.0 | 87 | 13.5 | (4 шт.) M 12 x 40 | - | - |
| WFG 6001/S 16 M | DIN 3901/3902 | 6000 PSI | 16 | S | 400 | 1/2" | M 24 x 1.5 | 12 | 12 | 40.5 | 56.4 | 18.2 | 71.6 | 47.2 | 8.5 | 39 | 29.4 | 48 | 8.7 | (4 шт.) M 8 x 30 | - | - |
| WFG 6002/S 16 M | DIN 3901/3902 | 6000 PSI | 16 | S | 400 | 3/4" | M 24 x 1.5 | 12 | 17 | 50.8 | 71.3 | 23.8 | 85.0 | 60.0 | 8.5 | 48 | 36.5 | 55 | 10.7 | (4 шт.) M 10 x 35 | - | - |
| WFG 6002/S 20 M | DIN 3901/3902 | 6000 PSI | 20 | S | 400 | 3/4" | M 30 x 2 | 16 | 17 | 50.8 | 71.3 | 23.8 | 87.0 | 60.0 | 10.5 | 48 | 35.5 | 57 | 10.7 | (4 шт.) M 10 x 35 | - | - |
| WFG 6002/S 25 M | DIN 3901/3902 | 6000 PSI | 25 | S | 400 | 3/4" | M 36 x 2 | 17 | 17 | 50.8 | 71.3 | 23.8 | 90.0 | 60.0 | 12.0 | 48 | 36.0 | 60 | 10.7 | (4 шт.) M 10 x 35 | - | - |
| WFG 6003/S 25 M | DIN 3901/3902 | 6000 PSI | 25 | S | 400 | 1" | M 36 x 2 | 20 | 24 | 57.2 | 81.0 | 27.8 | 99.8 | 69.0 | 12.0 | 60 | 41.0 | 65 | 13.0 | (4 шт.) M 12 x 45 | - | - |
| WFG 6003/S 30 M | DIN 3901/3902 | 6000 PSI | 30 | S | 400 | 1" | M 42 x 2 | 24 | 24 | 57.2 | 81.0 | 27.8 | 102.9 | 69.0 | 13.5 | 60 | 41.5 | 68 | 13.0 | (4 шт.) M 12 x 45 | - | - |
| WFG 6004/S 30 M | - | 6000 PSI | 30 | S | 400 | 1.1/4" | M 42 x 2 | 25 | 31 | 66.7 | 95.2 | 31.8 | 109.6 | 77.2 | 13.5 | 68 | 44.5 | 71 | 14.7 | (4 шт.) M 14 x 50 | - | - |
| WFG 6004/S 38 M | - | 6000 PSI | 38 | S | 350 | 1.1/4" | M 52 x 2 | 28 | 31 | 66.7 | 95.2 | 31.8 | 114.6 | 77.2 | 16.0 | 68 | 45.0 | 76 | 14.7 | (4 шт.) M 14 x 50 | - | - |
| WFG 6004/S 38-400 M | - | 6000 PSI | 38 | S | 400 | 1.1/4" | M 52 x 2 | 22 | 24 | 66.7 | 95.2 | 31.8 | 114.5 | 77.2 | 16.0 | 68 | 45.0 | 76 | 14.7 | (4 шт.) M 14 x 50 | - | - |
| WFG 6005/S 38 M | - | 6000 PSI | 38 | S | 350 | 1.1/2" | M 52 x 2 | 30 | 36 | 79.4 | 112.8 | 36.5 | 134.5 | 95.0 | 16.0 | 76 | 56.0 | 87 | 17.0 | (4 шт.) M 16 x 55 | - | - |
Безналичный расчёт
Предоплата
Новая Почта
Самовывоз
Интайм
Гюнсел