_____
DIN 3901/3902
Дополнение к модели
Пайка
Конструкция
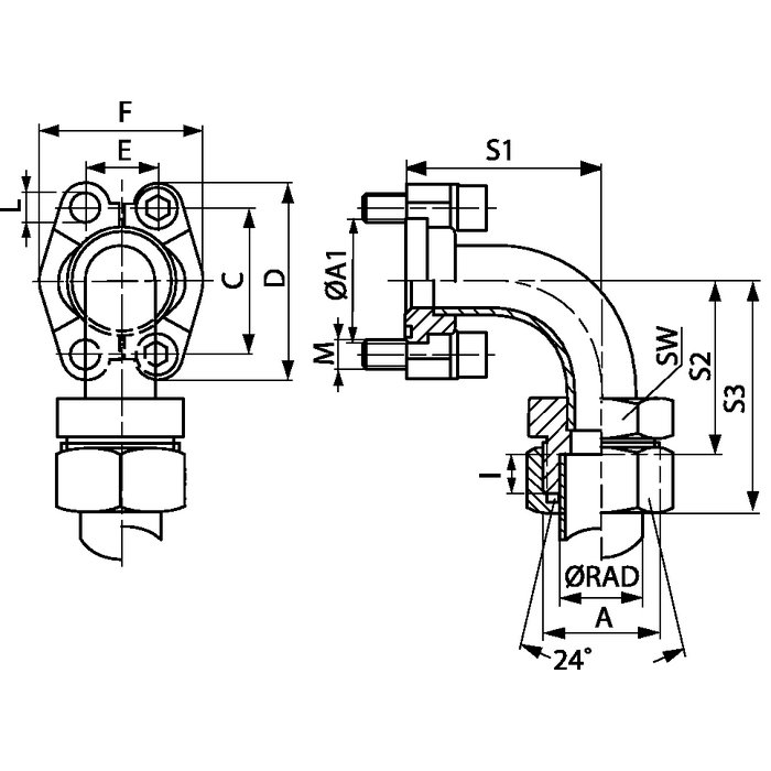
Угол 90°
Модель
Фланцевый адаптер SAE
Комплект поставки
С 2 полуфланцами, комплектом винтов и кольцом круглого сечения
Материал
S355J2G3 (C22)
Защита поверхности
Смазка черным маслом
| Наименование | _____ | Серия давления | Ø RAD mm |
Серия | PB 10.9 bar |
Типоразмер | A | A1 mm |
C mm |
D mm |
E mm |
F mm |
I mm |
S1 mm |
S2 mm |
S3 mm |
SW mm |
L mm |
Винты | Сноска для L | M unc |
|---|---|---|---|---|---|---|---|---|---|---|---|---|---|---|---|---|---|---|---|---|---|
| SFCE 3001-90 L 15 U | DIN 3901/3902 | 3000 PSI | 15 | L | 315 | 1/2" | M 22 x 1.5 | 30.2 | 38.1 | 54 | 17.5 | 45.6 | 7.0 | 40 | 43.0 | 58 | 22 | 8.7 | (4 шт.) UNC 5/16 x 1.1/4 | - | - |
| SFCE 3002-90 L 22 U | DIN 3901/3902 | 3000 PSI | 22 | L | 160 | 3/4" | M 30 x 2 | 38.1 | 47.6 | 65 | 22.2 | 51.8 | 7.5 | 59 | 63.5 | 80 | 30 | 10.7 | (4 шт.) UNC 3/8 x 1.1/2 | - | - |
| SFCE 3003-90 L 28 U | DIN 3901/3902 | 3000 PSI | 28 | L | 160 | 1" | M 36 x 2 | 44.4 | 52.4 | 70 | 26.2 | 58.4 | 7.5 | 68 | 75.5 | 80 | 36 | 10.7 | (4 шт.) UNC 3/8 x 1.1/2 | - | - |
| SFCE 3004-90 L 35 U | DIN 3901/3902 | 3000 PSI | 35 | L | 160 | 1.1/4" | M 45 x 2 | 50.8 | 58.7 | 79 | 30.2 | 72.6 | 10.5 | 86 | 94.5 | 116 | 46 | - | (4 шт.) UNC 7/16 x 1.1/2 | = по выбору 10,5, 12,0 или 12,5 | - |
| SFCE 3005-90 L 42 U | - | 3000 PSI | 42 | L | 160 | 1.1/2" | M 52 x 2 | 60.3 | 69.9 | 94 | 35.7 | 82.6 | 11.0 | 98 | 104.0 | 127 | 55 | 13.5 | (4 шт.) UNC 1/2 x 1.3/4 | - | - |
| SFCE 3001-90 S 16 U | DIN 3901/3902 | 3000 PSI | 16 | LS | 350 | 1/2" | M 24 x 1.5 | 30.2 | 38.1 | 54 | 17.5 | 45.6 | 7.5 | 40 | 42.5 | 60 | 24 | 8.7 | (4 шт.) UNC 5/16 x 1.1/4 | - | - |
| SFCE 3003-90 S 25 U | DIN 3901/3902 | 3000 PSI | 25 | LS | 315 | 1" | M 36 x 2 | 44.4 | 52.4 | 70 | 26.2 | 58.4 | 12.0 | 68 | 71.0 | 95 | 36 | 10.7 | (4 шт.) UNC 3/8 x 1.1/2 | - | - |
| SFCE 3003-90 S 30 U | DIN 3901/3902 | 3000 PSI | 30 | LS | 315 | 1" | M 42 x 2 | 44.4 | 52.4 | 70 | 26.2 | 58.4 | 13.5 | 68 | 69.5 | 96 | 46 | 10.7 | (4 шт.) UNC 3/8 x 1.1/2 | - | - |
| SFCE 3005-90 S 38 U | DIN 3901/3902 | 3000 PSI | 38 | LS | 210 | 1.1/2" | M 52 x 2 | 60.3 | 69.9 | 94 | 35.7 | 82.6 | 16.0 | 98 | 99.0 | 130 | 55 | 13.5 | (4 шт.) UNC 1/2 x 1.3/4 | - | - |
| SFCE 6001-90 S 16 U | DIN 3901/3902 | 6000 PSI | 16 | S | 400 | 1/2" | M 24 x 1.5 | 31.8 | 40.5 | 56 | 18.2 | 47.2 | 8.5 | 40 | 41.5 | 60 | 24 | 8.7 | (4 шт.) UNC 5/16 x 1.1/4 | - | 5/16" x 1.1/4" |
| SFCE 6002-90 S 25 U | DIN 3901/3902 | 6000 PSI | 25 | S | 400 | 3/4" | M 36 x 2 | 41.3 | 50.8 | 71 | 23.8 | 60.0 | 12.0 | 62 | 59.0 | 83 | 36 | 10.7 | (4 шт.) UNC 3/8 x 1.1/2 | - | 3/8" x 1.1/2" |
| SFCE 6002-90 S 30 U | DIN 3901/3902 | 6000 PSI | 30 | S | 400 | 3/4" | M 42 x 2 | 41.3 | 50.8 | 71 | 23.8 | 60.0 | 13.5 | 62 | 57.5 | 84 | 46 | 10.7 | (4 шт.) UNC 3/8 x 1.1/2 | - | 3/8" x 1.1/2" |
| SFCE 6003-90 S 25 U | DIN 3901/3902 | 6000 PSI | 25 | S | 400 | 1" | M 36 x 2 | 47.6 | 57.2 | 81 | 27.8 | 69.6 | 12.0 | 74 | 73.0 | 97 | 36 | - | (4 шт.) UNC 7/16 x 1.1/2 | = по выбору 12,0 или 12,5 | 7/16" x 1.3/4" |
| SFCE 6003-90 S 30 U | DIN 3901/3902 | 6000 PSI | 30 | S | 400 | 1" | M 42 x 2 | 47.6 | 57.2 | 81 | 27.8 | 69.6 | 13.5 | 74 | 71.5 | 98 | 46 | - | (4 шт.) UNC 7/16 x 1.1/2 | = по выбору 12,0 или 12,5 | 7/16" x 1.3/4" |
| SFCE 6004-90 S 38 U | DIN 3901/3902 | 6000 PSI | 38 | S | 315 | 1.1/4" | M 52 x 2 | 54.0 | 66.7 | 95 | 31.8 | 77.2 | 16.0 | 96 | 91.0 | 122 | 55 | - | (4 шт.) UNC 1/2 x 1.3/4 | = по выбору 13,5 или 14,5 | 1/2" x 1.3/4" |
| SFCE 6005-90 S 38 U | DIN 3901/3902 | 6000 PSI | 38 | S | 315 | 1.1/2" | M 52 x 2 | 63.5 | 79.4 | 113 | 36.5 | 95.0 | 16.0 | 111 | 91.0 | 122 | 55 | 17.0 | (4 шт.) UNC 5/8 x 2 | - | 5/8" x 2" |
Безналичный расчёт
Предоплата
Новая Почта
Самовывоз
Интайм
Гюнсел