_____
SAE J 518 C
ISO 6162
Серия давления
3000 psi
Конструкция
прямые
Модель
Фланцевый соединитель с приварным буртом SAE
Крепление
С комплектом метрических винтов
Комплект поставки
С 2 полуфланцами, комплектом винтов и кольцом круглого сечения
Материал
S355J2G3 (ST52.3)
Защита поверхности
Гальваническое покрытие
| Наименование | PB 10.9 bar |
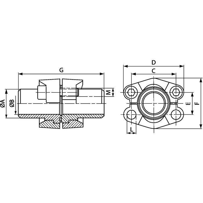
Типоразмер | Труба | A mm |
Ø B mm |
C mm |
D mm |
E mm |
F mm |
G mm |
L mm |
M unc | M метр. | M метр. Сноска |
|---|---|---|---|---|---|---|---|---|---|---|---|---|---|---|
| DSFS 3001-16 | 350 | 1/2" | 16 x 2 | 16.0 | 12.0 | 38.1 | 54 | 17.5 | 45.6 | 82 | 8.5 | 5/16" x 1.1/4" | M 8 x 30 | - |
| DSFS 3001-21.3 | 350 | 1/2" | 21.3 x 4.7 | 22.0 | 15.5 | 38.1 | 54 | 17.5 | 45.6 | 82 | 8.5 | 5/16" x 1.1/4" | M 8 x 30 | - |
| DSFS 3002-25 | 350 | 3/4" | 25 x 3 | 27.0 | 18.9 | 47.6 | 65 | 22.2 | 51.8 | 100 | 10.5 | 3/8" x 1.1/4" | M 10 x 30 | - |
| DSFS 3002-26.9 | 350 | 3/4" | 26.9 x 3.9 | 27.0 | 18.9 | 47.6 | 65 | 22.2 | 51.8 | 100 | 10.5 | 3/8" x 1.1/4" | M 10 x 30 | - |
| DSFS 3003-28 | 315 | 1" | 28 x 3 | 28.0 | 22.0 | 52.4 | 70 | 26.2 | 58.4 | 100 | 10.5 | 3/8" x 1.1/4" | M 10 x 35 | - |
| DSFS 3003-30 | 315 | 1" | 30 x 4 | 30.0 | 22.0 | 52.4 | 70 | 26.2 | 58.4 | 100 | 10.5 | 3/8" x 1.1/4" | M 10 x 35 | - |
| DSFS 3003-33.7 | 315 | 1" | 33.7 x 4.5 | 34.0 | 24.7 | 52.4 | 70 | 26.2 | 58.4 | 100 | 10.5 | 3/8" x 1.1/4" | M 10 x 35 | - |
| DSFS 3003-38 | 315 | 1" | 38 x 5 | 38.0 | 28.0 | 52.4 | 70 | 26.2 | 58.4 | 100 | 10.5 | 3/8" x 1.1/4" | M 10 x 35 | - |
| DSFS 3004-38 | 250 | 1.1/4" | 38 x 5 | 38.0 | 28.0 | 58.7 | 79 | 30.2 | 72.6 | 110 | 11.0 | 7/16" x 1.1/2" | *1 | = по выбору M 10 x 30 или M 12 x 35 |
| DSFS 3004-42.4 | 250 | 1.1/4" | 42.4 x 6.3 | 43.0 | 29.7 | 58.7 | 79 | 30.2 | 72.6 | 110 | 11.0 | 7/16" x 1.1/2" | *1 | = по выбору M 10 x 30 или M 12 x 35 |
| DSFS 3005-38 | 200 | 1.1/2" | 38 x 4 | 38.0 | 30.0 | 69.9 | 94 | 35.7 | 82.2 | 114 | 13.5 | 1/2" x 1.1/2" | M 12 x 35 | - |
| DSFS 3005-42 | 200 | 1.1/2" | 42 x 5 | 42.0 | 32.0 | 69.9 | 94 | 35.7 | 82.2 | 114 | 13.5 | 1/2" x 1.1/2" | M 12 x 35 | - |
| DSFS 3005-45 | 200 | 1.1/2" | 45 x 5 | 45.0 | 35.0 | 69.9 | 94 | 35.7 | 82.2 | 114 | 13.5 | 1/2" x 1.1/2" | M 12 x 35 | - |
| DSFS 3005-48.3 | 200 | 1.1/2" | 48.3 x 7.1 | 49.0 | 34.0 | 69.9 | 94 | 35.7 | 82.2 | 114 | 13.5 | 1/2" x 1.1/2" | M 12 x 35 | - |
| DSFS 3006-55 | 200 | 2" | 55 x 5 | 55.0 | 45.0 | 77.8 | 102 | 42.9 | 96.4 | 114 | 13.5 | 1/2" x 1.1/2" | M 12 x 35 | - |
| DSFS 3006-60.3 | 200 | 2" | 60.3 x 8 | 60.3 | 44.0 | 77.8 | 102 | 42.9 | 96.4 | 114 | 13.5 | 1/2" x 1.1/2" | M 12 x 35 | - |
| DSFS 3007-65 | 160 | 2.1/2" | 65 x 6 | 65.0 | 53.0 | 88.9 | 114 | 50.8 | 108.2 | 116 | 13.5 | 1/2" x 1.3/4" | M 12 x 40 | - |
| DSFS 3007-70 | 160 | 2.1/2" | 70 x 7.5 | 70.0 | 55.0 | 88.9 | 114 | 50.8 | 108.2 | 116 | 13.5 | 1/2" x 1.3/4" | M 12 x 40 | - |
| DSFS 3007-76.1 | 160 | 2.1/2" | 76.1 x 7.1 | 74.0 | 62.0 | 88.9 | 114 | 50.8 | 108.2 | 116 | 13.5 | 1/2" x 1.3/4" | M 12 x 40 | - |
| DSFS 3008-80 | 138 | 3" | 80 x 6 | 80.0 | 68.0 | 106.4 | 135 | 61.9 | 130.6 | 120 | 16.7 | 5/8" x 2" | M 16 x 45 | - |
| DSFS 3008-88.9 | 138 | 3" | 88.9 x 8 | 90.0 | 73.0 | 106.4 | 135 | 61.9 | 130.6 | 120 | 16.7 | 5/8" x 2" | M 16 x 45 | - |
| DSFS 3009-100 | 35 | 3.1/2" | 100 x 6 | 100.0 | 88.0 | 120.7 | 152 | 69.9 | 139.0 | 120 | 17.0 | 5/8" x 2" | M 16 x 45 | - |
| DSFS 3009-88.9 | 35 | 3.1/2" | 88.9 x 8 | 90.0 | 73.0 | 120.7 | 152 | 69.9 | 139.0 | 120 | 17.0 | 5/8" x 2" | M 16 x 45 | - |
| DSFS 3010-110 | 35 | 4" | 110 x 6 | 110.0 | 98.0 | 130.2 | 162 | 77.8 | 152.0 | 120 | 17.0 | 5/8" x 2" | M 16 x 50 | - |
| DSFS 3010-114.3 | 35 | 4" | 114.3 x 8.8 | 115.0 | 96.7 | 130.2 | 162 | 77.8 | 152.0 | 120 | 17.0 | 5/8" x 2" | M 16 x 50 | - |
| DSFS 3011-133 | 35 | 5" | 133 x 6.5 | 133.0 | 120.0 | 152.4 | 184 | 92.1 | 180.0 | 120 | 17.0 | 5/8" x 2" | M 16 x 50 | - |
| DSFS 3011-139.7 | 35 | 5" | 139.7 x 10 | 140.0 | 120.0 | 152.4 | 184 | 92.1 | 180.0 | 120 | 17.0 | 5/8" x 2" | M 16 x 50 | - |
Безналичный расчёт
Предоплата
Новая Почта
Самовывоз
Интайм
Гюнсел