Гидравлический распределитель Р81 используется для
включения / выключения и направления рабочей жидкости между
генераторами потока (гидравлические насосы), потребителями потока
(гидравлические цилиндры, двигатели и т. Д.) И резервуаром.
Он имеет настройку от 70 до 140 бар для автоматического
отключения и спроектирован как «брекер-клапан»
(log splitter).
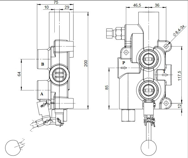
Конструкция: Гидравлический распределитель р81 является
моноблочным распределителем с ручным управлением.
Корпус выполнен из чугуна EN-GJL300, а катушка изготовлена из
цементированной стали с жестким хромированием.
Монтаж: Распределитель закреплен 3 (тремя) болтами
М8.
Характеристики:
Температура окружающей среды -40 ° C ... + 60 °
C
Гидравлическая жидкость - минеральное масло / гидравлическое
масло
Вязкость 12 ... 800 мм2 / с
Температура жидкости -15C ... + 80C
Фильтрация 10 на NAS 1638
Максимальное рабочее давление, P = 250; T = 50
бар A, B = 300 бар
Давление для автоматического отпускания катушки 70-140,
бар
Утечка (A, B-T) 20 см3 / мин при 120 бар
Номинальный расход 80 л / мин
Ход катушки +/- 7,9 мм
Сила срабатывания <220 Н

В зависимости от вида работ, на любую из секций гидрораспределителя можно установить - режим с плавающей фиксацией и плавающий режим!
Наличие плавающего положения позволяет использовать эту модель на сельскохозяйственной и коммунальной технике, где необходимо обеспечение соответствующего режима работы. Например, борона. Функция «с фиксацией» означает, что все положения рычага, в том числе и плавающее – фиксируются. Рычаг устанавливается оператором в определенном положении и будет находится в нем, пока не произойдет механическое переключение на другое положение.
При покупке товара у нас - скидка на установку на нашем СТО! Гарантия 12 месяцев!
Наличие уточняйте у менеджера!Western Union, MoneyGramm, Contact
Если клиент находится за пределами Украины и готов сделать предоплату международным денежным переводом.
WebMoney, PayPal, Yandex Деньги
Если клиент находится за пределами Украины и имеет возможность осуществить оплату в виде электронного платежа - мы принимаем деньги на любые электронные кошельки.
Безналичный расчёт
Возможен безналичный расчет с полным документальным сопровождением.
Наличный расчёт
Оплата наличными возможна в случае самовывоза.
Наложенный платеж
При пересылке "Новой почтой" возможна оплата наложенным платежом, т.е., при получении покупателем своего заказа.
Новая Почта
Самовывоз
Мы работаем с пн-пт с 8:30 до 19:00, сб 10:00-16:00. Наш офис находится по адресу Киев, Вишневое, ул.Чорновола 2а. Вы сможете приехать, лично проверить товар и в случае необходимости установить его на нашем СТО.
Интайм
Служба доставки грузов по Украине. Стоимость доставки можно рассчитать на сайте перевозчика intime.ua
Деливери
Доставка грузов по Украине. Расчет стоимости доставки можно произвести на сайте перевозчика delivery-auto.com
Передать попутной машиной
Одним из бюджетных вариантов доставки товара за границу является отправка его с попутным авто. Мы найдем попутный автомобиль и передадим вам товар с водителем.
Договориться о встрече в Киеве
Стоимость доставки 1 грн.Мы можем предварительно договориться о встрече в городе и пересечься в удобное для вас и нас время. Бесплатно.
Международные перевозчики
ПониЭкспресс, BinExpress, UkrCargo, DHL, Dimex, Express-dostavka и любыми удобными для вас международными перевозчиками и согласно их тарификации. Доставка в среднем длится 3-5 дней.
Повернення і обмін
Відповідно до закону України «про захист прав споживачів» ви можете протягом 14 днів з моменту покупки повернути або обміняти товар, придбаний в магазині, за умови виконання всіх норм передбачених законом. Умови обміну / повернення товару належної якості стаття 9. Відповідно до закону України «про захист прав споживачів»: споживач має право обміняти непродовольчий товар належної якості на аналогічний у продавця, у якого він був придбаний, якщо товар не задовольнив його за формою, габаритами, фасоном, кольором, розміром або з інших причин не може бути ним використаний за призначенням. Споживач має право на обмін товару належної якості протягом чотирнадцяти днів, не рахуючи дня покупки. споживач (термін вживається в такому значенні згідно статті 1. п.22 закону України «про захист прав споживачів») – фізична особа, яка купує, замовляє, використовує або має намір придбати чи замовити продукцію для особистих потреб, не пов’язаних з підприємницькою діяльністю або виконанням обов’язків найманого працівника. обмін або повернення товару належної якості провадиться: якщо не використовувався; якщо збережено його товарний вигляд, споживчі властивості, пломби, ярлики; на підставі розрахунковий документ, виданий споживачеві разом з проданим товаром. умови обміну / повернення товару неналежної якості стаття 8. Згідно із законом України «про захист прав споживачів»: в разі виявлення протягом встановленого гарантійного строку недоліків споживач, в порядку та в строки, встановлені законодавством, має право вимагати безоплатного усунення недоліків товару в розумний строк. вимоги споживача, передбачених цією статтею, не підлягають задоволенню, якщо продавець, виробник (підприємство, що задовольняє вимоги споживача, встановлені частиною першою цієї статті) доведуть, що недоліки товару виникли внаслідок порушення споживачем правил користування товаром або його зберігання. Споживач має право брати участь у перевірці якості товару особисто або через свого представника.