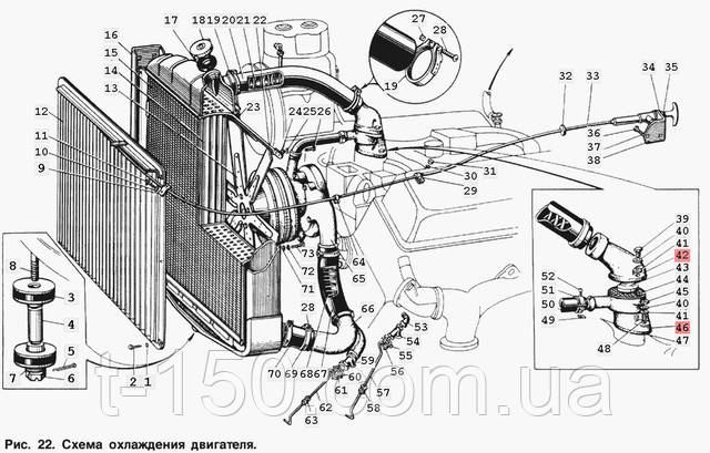
Корпус термостата ЗИЛ-130 в сборе 130-1303014/51

| № | Код | Наименование |
| 1 | 252155-П2 | Шайба пружинная |
| 2 | 201454-П8 | Болт |
| 3 | 121-1801028 | Подушка подвески радиатора в сборе |
| 4 | 121-1801040 | Втулка распорная |
| 5 | 258054-П8 | Шплинт |
| 6 | 250871-П8 | Гайка |
| 7 | 252017-П8 | Шайба |
| 8 | 301361-П8 | Болт |
| 9 | 130-1310346 | Зажим оболочки тяги конечный |
| 10 | 252154-П2 | Шайба пружинная |
| 11 | 201418-П8 | Болт |
| 12 | 130-1310110 | Жалюзи радиатора в сборе |
| 13 | 130-1308010-06 | Вентилятор системы охлаждения в сборе |
| 14 | 130-1301035 | Трубка радиатора охлаждающая |
| 15 | 131-1301007-Б2 | Радиатор в сборе |
| 16 | 130-1302010-А2 | Рамка подвески радиатора с усилителем и болтом крепления в сборе |
| 17 | 120-1304022-Б | Прокладка пробки радиатора |
| 18 | 130-1304010 | Пробка радиатора в сборе |
| 19 | 306700-П | Хомут в сборе |
| 20 | 130-1303010-Б2 | Шланг радиатора отводящий для автомобилей с байпасом |
| 21 | 130-1303095-Б | Пружина распорная отводящего шланга |
| 22 | 130-1302029 | Поперечина рамки подвески радиатора |
| 23 | 130-1309010 | Кожух вентилятора в сборе |
| 24 | 252005-П8 | Шайба |
| 25 | 252155-П2 | Шайба пружинная |
| 26 | 201454-П8 | Болт |
| 27 | 251084-П8 | Гайка |
| 28 | 302052-П8 | Винт |
| 29 | 130-1310453-Б | Скоба прижима оболочки задняя |
| 30 | 252005-П8 | Шайба |
| 31 | 250510-П8 | Гайка |
| 32 | 130-1310477 | Втулка оболочки тяги жалюзи радиатора |
| 33 | 130-1310210 | Тяга управления жалюзи с кронштейном в сборе |
| 34 | 252178-П8 | Шайба |
| 35 | 250634-П8 | Гайка |
| 36 | 201454-П8 | Болт |
| 37 | 252155-П2 | Шайба пружинная |
| 38 | 130-1310230-А | Кронштейн крепления привода жалюзи |
| 39 | 201501-П8 | Болт |
| 40 | 252156-П2 | Шайба пружинная |
| 41 | 305753-П8 | Шайба упорная |
| 42 | 130-1303014 | Патрубок выпускной водяной рубашки верхний |
| 43 | 130-1306010-А | Термостат типа ТС101 в сборе |
| 44 | 130-1303143 | Прокладка верхнего патрубка |
| 45 | 250513-П8 | Гайка |
| 46 | 130-1303051 | Патрубок выпускной водяной рубашки нижний |
| 47 | 120-1303017 | Прокладка патрубка |
| 48 | 307156-П8 | Шпилька |
| 49 | 251084-П8 | Гайка |
| 50 | 130-1303030 | Шланг байпаса соединительный |
| 51 | 288011-П8 | Хомут |
| 52 | 220086-П8 | Винт |
| 53 | 300351-П | Угольник |
| 54 | 130-1305010-Е | Кран системы охлаждения сливной в сборе |
| 55 | 258053-П | Шплинт (устанавливается на автомобили без подогревателя) |
| 56 | 130-1305065-В | Вилка сливного крана |
| 57 | 130-1305046-Б | Ручка управления краном |
| 58 | 130-1305053 | Втулка стержня привода управления краном |
| 59 | 130-1015370-Б | Кран сливной в сборе |
| 60 | 258053-П8 | Шплинт |
| 61 | 130-1305065-В | Вилка сливного крана |
| 62 | 130-1305069-Г | Стержень привода управления краном |
| 63 | 130-1310453 | Втулка стержня привода управления краном |
| 64 | 130-1310455 | Скоба прижима оболочки передняя |
| 65 | 130-1307009-Б3 | Насос водяной со шкивом в сборе (комплект) |
| 66 | 130-1303028-Б | Колено отводящего патрубка радиатора |
| 67 | 130-1303025-Б2 | Шланг радиатора подводящий для автомобилей с байпасом |
| 68 | 130-1303117-Б | Пружина распорная подводящего шланга |
| 69 | 308736-П | Хомут |
| 70 | 130-1303026 | Шланг от радиатора к коллектору подводного патрубка |
| 71 | 252005-П8 | Шайба |
| 72 | 252155-П2 | Шайба пружинная |
| 73 | 201456-П8 | Болт |
Онлайн оплата
Безналичный расчёт
Наличный расчёт
Наложенный платеж
Предоплата
Новая Почта(отделение)
Новая Почта(курьер)
САТ
Деливери
Самовывоз
Повернення і обмін
Відповідно до закону України «про захист прав споживачів» ви можете протягом 14 днів з моменту покупки повернути або обміняти товар, придбаний в магазині, за умови виконання всіх норм передбачених законом. Умови обміну / повернення товару належної якості стаття 9. Відповідно до закону України «про захист прав споживачів»: споживач має право обміняти непродовольчий товар належної якості на аналогічний у продавця, у якого він був придбаний, якщо товар не задовольнив його за формою, габаритами, фасоном, кольором, розміром або з інших причин не може бути ним використаний за призначенням. Споживач має право на обмін товару належної якості протягом чотирнадцяти днів, не рахуючи дня покупки. споживач (термін вживається в такому значенні згідно статті 1. п.22 закону України «про захист прав споживачів») – фізична особа, яка купує, замовляє, використовує або має намір придбати чи замовити продукцію для особистих потреб, не пов’язаних з підприємницькою діяльністю або виконанням обов’язків найманого працівника. обмін або повернення товару належної якості провадиться: якщо не використовувався; якщо збережено його товарний вигляд, споживчі властивості, пломби, ярлики; на підставі розрахунковий документ, виданий споживачеві разом з проданим товаром. умови обміну / повернення товару неналежної якості стаття 8. Згідно із законом України «про захист прав споживачів»: в разі виявлення протягом встановленого гарантійного строку недоліків споживач, в порядку та в строки, встановлені законодавством, має право вимагати безоплатного усунення недоліків товару в розумний строк. вимоги споживача, передбачених цією статтею, не підлягають задоволенню, якщо продавець, виробник (підприємство, що задовольняє вимоги споживача, встановлені частиною першою цієї статті) доведуть, що недоліки товару виникли внаслідок порушення споживачем правил користування товаром або його зберігання. Споживач має право брати участь у перевірці якості товару особисто або через свого представника.