Каталог товаров

Модуль двоканальный аналогового вывода, 750-552

в наличии
код: № позиции 750-552
500,00 грн. /шт
Онлайн оплата
Регион: Украина, Киевская обл., Киев
Написать продавцу
Проверенный поставщик
На Агробиз
4 Года
Время ответа:
более суток
Описание товара

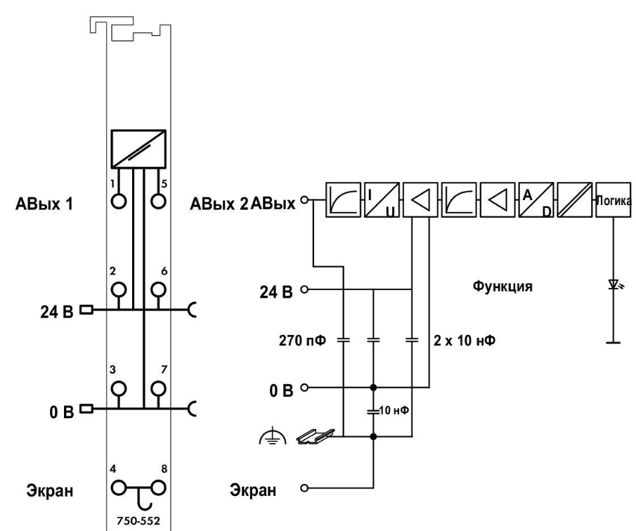
Двоканальный аналоговый модуль вывода 750-552 создает сигнал со стандартизированными значениями 0 - 20 мА или 4 - 20 мА. Выходной сигнал передаётся с 12-бытным разрешением.

Питание аналогового модуля ввода осуществляется по замкнутому контуру.

Также наша компания предлагает Вашему вниманию контроллеры Wago для решений автоматизации любой сложности.

Технические данные модулей ввода-вывода Wago-I/O-System 750 (750-552) 

Number of analog outputs 2
Total number of channels (module) 2
тип сигнала Current
Type of signal current DC 0 … 20 mA
Actuator connection 2 x (2-conductor)
Разрешение [бит] 12 Bit
Битовая ширина 2 x 16 бит - данные, 2 x 8 бит - управление/состояние (опция)
Load impedance (output/current) ≤ 600 Ω
Время преобразования (тип.) 2 ms
Messfehler, Bezugstemperatur 25 °C
Messfehler, Abweichung max. vom Messbereichsendwert 0,1 %
Temperaturfehler max. vom Messbereichsendwert 0,01 %/K
Линейность ±10 µA
System supply voltage DC 5 V; via data contacts
Current consumption, system supply (5 V) 70 mA
Field supply voltage DC 24 V (-25 … +30 %); über Leistungskontakte (Einspeisung über Messerkontakt; Weiterleitung über Federkontakt)
Изоляция 500 В система/питание
Number of incoming power jumper contacts 2
Number of outgoing power jumper contacts 2

Данные соединения

Connection technology: In-/Outputs 8 x CAGE CLAMP®
Connection type (1) Inputs/Outputs
Размеры одножильных проводников 0,08 … 2,5 mm² / 28 … 14 AWG
Тонкие многожильные проводники 0,08 … 2,5 mm² / 28 … 14 AWG
Длина снятия изоляции 8 … 9 mm / 0.31 … 0.35 inch

Geometrical Data

Ширина 12 mm / 0.472 inch
Высота 69,8 mm / 2.748 inch
Высота от верхнего края DIN-рейки 62,6 mm / 2.465 inch
Длина 100 mm / 3.937 inch

Механические данные

Тип монтажа DIN-рейка 35 мм

Material Data

Цвет light gray
материал корпуса Polycarbonate, polyamide 6.6
Вес 50,1 g
Маркировка соответствия CE

Environmental Requirements

Surrounding air (operating) temperature 0 … 55 °C
Surrounding air (storage) temperature -40 … 85 °C
Степень защиты IP20
Степень загрязнения (5) 2 per IEC 61131-2
Рабочая высота 0 … 2000 m
Монтажное положение horizontal (standing/lying) or vertical
Относительная влажность воздуха (без конденсации) 95 %
Виброустойчивость 4g per IEC 60068-2-6
Ударопрочность 15g per IEC 60068-2-27
ЭМС - помехоустойчивость acc. to EN 61000-6-2, marine applications
ЭМС - излучение помех acc. to EN 61000-6-4, marine applications
Устойчивость к воздействию загрязняющих веществ Per IEC 60068-2-42 and IEC 60068-2-43
Permissible H2S contaminant concentration at a relative humidity 75 % 10 ppm
Permissible SO2 contaminant concentration at a relative humidity 75 % 25 ppm
 
читать дальше свернуть
Характеристики
Вид системы
сетевая
Интерфейс
проводной
Тип поддерживаемых считывателей
электронные контактные
Особенности
подключение к ПК
Тип
система контроля управления доступом
Система подсчета
однонаправленная
Индикация
нет
Защита от перенапряжения в сети
нет
Аварийная подпитка
нет
Возможность расширения
да
Монитор
нет
Питание
сеть 24В
Протокол связи
RS-485
Регистрация событий
нет
читать дальше свернуть
Варианты оплаты

Безналичный расчёт

Онлайн оплата

Наличный расчёт

Варианты доставки

Новая Почта(курьер)

Повернення і обмін
Відповідно до закону України «про захист прав споживачів» ви можете протягом 14 днів з моменту покупки повернути або обміняти товар, придбаний в магазині, за умови виконання всіх норм передбачених законом. Умови обміну / повернення товару належної якості стаття 9. Відповідно до закону України «про захист прав споживачів»: споживач має право обміняти непродовольчий товар належної якості на аналогічний у продавця, у якого він був придбаний, якщо товар не задовольнив його за формою, габаритами, фасоном, кольором, розміром або з інших причин не може бути ним використаний за призначенням. Споживач має право на обмін товару належної якості протягом чотирнадцяти днів, не рахуючи дня покупки. споживач (термін вживається в такому значенні згідно статті 1. п.22 закону України «про захист прав споживачів») – фізична особа, яка купує, замовляє, використовує або має намір придбати чи замовити продукцію для особистих потреб, не пов’язаних з підприємницькою діяльністю або виконанням обов’язків найманого працівника. обмін або повернення товару належної якості провадиться: якщо не використовувався; якщо збережено його товарний вигляд, споживчі властивості, пломби, ярлики; на підставі розрахунковий документ, виданий споживачеві разом з проданим товаром. умови обміну / повернення товару неналежної якості стаття 8. Згідно із законом України «про захист прав споживачів»: в разі виявлення протягом встановленого гарантійного строку недоліків споживач, в порядку та в строки, встановлені законодавством, має право вимагати безоплатного усунення недоліків товару в розумний строк. вимоги споживача, передбачених цією статтею, не підлягають задоволенню, якщо продавець, виробник (підприємство, що задовольняє вимоги споживача, встановлені частиною першою цієї статті) доведуть, що недоліки товару виникли внаслідок порушення споживачем правил користування товаром або його зберігання. Споживач має право брати участь у перевірці якості товару особисто або через свого представника.

читать дальше свернуть
Покупатели этого товара также интересовались
ТОП
продажи
код: № позиции 750-348
5 400,00 грн. /шт
в наличии
ТОП
продажи
код: № позиции 750-667/000-003
500,00 грн. /шт
в наличии
ТОП
продажи
код: Wago 759-911 WAGO-I/O-SYSTEM 7
2,00 грн. /шт
в наличии
ТОП
продажи
код: 750-438
500,00 грн. /шт
в наличии
ТОП
продажи
код: 853048436
5 400,00 грн. /шт
в наличии
ТОП
продажи
код: 243-211
10,00 грн. /шт
в наличии
ТОП
продажи
код: 243-212
10,00 грн. /шт
в наличии
ТОП
продажи
код: № позиции 2002-1404
10,00 грн. /шт
в наличии
ТОП
продажи
код: № позиции 285-635
10,00 грн. /шт
в наличии
ТОП
продажи
код: № позиции 284-621
10,00 грн. /шт
в наличии
ТОП
продажи
код: № позиции 2000-2141
10,00 грн. /шт
в наличии
код: № позиции 281-611/281-541
10,00 грн. /шт
в наличии

Вы просматривали

Сейчас ищут

Спецрахунок НБУ
Фонд "Повернись живим"
Фонд Сергія Притули
Пока не зарегистрированы?
Регистрация
Уже зарегистрированы? Войти
Уже зарегистрированы? Войти