Каталог товаров

Насос шестеренный НШ-25М-4Л Гидросила левый

в наличии
код: НШ-25М-4Л левый
4 100,00 грн. /шт
Купить в один клик
з 4 отзывов, 100% положительных
Регион: Украина, Запорожская обл., Запорожье
Написать продавцу
Проверенный поставщик
На Агробиз
7 Лет
Время ответа:
более суток
Описание товара
Купить насос шестеренный НШ-25М-4Л Гидросила левого вращения по лучшей цене в нашей компании

У нас Вы можете приобрести насос шестеренный НШ-25М-4Л Гидросила левого вращения ( в наличии так же и правого вращения) оригинальный и по лучшей цене с гарантией. Данный насос широко применяется в сельхоз. технике.

Шестеренный насос НШ25М4Л левого (а так же на складе есть и правого) вращения торговой марки Гидросила - это экономичное и эффективное решение гидрофикации мобильных машин и другой техники. Корпус насоса НШ-25М-3 изготовлен из высокопрочного алюминиевого сплава, который устойчив к негативному воздействию окружающей среды. Присоединительные и габаритные размеры насоса выполнены согласно требованиям ГОСТ и ДСТУ. Сфера применения насоса НШ25М3:

коммунальная техника;
сельскохозяйственные машины;
подъемно-транспортная техника;
строительные машины.

Насос шестеренный НШ-25М-3Л Hydrosila: технические характеристики

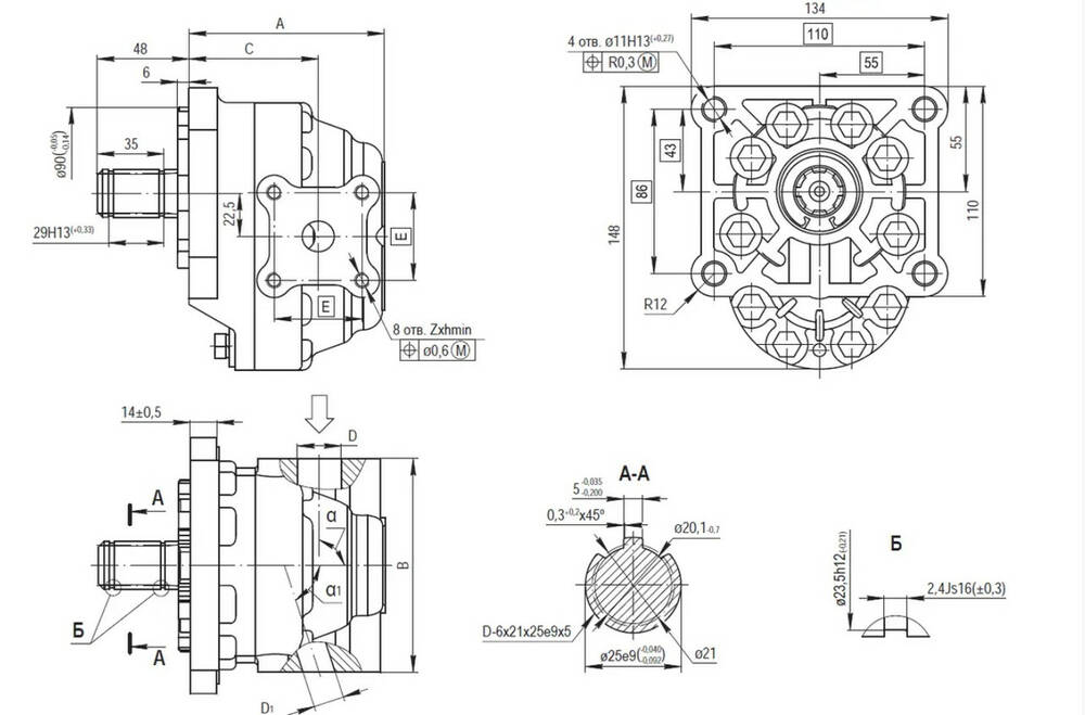
Чертеж насоса НШ-25М-4Л Гидросила

Параметры
Значения

Размер А
102 мм

Размер В
112 мм

Размер С
67,5 мм

Размер Е
46 мм

Размер D (Вход)
23 мм

Размер D1 (Выход)
16 мм

Размер Zxh/min/
M8x18

Размер α (Вход)
90 °

Размер α1 (Выход)
72 °

Технические характеристики насоса НШ-25М-3 Гидросила

Параметры
Характеристики

Рабочий объем
25 см3

Максимальное продолжительное давление
160 Бар

Максимальное кратковременное давление
210 Бар

Максимальное пиковое давление
250 Бар

Минимальная частота вращения
3000 мин-1

Минимальная частота вращения
500 мин-1

Преимущества нашей компании и почему стоит покупать у нас

Широкая гамма импортных гидрораспределителей ведущих заводов гидравлики с ручным, электромагнитным, гидравлическим управлением , а также гидромоторов, гидронасосов, клапанов и прочего гидравлического оборудования импортного и отечественного производства

Гарантия 12 месяцев на импортную гидравлику

Консультация специалиста и подбор нужного компонента гидравлики на ваше оборудование, подбор аналогов.

Всегда в наличии на складе или поставка в кратчайшие сроки

Гибкая система скидок для оптовых и постоянных клиентов

Работаем по всей Украине, возможна отправка наложенным платежом , доставка продукции в любую точку Украины всеми транспортными компаниями как Новая почта, САТ, Автолюкс, Деливери

Все поставляемое оборудование новое и соответствует стандартам

Уважаемые клиенты, возможно вы ищете другой насос НШ ?

Сообщите нам и наш квалифицированный специалист будет рад помочь подобрать насос, который Вам нужен. Для этого Вам нужно лишь указать необходимые технические характеристики , например: его объем, вращение, где применяется и тд

Наши специалисты бесплатно предоставят консультацию по подбору аналога любого гидравлического или пневматического оборудования , как и отечественного, так и импортного производства ведущих заводов гидравлики Италии, Польши, Турции. По всем вопросам приобретения оборудования обращайтесь по телефонам или электронным адресам, указанным на сайте.

Обращаем Ваше внимание, что в связи с частыми изменениями ценовой конъюнктуры, просьба уточнять цены в отделе продаж

В случае отсутствия в перечне необходимой Вам продукции, свяжитесь с менеджерами компании по телефону или электронной почте и Вам окажут всю необходимую помощь в подборе оборудования или его аналогов.
читать дальше свернуть
Характеристики
Состояние
Новое
Регулируемый гидромотор
Нет
Конструктивное исполнение
Моноблочное
Управление
Электромагнитное
Рабочий объем, куб. см
10
Гарантийный срок, мес
12
Направление вращения
Левое
читать дальше свернуть
Отзывы
4 отзывов
100% положительных
Володимир
13 октября 2024г. в 22:05
Гут
Сергей
10 февраля 2023г. в 17:24
Отличная консультация при покупке товара, быстрая доставка.
Внешне отличного качества, весной проверим в работе)
Віктор Петрович
05 октября 2022г. в 13:14
Дякую за гарні ціни на гідравліку
Виктор
07 марта 2021г. в 21:33
Лучший поставщик гидравлики из всех кого я перепробовал. Ни разу не подвели по срокам, всегда отправка в день заказа. грамотная консультация Дениса, спасибо огромное! буду обращаться и рекомендовать вас всем своим знакомым! с ув. Виктор
читать дальше свернуть
Варианты оплаты

Онлайн оплата
5375 4114 0319 3860 Чусов Денис Монобанк

Наличный расчёт

Безналичный расчёт

Предоплата

Наложенный платеж

Варианты доставки

Новая Почта

Автолюкс

Интайм

Самовывоз

Повернення і обмін
Відповідно до закону України «про захист прав споживачів» ви можете протягом 14 днів з моменту покупки повернути або обміняти товар, придбаний в магазині, за умови виконання всіх норм передбачених законом. Умови обміну / повернення товару належної якості стаття 9. Відповідно до закону України «про захист прав споживачів»: споживач має право обміняти непродовольчий товар належної якості на аналогічний у продавця, у якого він був придбаний, якщо товар не задовольнив його за формою, габаритами, фасоном, кольором, розміром або з інших причин не може бути ним використаний за призначенням. Споживач має право на обмін товару належної якості протягом чотирнадцяти днів, не рахуючи дня покупки. споживач (термін вживається в такому значенні згідно статті 1. п.22 закону України «про захист прав споживачів») – фізична особа, яка купує, замовляє, використовує або має намір придбати чи замовити продукцію для особистих потреб, не пов’язаних з підприємницькою діяльністю або виконанням обов’язків найманого працівника. обмін або повернення товару належної якості провадиться: якщо не використовувався; якщо збережено його товарний вигляд, споживчі властивості, пломби, ярлики; на підставі розрахунковий документ, виданий споживачеві разом з проданим товаром. умови обміну / повернення товару неналежної якості стаття 8. Згідно із законом України «про захист прав споживачів»: в разі виявлення протягом встановленого гарантійного строку недоліків споживач, в порядку та в строки, встановлені законодавством, має право вимагати безоплатного усунення недоліків товару в розумний строк. вимоги споживача, передбачених цією статтею, не підлягають задоволенню, якщо продавець, виробник (підприємство, що задовольняє вимоги споживача, встановлені частиною першою цієї статті) доведуть, що недоліки товару виникли внаслідок порушення споживачем правил користування товаром або його зберігання. Споживач має право брати участь у перевірці якості товару особисто або через свого представника.

Укрпочта

читать дальше свернуть
Покупатели этого товара также интересовались
код: Р80-3/1-222
2 900,00 грн. /шт
в наличии
код: Р80-3/2-44
2 900,00 грн. /шт
в наличии
код: Р80-3/4-222
2 900,00 грн. /шт
в наличии
-5%
код: Р80-3/3-222
1 600,00 грн. 1 520,00 грн. /шт
в наличии
код: Р80-3/4-222Г
2 900,00 грн. /шт
в наличии
код: Р80-3/1-44
2 900,00 грн. /шт
в наличии
-35%
код: P40 К16 GKZ1 корея
2 850,00 грн. 1 852,50 грн. /шт
в наличии
-20%
код: P40 A1 GKZ1 корея колун
1 870,00 грн. 1 496,00 грн. /шт
в наличии
-17%
код: P40 A1 GKZ1 корея
1 800,00 грн. 1 494,00 грн. /шт
в наличии
-31%
код: ЦС 50х25х200
2 000,00 грн. 1 380,00 грн. /шт
в наличии
-5%
код: Р40
1 650,00 грн. 1 567,50 грн. /шт
в наличии
-10%
код: треугольник джойстика
940,00 грн. 846,00 грн. /шт
в наличии

Вы просматривали

Сейчас ищут

Спецрахунок НБУ
Фонд "Повернись живим"
Фонд Сергія Притули
Пока не зарегистрированы?
Регистрация
Уже зарегистрированы? Войти
Уже зарегистрированы? Войти