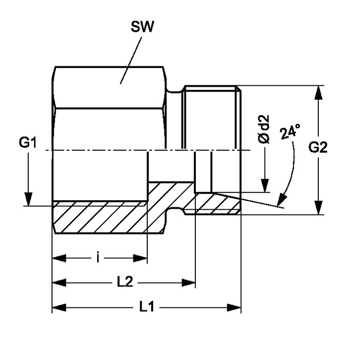
Соединение 1
Внутренняя резьба BSP, цилиндрическая
Форма уплотнения 1
Форма А
Форма уплотнения 2
Внутренний конус 24°
Модель
Навинчиваемое резьбовое соединение
Соединение 2
Метрическая наружная резьба, цилиндрическая
Конструкция
прямые
_____
DIN 2353
ISO 8434-1
Комплект поставки
Штуцер (без накидной гайки и режущего кольца)
Материал
нержавеющая сталь
| Наименование | Серия | Рабочее давление, бар | Ø d2 mm |
G1 | G2 | i mm |
L1 mm |
L2 mm |
SW mm |
|---|---|---|---|---|---|---|---|---|---|
| XGAR NW 04 HL VA | L | PN 315 | 6 | G 1/8" -28 | M 12 x 1,5 | 12.0 | 26.0 | 19.0 | 14 |
| XGAR NW 04 HL 1/4 VA | L | PN 315 | 6 | G 1/4" -19 | M 12 x 1,5 | 17.0 | 31.0 | 24.0 | 19 |
| XGAR NW 04 HL 3/8 VA | L | PN 315 | 6 | G 3/8" -19 | M 12 x 1,5 | 17.0 | 32.0 | 25.0 | 22 |
| XGAR NW 04 HL 1/2 VA | L | PN 315 | 6 | G 1/2" -14 | M 12 x 1,5 | 20.0 | 36.0 | 29.0 | 27 |
| XGAR NW 06 HL VA | L | PN 315 | 8 | G 1/4" -19 | M 14 x 1.5 | 17.0 | 31.0 | 24.0 | 19 |
| XGAR NW 06 HL 3/8 VA | L | PN 315 | 8 | G 3/8" -19 | M 14 x 1.5 | 17.0 | 32.0 | 25.0 | 22 |
| XGAR NW 06 HL 1/2 VA | L | PN 315 | 8 | G 1/2" -14 | M 14 x 1.5 | 20.0 | 36.0 | 29.0 | 27 |
| XGAR NW 08 HL VA | L | PN 315 | 10 | G 1/4" -19 | M 16 x 1.5 | 17.0 | 32.0 | 25.0 | 19 |
| XGAR NW 08 HL 3/8 VA | L | PN 315 | 10 | G 3/8" -19 | M 16 x 1.5 | 17.0 | 33.0 | 26.0 | 22 |
| XGAR NW 08 HL 1/2 VA | L | PN 315 | 10 | G 1/2" -14 | M 16 x 1.5 | 20.0 | 37.0 | 30.0 | 27 |
| XGAR NW 10 HL 1/4 VA | L | PN 315 | 12 | G 1/4" -19 | M 18 x 1,5 | 17.0 | 32.0 | 25.0 | 19 |
| XGAR NW 10 HL VA | L | PN 315 | 12 | G 3/8" -19 | M 18 x 1,5 | 17.0 | 33.0 | 26.0 | 22 |
| XGAR NW 10 HL 1/2 VA | L | PN 315 | 12 | G 1/2" -14 | M 18 x 1,5 | 20.0 | 37.0 | 30.0 | 27 |
| XGAR NW 13 HL 3/8 VA | L | PN 315 | 15 | G 3/8" -19 | M 22 x 1.5 | 17.0 | 34.0 | 27.0 | 24 |
| XGAR NW 13 HL VA | L | PN 315 | 15 | G 1/2" -14 | M 22 x 1.5 | 20.0 | 38.0 | 31.0 | 27 |
| XGAR NW 16 HL 3/8 VA | L | PN 315 | 18 | G 3/8" -19 | M 26 x 1,5 | 17.0 | 35.0 | 27.5 | 27 |
| XGAR NW 16 HL VA | L | PN 315 | 18 | G 1/2" -14 | M 26 x 1,5 | 20.0 | 38.0 | 30.5 | 27 |
| XGAR NW 20 HL 1/2 VA | L | PN 160 | 22 | G 1/2" -14 | M 30 x 2 | 20.0 | 41.0 | 33.5 | 32 |
| XGAR NW 20 HL VA | L | PN 160 | 22 | G 3/4" -14 | M 30 x 2 | 22.0 | 43.0 | 35.5 | 32 |
| XGAR NW 25 HL VA | L | PN 160 | 28 | G 1" -11 | M 36 x 2 | 24.5 | 45.5 | 38.0 | 41 |
| XGAR NW 32 HL VA | L | PN 160 | 35 | G 1.1/4" -11 | M 45 x 2 | 26.5 | 51.5 | 41.0 | 50 |
| XGAR NW 40 HL VA | L | PN 160 | 42 | G 1.1/2" -11 | M 52 x 2 | 28.5 | 53.5 | 42.5 | 55 |
| XGAR NW 03 HS 1/8 VA | S | PN 400 | 6 | G 1/8" -28 | M 14 x 1.5 | 12.0 | 28.0 | 21.0 | 17 |
| XGAR NW 03 HS VA | S | PN 630 | 6 | G 1/4" -19 | M 14 x 1.5 | 17.0 | 33.0 | 26.0 | 19 |
| XGAR NW 04 HS VA | S | PN 630 | 8 | G 1/4" -19 | M 16 x 1.5 | 17.0 | 33.0 | 26.0 | 19 |
| XGAR NW 06 HS VA | S | PN 630 | 10 | G 3/8" -19 | M 18 x 1,5 | 17.0 | 34.0 | 26.5 | 24 |
| XGAR NW 06 HS 1/2 VA | S | PN 400 | 10 | G 1/2" -14 | M 18 x 1,5 | 20.0 | 38.0 | 30.5 | 27 |
| XGAR NW 08 HS 1/4 VA | S | PN 400 | 12 | G 1/4" -19 | M 20 x 1.5 | 17.0 | 34.0 | 26.5 | 24 |
| XGAR NW 08 HS VA | S | PN 630 | 12 | G 3/8" -19 | M 20 x 1.5 | 17.0 | 34.0 | 26.5 | 24 |
| XGAR NW 08 HS 1/2 VA | S | PN 400 | 12 | G 1/2" -14 | M 20 x 1.5 | 20.0 | 38.0 | 30.5 | 27 |
| XGAR NW 10 HS VA | S | PN 630 | 14 | G 1/2" -14 | M 22 x 1.5 | 20.0 | 40.0 | 32.0 | 27 |
| XGAR NW 13 HS VA | S | PN 400 | 16 | G 1/2" -14 | M 24 x 1.5 | 20.0 | 40.0 | 31.5 | 27 |
| XGAR NW 16 HS 3/8 VA | S | PN 315 | 20 | G 3/8" -19 | M 30 x 2 | 17.0 | 38.0 | 27.5 | 36 |
| XGAR NW 16 HS 1/2 VA | S | PN 315 | 20 | G 1/2" -14 | M 30 x 2 | 20.0 | 43.0 | 31.5 | 36 |
| XGAR NW 16 HS VA | S | PN 400 | 20 | G 3/4" -14 | M 30 x 2 | 22.0 | 45.0 | 34.5 | 36 |
| XGAR NW 20 HS VA | S | PN 400 | 25 | G 1" -11 | M 36 x 2 | 24.5 | 49.5 | 37.5 | 41 |
| XGAR NW 25 HS VA | S | PN 400 | 30 | G 1.1/4" -11 | M 42 x 2 | 26.5 | 55.5 | 42.0 | 50 |
| XGAR NW 32 HS VA | S | PN 315 | 38 | G 1.1/2" -11 | M 52 x 2 | 28.5 | 59.5 | 43.5 | 60 |
Безналичный расчёт
Предоплата
Новая Почта
Самовывоз
Интайм
Гюнсел