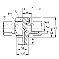
| Соединение 1 | Наружная резьба BSP, цилиндрическая |
| Форма уплотнения 1 | Кольцо с уплотнительной кромкой |
| Соединение 2 + 3 | Наружная резьба BSP, цилиндрическая |
| Форма уплотнения 2 + 3 | Внутренний конус 24° |
| Модель | Откидные резьбовые соединения бездроссельные (высокое
давление) |
| Конструкция | T-образная форма |
| Комплект поставки | Штуцер с накидной гайкой и режущим кольцом |
| Материал | нержавеющая сталь |
Сортировать с восходящем порядке
Сортировать с нисходящем порядке
| Серия | Рабочее давление, бар | G1 | G2 | S1 | S2 | |||||||||
|---|---|---|---|---|---|---|---|---|---|---|---|---|---|---|
| STOR 04 LL VA | LL | PN 100 | 4 | G 1/8" -28 | M 8 x 1 | 14 | 8 | 24 | 11,0 | 10,5 | 27,0 | 18 | 17 | 10 |
| STOR 06 LL VA | LL | PN 100 | 6 | G 1/8" -28 | M 10 x 1 | 14 | 8 | 24 | 11,0 | 10,5 | 27,0 | 18 | 17 | 12 |
| STOR 08 LL VA | LL | PN 100 | 8 | G 1/8" -28 | M 12 x 1 | 14 | 8 | 24 | 11,5 | 14,0 | 29,0 | 18 | 24 | 14 |
| STOR NW 04 HL VA | L | PN 250 | 6 | G 1/8" -28 | M 12 x 1,5 | 14 | 8 | 24 | 12,0 | 10,5 | 27,0 | 17 | 17 | 14 |
| STOR NW 06 HL VA | L | PN 250 | 8 | G 1/4" -19 | M 14 x 1,5 | 18 | 12 | 30 | 14,5 | 14,0 | 29,0 | 22 | 19 | 17 |
| STOR NW 08 HL VA | L | PN 250 | 10 | G 1/4" -19 | M 18 x 1,5 | 18 | 12 | 30 | 15,5 | 14,0 | 30,0 | 22 | 19 | 19 |
| STOR NW 10 HL 1/4 VA | L | PN 250 | 12 | G 1/4" -19 | M 18 x 1,5 | 22 | 12 | 36 | 18,0 | 16,5 | 33,0 | 27 | 24 | 22 |
| STOR NW 10 HL VA | L | PN 250 | 12 | G 3/8" -19 | M 18 x 1,5 | 22 | 12 | 36 | 18,0 | 16,5 | 33,0 | 27 | 24 | 22 |
| STOR NW 13 HL VA | L | PN 250 | 15 | G 1/2" -14 | M 22 x 1,5 | 26 | 14 | 45 | 21,5 | 21,5 | 30,0 | 32 | 30 | 27 |
| STOR NW 16 HL VA | L | PN 250 | 18 | G 1/2" -14 | M 26 x 1,5 | 26 | 14 | 45 | 21,0 | 21,5 | 37,0 | 32 | 30 | 32 |
| STOR NW 20 HL VA | L | PN 160 | 22 | G 3/4" -14 | M 30 x 2 | 32 | 16 | 53 | 27,5 | 24,0 | 44,0 | 41 | 36 | 36 |
| STOR NW 25 HL VA | L | PN 160 | 28 | G 1" -11 | M 36 x 2 | 39 | 18 | 66 | 32,0 | 30,5 | 49,0 | 50 | 46 | 41 |
| STOR NW 32 HL VA | L | PN 160 | 35 | G 1.1/4" -11 | M 45 x 2 | 35 | 20 | 76 | 36,0 | 35,5 | 58,0 | 60 | 55 | 50 |
| STOR NW 40 HL VA | L | PN 160 | 42 | G 1.1/2" -11 | M 52 x 2 | 55 | 22 | 87 | 40,5 | 40,5 | 63,0 | 70 | 60 | 60 |
| STOR NW 03 HS VA | S | PN 315 | 6 | G 1/4" -19 | M 14 x 1,5 | 18 | 12 | 30 | 16,5 | 14,0 | 31,0 | 22 | 19 | 17 |
| STOR NW 04 HS VA | S | PN 315 | 8 | G 1/4" -19 | M 16 x 1,5 | 18 | 12 | 30 | 16,5 | 14,0 | 31,0 | 22 | 19 | 19 |
| STOR NW 06 HS 1/4 VA | S | PN 315 | 10 | G 1/4" -19 | M 18 x 1,5 | 18 | 12 | 30 | 18,5 | 14,0 | 35,0 | 27 | 22 | 22 |
| STOR NW 06 HS VA | S | PN 315 | 10 | G 3/8" -19 | M 18 x 1,5 | 22 | 12 | 36 | 18,5 | 16,5 | 35,0 | 27 | 24 | 22 |
| STOR NW 08 HS VA | S | PN 315 | 12 | G 3/8" -19 | M 20 x 1,5 | 22 | 12 | 36 | 18,5 | 16,5 | 35,0 | 27 | 24 | 24 |
| STOR NW 10 HS VA | S | PN 315 | 14 | G 1/2" -14 | M 22 x 1,5 | 26 | 14 | 45 | 22,5 | 21,5 | 30,5 | 32 | 30 | 27 |
| STOR NW 13 HS VA | S | PN 315 | 16 | G 1/2" -14 | M 24 x 1,5 | 26 | 14 | 45 | 22,0 | 21,5 | 40,0 | 32 | 30 | 30 |
| STOR NW 16 HS VA | S | PN 315 | 20 | G 1/2" -14 | M 30 x 2 | 26 | 14 | 45 | 22,0 | 21,5 | 40,0 | 32 | 30 | 30 |
| STOR NW 20 HS VA | S | PN 160 | 25 | G 1" -11 | M 36 x 2 | 39 | 18 | 66 | 31,5 | 30,5 | 56,0 | 50 | 46 | 46 |
| STOR NW 25 HS VA | S | PN 160 | 30 | G 1.1/4" -11 | M 42 x 2 | 49 | 20 | 76 | 37,0 | 35,5 | 64,0 | 60 | 55 | 50 |
| STOR NW 32 HS VA | S | PN 160 | 38 | G 1.1/2" -11 | M 52 x 2 | 55 | 22 | 87 | 41,5 | 40,5 | 72,0 | 70 | 60 | 60 |
Безналичный расчёт
Предоплата
Новая Почта
Самовывоз
Интайм
Гюнсел