| Соединение 1 | Наружная резьба BSP, цилиндрическая |
| Форма уплотнения 1 | Кольцо с уплотнительной кромкой |
| Соединение 2 + 3 | Метрическая наружная резьба, цилиндрическая |
| Форма уплотнения 2 + 3 | Внутренний конус 24° |
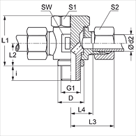
| Модель | Откидное резьбовое соединение бездроссельное |
| Конструкция | T-образная форма |
| Норма | DIN 3865 |
| Комплект поставки | Штуцер с накидной гайкой и режущим кольцом |
| Материал | Сталь |
| Защита поверхности | Гальваническое покрытие |
Сортировать с восходящем порядке
Сортировать с нисходящем порядке
| Серия | Рабочее давление, бар | G1 | S1 | S2 | |||||||||
|---|---|---|---|---|---|---|---|---|---|---|---|---|---|
| STR NW 04 HL | L | PN 250 | 6 | G 1/8" -28 | 14,0 | 8 | 24 | 10,5 | 27 | 12,0 | 17 | 17 | 14 |
| STR NW 06 HL | L | PN 250 | 8 | G 1/4" -19 | 18,0 | 12 | 30 | 14,0 | 29 | 14,5 | 22 | 19 | 17 |
| STR NW 08 HL | L | PN 250 | 10 | G 1/4" -19 | 18,0 | 12 | 30 | 14,0 | 30 | 15,5 | 22 | 19 | 19 |
| STR NW 10 HL | L | PN 250 | 12 | G 3/8" -19 | 22,0 | 12 | 36 | 16,5 | 33 | 18,0 | 27 | 24 | 22 |
| STR NW 13 HL | L | PN 250 | 15 | G 1/2" -14 | 26,0 | 14 | 45 | 21,5 | 37 | 21,5 | 32 | 30 | 27 |
| STR NW 16 HL | L | PN 250 | 18 | G 1/2" -14 | 26,5 | 14 | 45 | 21,5 | 37 | 21,0 | 32 | 30 | 32 |
| STR NW 20 HL | L | PN 160 | 22 | G 3/4" -14 | 32,0 | 16 | 53 | 24,0 | 44 | 27,5 | 41 | 36 | 36 |
| STR NW 25 HL | L | PN 160 | 28 | G 1" -11 | 39,0 | 18 | 66 | 30,5 | 49 | 32,0 | 50 | 46 | 41 |
| STR NW 32 HL | L | PN 160 | 35 | G 1.1/4" -11 | 49,0 | 20 | 76 | 35,5 | 58 | 36,0 | 60 | 55 | 50 |
| STR NW 40 HL | L | PN 160 | 42 | G 1.1/2" -11 | 55,0 | 22 | 87 | 40,5 | 63 | 40,5 | 70 | 60 | 60 |
| STR NW 03 HS | S | PN 315 | 6 | G 1/4" -19 | 18,0 | 12 | 30 | 14,0 | 31 | 16,5 | 22 | 19 | 17 |
| STR NW 04 HS | S | PN 315 | 8 | G 1/4" -19 | 18,0 | 12 | 30 | 14,0 | 31 | 16,5 | 22 | 19 | 19 |
| STR NW 06 HS | S | PN 315 | 10 | G 3/8" -19 | 22,0 | 12 | 36 | 16,5 | 35 | 18,5 | 27 | 24 | 22 |
| STR NW 08 HS | S | PN 315 | 12 | G 3/8" -19 | 22,0 | 12 | 36 | 16,5 | 35 | 18,5 | 27 | 24 | 24 |
| STR NW 10 HS | S | PN 315 | 14 | G 1/2" -14 | 26,0 | 14 | 45 | 21,5 | 40 | 22,5 | 32 | 30 | 27 |
| STR NW 13 HS | S | PN 315 | 16 | G 1/2" -14 | 26,0 | 14 | 45 | 21,5 | 40 | 22,0 | 32 | 30 | 30 |
| STR NW 16 HS | S | PN 160 | 20 | G 3/4" -14 | 32,0 | 16 | 53 | 24,0 | 48 | 26,5 | 41 | 36 | 36 |
| STR NW 20 HS | S | PN 160 | 25 | G 1" -11 | 39,0 | 18 | 66 | 30,5 | 56 | 31,5 | 50 | 46 | 46 |
| STR NW 25 HS | S | PN 160 | 30 | G 1.1/4" -11 | 49,0 | 20 | 76 | 35,5 | 64 | 37,0 | 60 | 55 | 50 |
| STR NW 32 HS | S | PN 160 | 38 | G 1.1/2" -11 | 55,0 | 22 | 87 | 40,5 | 72 | 41,5 | 70 | 60 | 60 |
Безналичный расчёт
Предоплата
Новая Почта
Самовывоз
Интайм
Гюнсел