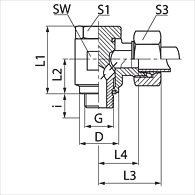
| Соединение 1 | Наружная резьба BSP, цилиндрическая |
| Форма уплотнения 1 | Форма F |
| Соединение 2 | Метрическая наружная резьба, цилиндрическая |
| Форма уплотнения 2 | Внутренний конус 24° |
| Модель | Откидное резьбовое соединение бездроссельное |
| Конструкция | Угол 90° |
| Норма | DIN 2353 ISO 8434-1 |
| Комплект поставки | Штуцер с накидной гайкой и режущим кольцом |
| Материал | Сталь |
| Защита поверхности | Гальваническое покрытие |
Сортировать с восходящем порядке
Сортировать с нисходящем порядке
| Серия | Рабочее давление, бар | G | S1 | S3 | Кольцо круглого сечения | |||||||||
|---|---|---|---|---|---|---|---|---|---|---|---|---|---|---|
| SDOR 04 LL | LL | PN 100 | 4 | G 1/8" -28 | 14,7 | 8,0 | 23,5 | 10,5 | 29,0 | 14,0 | 17 | 17 | 10 | 7,65 x 1,78 |
| SDOR 06 LL | LL | PN 100 | 6 | G 1/8" -28 | 13,5 | 8,0 | 23,5 | 10,5 | 28,5 | 13,5 | 17 | 17 | 12 | 7,65 x 1,78 |
| SDOR 08 LL | LL | PN 100 | 8 | G 1/8" -28 | 14,7 | 8,0 | 23,5 | 10,5 | 28,5 | 13,5 | 17 | 17 | 14 | 7,65 x 1,78 |
| SDOR NW 04 HL | L | PN 315 | 6 | G 1/8" -28 | 14,0 | 8,0 | 24,0 | 10,5 | 27,0 | 12,0 | 17 | 17 | 14 | 7,65 x 1,78 |
| SDOR NW 06 HL | L | PN 315 | 8 | G 1/4" -19 | 18,0 | 12,0 | 30,0 | 14,0 | 29,0 | 14,5 | 22 | 19 | 17 | 11,10 x 1,78 |
| SDOR NW 08 HL | L | PN 315 | 10 | G 1/4" -19 | 18,0 | 12,0 | 30,0 | 14,0 | 30,0 | 15,5 | 22 | 19 | 19 | 11,10 x 1,78 |
| SDOR NW 10 HL | L | PN 315 | 12 | G 3/8" -19 | 22,0 | 12,0 | 36,0 | 16,5 | 33,0 | 18,0 | 27 | 24 | 22 | 14,00 x 1,78 |
| SDOR NW 13 HL | L | PN 315 | 15 | G 1/2" -14 | 26,0 | 14,0 | 45,0 | 21,5 | 37,0 | 21,5 | 32 | 30 | 27 | 18,77 x 1,78 |
| SDOR NW 16 HL | L | PN 315 | 18 | G 1/2" -14 | 26,0 | 14,0 | 45,0 | 21,5 | 37,0 | 21,0 | 32 | 30 | 32 | 18,77 x 1,78 |
| SDOR NW 20 HL | L | PN 160 | 22 | G 3/4" -14 | 32,0 | 16,0 | 53,0 | 24,0 | 44,0 | 27,5 | 41 | 36 | 36 | 23,81 x 2,62 |
| SDOR NW 25 HL | L | PN 160 | 28 | G 1" -11 | 39,0 | 18,0 | 66,0 | 30,5 | 49,0 | 32,0 | 50 | 46 | 41 | 29,82 x 2,62 |
| SDOR NW 32 HL | L | PN 160 | 35 | G 1.1/4" -11 | 49,0 | 20,0 | 76,0 | 35,5 | 58,0 | 36,0 | 60 | 55 | 50 | 37,77 x 2,62 |
| SDOR NW 40 HL | L | PN 160 | 42 | G 1.1/2" -11 | 55,0 | 22,0 | 87,0 | 40,5 | 63,0 | 40,5 | 70 | 60 | 60 | 41,28 x 3,53 |
| SDOR NW 03 HS | S | PN 400 | 6 | G 1/4" -19 | 18,0 | 12,0 | 30,0 | 14,0 | 31,0 | 16,5 | 22 | 19 | 17 | 11,10 x 1,78 |
| SDOR NW 04 HS | S | PN 400 | 8 | G 1/4" -19 | 18,0 | 12,0 | 30,0 | 14,0 | 31,0 | 16,5 | 22 | 19 | 19 | 11,10 x 1,78 |
| SDOR NW 06 HS | S | PN 400 | 10 | G 3/8" -19 | 22,0 | 12,0 | 36,0 | 16,5 | 35,0 | 18,5 | 27 | 24 | 22 | 14,00 x 1,78 |
| SDOR NW 08 HS | S | PN 400 | 12 | G 3/8" -19 | 22,0 | 12,0 | 36,0 | 16,5 | 35,0 | 18,5 | 27 | 24 | 24 | 14,00 x 1,78 |
| SDOR NW 10 HS | S | PN 400 | 14 | G 1/2" -14 | 26,0 | 14,0 | 45,0 | 21,5 | 40,0 | 22,5 | 32 | 30 | 27 | 18,77 x 1,78 |
| SDOR NW 13 HS | S | PN 315 | 16 | G 1/2" -14 | 26,0 | 14,0 | 45,0 | 21,5 | 40,0 | 22,0 | 32 | 30 | 30 | 18,77 x 1,78 |
| SDOR NW 16 HS | S | PN 315 | 20 | G 3/4" -14 | 32,0 | 16,0 | 53,0 | 24,0 | 48,0 | 26,5 | 41 | 36 | 36 | 23,81 x 2,62 |
| SDOR NW 20 HS | S | PN 250 | 25 | G 1" -11 | 39,0 | 18,0 | 66,0 | 30,5 | 56,0 | 31,5 | 50 | 46 | 46 | 29,82 x 2,62 |
| SDOR NW 25 HS | S | PN 160 | 30 | G 1.1/4" -11 | 49,0 | 20,0 | 76,0 | 35,5 | 64,0 | 37,0 | 60 | 55 | 50 | 37,77 x 2,62 |
| SDOR NW 32 HS | S | PN 160 | 38 | G 1.1/2" -11 | 55,0 | 22,0 | 87,0 | 40,5 | 72,0 | 41,5 | 70 | 60 | 60 | 41,28 x 3,53 |
Безналичный расчёт
Предоплата
Новая Почта
Самовывоз
Интайм
Гюнсел