Соединение 1
Метрическая наружная резьба, цилиндрическая
Форма уплотнения 1
Форма E
Форма уплотнения 2
Внутренний конус 24°
Модель
Откидное резьбовое соединение бездроссельное
Соединение 2
Метрическая наружная резьба, цилиндрическая
Конструкция
Угол 90°
_____
DIN 2353
ISO 8434-1
Комплект поставки
Штуцер (без накидной гайки и режущего кольца)
Материал
нержавеющая сталь
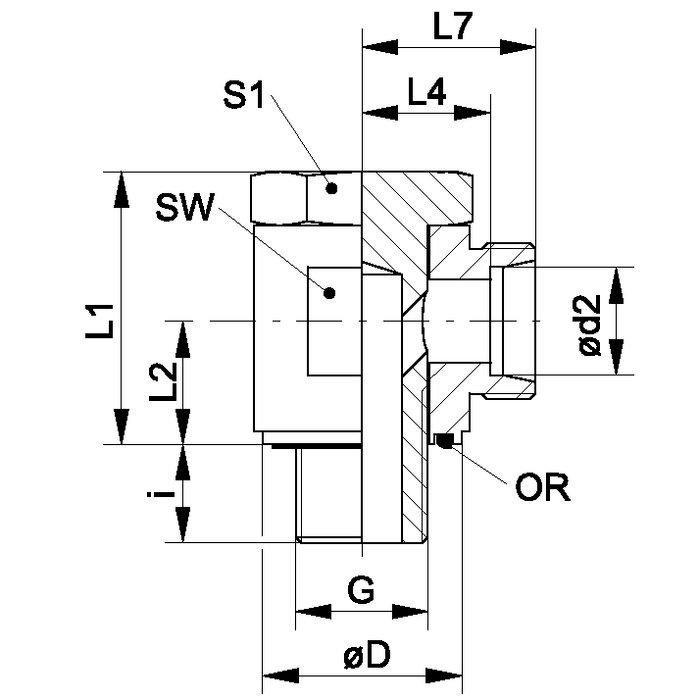
| Наименование | Серия | Рабочее давление, бар | Ø d2 mm |
G | Ø D mm |
i mm |
L1 mm |
L2 mm |
L4 mm |
L7 mm |
SW mm |
S1 | Кольцо круглого сечения |
|---|---|---|---|---|---|---|---|---|---|---|---|---|---|
| XSDOM 04 LL VA | LL | PN 100 | 4 | M 8 x 1 | 12.5 | 8.0 | 23.5 | 10.5 | 13.5 | 19.0 | 18 | 17 | - |
| XSDOM 06 LL VA | LL | PN 100 | 6 | M 10 x 1 | 14.5 | 8.0 | 23.5 | 10.5 | 13.5 | 19.0 | 17 | 17 | 7.65 x 1.78 |
| XSDOM 08 LL VA | LL | PN 100 | 8 | M 10 x 1 | 14.5 | 8.0 | 23.5 | 10.5 | 13.5 | 19.0 | 17 | 17 | 7.65 x 1.78 |
| XSDOM NW 04 HL VA | L | PN 315 | 6 | M 10 x 1 | 14.5 | 8.0 | 23.5 | 10.5 | 12.0 | 19.0 | 17 | 17 | 7.65 x 1.78 |
| XSDOM NW 06 HL VA | L | PN 315 | 8 | M 12 x 1,5 | 17.5 | 12.5 | 29.5 | 14.0 | 14.5 | 21.5 | 22 | 19 | 11.10 x 1.78 |
| XSDOM NW 08 HL VA | L | PN 315 | 10 | M 14 x 1.5 | 18.5 | 12.0 | 30.0 | 14.0 | 15.5 | 22.5 | 22 | 19 | 11.10 x 1.78 |
| XSDOM NW 10 HL VA | L | PN 315 | 12 | M 16 x 1.5 | 22.5 | 12.0 | 35.0 | 16.5 | 18.0 | 25.0 | 27 | 24 | 14.00 x 1.78 |
| XSDOM NW 13 HL VA | L | PN 315 | 15 | M 18 x 1,5 | 23.5 | 12.0 | 46.0 | 21.5 | 21.5 | 28.5 | 32 | 27 | 18.77 x 1.78 |
| XSDOM NW 16 HL VA | L | PN 315 | 18 | M 22 x 1.5 | 27.5 | 12.0 | 46.5 | 21.5 | 21.0 | 28.5 | 32 | 27 | 18.77 x 1.78 |
| XSDOM NW 20 HL VA | L | PN 160 | 22 | M 26 x 1,5 | 32.5 | 16.0 | 52.0 | 24.0 | 27.5 | 35.0 | 41 | 36 | 23.81 x 2.62 |
| XSDOM NW 25 HL VA | L | PN 160 | 28 | M 33 x 2 | 39.5 | 18.0 | 64.0 | 30.5 | 32.0 | 39.5 | 50 | 46 | 29.82 x 2.62 |
| XSDOM NW 32 HL VA | L | PN 160 | 35 | M 42 x 2 | 49.5 | 20.0 | 75.0 | 35.5 | 36.0 | 46.5 | 60 | 50 | 37.77 x 2.62 |
| XSDOM NW 40 HL VA | L | PN 160 | 42 | M 48 x 2 | 55.5 | 22.0 | 88.0 | 40.5 | 40.5 | 51.5 | 70 | 60 | 41.28 x 3.53 |
| XSDOM NW 03 HS VA | S | PN 400 | 6 | M 12 x 1,5 | 17.5 | 12.0 | 30.0 | 14.0 | 16.5 | 23.5 | 22 | 19 | 11.10 x 1.78 |
| XSDOM NW 04 HS VA | S | PN 400 | 8 | M 14 x 1.5 | 18.5 | 12.0 | 30.0 | 14.0 | 16.5 | 23.5 | 22 | 19 | 11.10 x 1.78 |
| XSDOM NW 06 HS VA | S | PN 400 | 10 | M 16 x 1.5 | 22.5 | 12.0 | 35.0 | 16.5 | 18.5 | 26.0 | 27 | 24 | 14.00 x 1.78 |
| XSDOM NW 08 HS VA | S | PN 400 | 12 | M 18 x 1,5 | 23.5 | 12.0 | 35.0 | 16.5 | 18.5 | 26.0 | 27 | 27 | 18.77 x 1.78 |
| XSDOM NW 10 HS VA | S | PN 400 | 14 | M 20 x 1.5 | 25.5 | 14.0 | 46.0 | 21.5 | 22.5 | 30.5 | 30 | 27 | 18.77 x 1.78 |
| XSDOM NW 13 HS VA | S | PN 315 | 16 | M 22 x 1.5 | 27.5 | 14.0 | 46.0 | 21.5 | 22.0 | 30.5 | 30 | 27 | 18.77 x 1.78 |
| XSDOM NW 16 HS VA | S | PN 315 | 20 | M 27 x 2 | 32.5 | 16.0 | 52.0 | 24.0 | 26.5 | 37.0 | 41 | 36 | 23.81 x 2.62 |
| XSDOM NW 20 HS VA | S | PN 250 | 25 | M 33 x 2 | 39.5 | 18.0 | 64.0 | 30.5 | 31.5 | 43.5 | 50 | 46 | 29.82 x 2.62 |
| XSDOM NW 25 HS VA | S | PN 160 | 30 | M 42 x 2 | 49.5 | 20.0 | 75.0 | 35.5 | 37.0 | 50.5 | 60 | 50 | 37.77 x 2.62 |
| XSDOM NW 32 HS VA | S | PN 160 | 38 | M 48 x 2 | 55.5 | 23.0 | 87.0 | 40.5 | 41.5 | 57.5 | 70 | 60 | 41.28 x 3.53 |
Безналичный расчёт
Предоплата
Новая Почта
Самовывоз
Интайм
Гюнсел