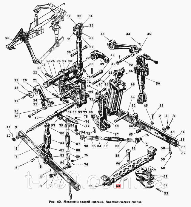
Поперечина прицепного устройства ЮМЗ, 45-4605070

| № | Код | Наименование |
| 1 | 40-4605037-Б1 | Вушко |
| 2 | Шайба 24 | |
| 3 | Гайка М24 | |
| 4 | Шплинт 5Х45 | |
| 5 | Шайба 18 | |
| 6 | Болт М18Х50 | |
| 7 | 40-4605093 | Кронштейн причіпного пристрою лівий |
| 8 | 40-4605079 | Вісь поздовжньої тяги |
| 9 | А62029 | Шайба |
| 10 | Гайка М20 | |
| 11 | Шплинт 4Х36 | |
| 12 | 40-4605078 | Втулка |
| 13 | Шайба 18 | |
| 14 | 40-4605104 | Сережки центральної тяги |
| 15 | Гайка М16Х1,5 | |
| 16 | Шайба 16 | |
| 17 | Болт М12Х30 | |
| 18 | Шайба 12 | |
| 19 | 404605023-А2 | Шайба |
| 20 | 40-4605021-А2 | Важіль зовнішній лівий |
| 21 | Шпилька БМ 16Х48 | |
| 22 | 40-4605018-А1 | Вал поворотний |
| 23 | 40-4605106 | Кронштейн сережки |
| 24 | Шпилька БМ20Х50 | |
| 25 | 40-4605219-Б | Штифт установлювальний |
| 26 | 40-4605174 | Кільце стопорне |
| 27 | Гайка М20Х1,5 | |
| 28 | 45-4605016 | Кронштейн |
| 29 | 40-4605017 | Втулка |
| 30 | 40-4605240С | Труба |
| 31 | А62-С04 СБ | Чека |
| 32 | А62016 | Шарнір |
| 33 | 50-4605056 | Гвинт задній |
| 34 | А62023-А | Палець |
| 35 | 12-23-447 | Кільця |
| 36 | А62018-А | Ланцюжок |
| 37 | А62010 | Контрайка |
| 38 | 50-4605054 | Гвинт передній |
| 39 | 40-4605019 | Важіль |
| 40 | 45-4605056 | Палець |
| 41 | 40-4605022-А | Важіль зовнішній правий |
| 42 | 40-4605103 | Палець сережки |
| 43 | Шплинт 6,3Х36 | |
| 44 | Шплинт 6,3Х36 | |
| 45 | Шайба 18 | |
| 46 | Ц100-1313001 | Циліндр у зборі |
| 47 | Болт М16Х40 | |
| 48 | Гайка М16 | |
| 49 | 40-4605077 | Пластина кронштейна |
| 50 | 45-4605300 СБ | Розкос правий |
| 51 | 45-4605082-Б | Палець циліндра |
| 52 | 40-4605092 | Кронштейн причіпного пристрою правий |
| 53 | 15.62.059 | Шплинт |
| 54 | Заклепка 10Х30 | |
| 55 | А62003 | Втулка шарніра |
| 56 | А62002 | Шарнір поздовжньої тяги |
| 57 | 40-4605026 | Тяга поздовжня |
| 58 | А62018-А | Ланцюжок |
| 59 | А62007 | Кільце чеки |
| 60 | А62006-Б | Чека |
| 61 | 36-2701036-А2 | Вилка |
| 62 | 50-4605079-Б | Шкворінь причепа |
| 63 | 45-4605070 | Поперечин причіпного пристрою |
| 64 | 50-4605072-Б | Палець |
| 65 | 45-4605201 | Палець вилки розкоса |
| 66 | Шайба 18 | Шайба 18 |
| 67 | 40-4605107 | Втулка |
| 68 | 45-4605024 | Кронштейн циліндра |
| 69 | 40-4605076 | Палець кронштейна циліндра |
| 70 | 40-4605108 | Шайба шарніра центральної тяги |
| 71 | 40-4605108 | Шайба шарніра центральної тяги |
| 72 | А62028 | Шайба упорна |
| 73 | 40-4605047 | Втулка шарніра центральної тяги |
| 74 | 40-4605048 | Труба |
| 75 | 45-1604083 | Гайка М12 |
| 76 | Шплінт 3,2Х25 | Шплінт 3,2Х25 |
| 77 | 40-4605054-В | Кронштейн стяжок |
| 78 | 15.62.059 | Шплинт |
| 79 | 40-4605051 | Болт |
| 80 | 50-4605075-Б | Гвинт розкоса верхній |
| 81 | 50-4605089 | Стяжка розкоса |
| 82 | А62010-А | Контрайка |
| 83 | 40-4605090-Б | Виделка розкоса |
| 84 | 45-4605059 | Гвинт стяжки задній |
| 85 | 40-4605098 | Кільця |
| 86 | 45-1604083 | Гайка М12 |
| 87 | 45-4605057 | Стяжка |
| 88 | Гайка М20 | Гайка М20 |
| 89 | 45-4605058 | Гвинт стяжки передній |
| 90 | А62030-Б | Сережки ланцюга |
| 91 | 40-4605066 | Палець |
| 92 | 40-4605061 | Палець зовнішнього важеля |
| 93 | 40-4605109 | Палець |
| 94 | 50-4605086 | Болт сережки |
| 95 | Маслянка I-А1 | |
| 96 | Шайба 20 | |
| 97 | Гайка М16 | |
| 98 | Н.110.000 | Зчеплення автоматичне СА-1 |
Онлайн оплата
Безналичный расчёт
Наличный расчёт
Наложенный платеж
Предоплата
Новая Почта(отделение)
Новая Почта(курьер)
САТ
Деливери
Самовывоз
Повернення і обмін
Відповідно до закону України «про захист прав споживачів» ви можете протягом 14 днів з моменту покупки повернути або обміняти товар, придбаний в магазині, за умови виконання всіх норм передбачених законом. Умови обміну / повернення товару належної якості стаття 9. Відповідно до закону України «про захист прав споживачів»: споживач має право обміняти непродовольчий товар належної якості на аналогічний у продавця, у якого він був придбаний, якщо товар не задовольнив його за формою, габаритами, фасоном, кольором, розміром або з інших причин не може бути ним використаний за призначенням. Споживач має право на обмін товару належної якості протягом чотирнадцяти днів, не рахуючи дня покупки. споживач (термін вживається в такому значенні згідно статті 1. п.22 закону України «про захист прав споживачів») – фізична особа, яка купує, замовляє, використовує або має намір придбати чи замовити продукцію для особистих потреб, не пов’язаних з підприємницькою діяльністю або виконанням обов’язків найманого працівника. обмін або повернення товару належної якості провадиться: якщо не використовувався; якщо збережено його товарний вигляд, споживчі властивості, пломби, ярлики; на підставі розрахунковий документ, виданий споживачеві разом з проданим товаром. умови обміну / повернення товару неналежної якості стаття 8. Згідно із законом України «про захист прав споживачів»: в разі виявлення протягом встановленого гарантійного строку недоліків споживач, в порядку та в строки, встановлені законодавством, має право вимагати безоплатного усунення недоліків товару в розумний строк. вимоги споживача, передбачених цією статтею, не підлягають задоволенню, якщо продавець, виробник (підприємство, що задовольняє вимоги споживача, встановлені частиною першою цієї статті) доведуть, що недоліки товару виникли внаслідок порушення споживачем правил користування товаром або його зберігання. Споживач має право брати участь у перевірці якості товару особисто або через свого представника.