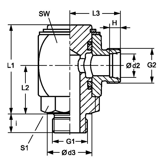
Соединение 1
Метрическая наружная резьба, цилиндрическая
Форма уплотнения 1
Форма E
Соединение 2
Метрическая наружная резьба, цилиндрическая
Форма уплотнения 2
Внутренний конус 24°
Модель
Поворотное резьбовое соединение (ввертное соединение)
Дополнение к модели
Подшипник скольжения
Конструкция
Угол 90°
Комплект поставки
Штуцер (без накидной гайки и режущего кольца)
Материал
Сталь
Защита поверхности
Гальваническое покрытие
| Наименование | Серия | Рабочее давление, бар | Ø d2 mm |
G1 | G2 | d3 mm |
i mm |
H mm |
L1 mm |
L2 mm |
L3 mm |
SW mm |
S1 |
|---|---|---|---|---|---|---|---|---|---|---|---|---|---|
| GVM 90 NW 04 HL H | L | PN 250 | 6 | M 10 x 1 | M 12 x 1,5 | 14 | 8 | 7.0 | 40 | 21 | 23 | 27 | 17 |
| GVM 90 NW 04 HL 12 H | L | PN 250 | 6 | M 12 x 1,5 | M 12 x 1,5 | 14 | 12 | 7.0 | 41 | 22 | 23 | 27 | 17 |
| GVM 90 NW 06 HL H | L | PN 250 | 8 | M 12 x 1,5 | M 14 x 1.5 | 17 | 12 | 7.0 | 41 | 22 | 23 | 27 | 19 |
| GVM 90 NW 08 HL H | L | PN 250 | 10 | M 14 x 1.5 | M 16 x 1.5 | 19 | 12 | 7.0 | 46 | 25 | 26 | 30 | 22 |
| GVM 90 NW 08 HL 16 H | L | PN 250 | 10 | M 16 x 1.5 | M 16 x 1.5 | 22 | 12 | 7.0 | 48 | 27 | 27 | 32 | 24 |
| GVM 90 NW 10 HL H | L | PN 250 | 12 | M 16 x 1.5 | M 18 x 1,5 | 22 | 12 | 7.0 | 48 | 27 | 27 | 32 | 24 |
| GVM 90 NW 10 HL 18 H | L | PN 250 | 12 | M 18 x 1,5 | M 18 x 1,5 | 24 | 12 | 7.0 | 55 | 30 | 29 | 36 | 27 |
| GVM 90 NW 13 HL H | L | PN 250 | 15 | M 18 x 1,5 | M 22 x 1.5 | 24 | 12 | 7.0 | 55 | 30 | 30 | 36 | 27 |
| GVM 90 NW 13 HL 22 H | L | PN 250 | 15 | M 22 x 1.5 | M 22 x 1.5 | 27 | 14 | 7.0 | 59 | 33 | 32 | 40 | 32 |
| GVM 90 NW 16 HL H | L | PN 160 | 18 | M 22 x 1.5 | M 26 x 1,5 | 27 | 14 | 7.5 | 59 | 33 | 32 | 40 | 32 |
| GVM 90 NW 20 HL H | L | PN 160 | 22 | M 26 x 1,5 | M 30 x 2 | 32 | 16 | 7.5 | 66 | 35 | 36 | 45 | 36 |
| GVM 90 NW 25 HL H | L | PN 100 | 28 | M 33 x 2 | M 36 x 2 | 40 | 18 | 7.5 | 78 | 41 | 41 | 55 | 41 |
| GVM 90 NW 32 HL H | L | PN 100 | 35 | M 42 x 2 | M 45 x 2 | 50 | 20 | 10.5 | 92 | 50 | 48 | 65 | 50 |
| GVM 90 NW 40 HL H | L | PN 100 | 42 | M 48 x 2 | M 52 x 2 | 55 | 22 | 11.0 | 102 | 56 | 53 | 75 | 55 |
| GVM 90 NW 03 HS H | S | PN 400 | 6 | M 12 x 1,5 | M 14 x 1.5 | 17 | 12 | 7.0 | 41 | 22 | 25 | 27 | 19 |
| GVM 90 NW 03 HS 14 H | S | PN 400 | 6 | M 14 x 1.5 | M 14 x 1.5 | 19 | 12 | 7.0 | 41 | 22 | 25 | 27 | 19 |
| GVM 90 NW 04 HS H | S | PN 400 | 8 | M 14 x 1.5 | M 16 x 1.5 | 19 | 12 | 7.0 | 41 | 22 | 25 | 27 | 19 |
| GVM 90 NW 06 HS 14 H | S | PN 400 | 10 | M 14 x 1.5 | M 18 x 1,5 | 19 | 12 | 7.5 | 46 | 25 | 27 | 30 | 22 |
| GVM 90 NW 06 HS H | S | PN 400 | 10 | M 16 x 1.5 | M 18 x 1,5 | 22 | 12 | 7.5 | 46 | 25 | 27 | 30 | 22 |
| GVM 90 NW 08 HS H | S | PN 400 | 12 | M 18 x 1,5 | M 20 x 1.5 | 24 | 12 | 7.5 | 48 | 27 | 28 | 32 | 24 |
| GVM 90 NW 10 HS 18 H | S | PN 400 | 14 | M 18 x 1,5 | M 22 x 1.5 | 24 | 14 | 8.0 | 55 | 30 | 32 | 36 | 27 |
| GVM 90 NW 10 HS H | S | PN 400 | 14 | M 20 x 1.5 | M 22 x 1.5 | 26 | 14 | 8.0 | 55 | 30 | 32 | 36 | 27 |
| GVM 90 NW 13 HS H | S | PN 400 | 16 | M 22 x 1.5 | M 24 x 1.5 | 27 | 14 | 8.5 | 59 | 33 | 34 | 40 | 32 |
| GVM 90 NW 16 HS H | S | PN 250 | 20 | M 27 x 2 | M 30 x 2 | 32 | 16 | 10.5 | 66 | 35 | 38 | 45 | 36 |
| GVM 90 NW 25 HS H | S | PN 160 | 30 | M 42 x 2 | M 42 x 2 | 50 | 20 | 13.5 | 92 | 51 | 52 | 65 | 50 |
| GVM 90 NW 32 HS H | S | PN 160 | 38 | M 48 x 2 | M 52 x 2 | 55 | 22 | 16.0 | 102 | 56 | 59 | 75 | 55 |
Безналичный расчёт
Предоплата
Новая Почта
Самовывоз
Интайм
Гюнсел