Каталог товаров

Поворотное резьбовое соединение, угол 90°, подшипник скольжения - GVR 90 H

нет в наличии
код: 678859676
1,00 грн. /шт
з 3 отзывов, 100% положительных
Регион: Украина, Киевская обл., Киев
Написать продавцу
Описание товара
Свойства

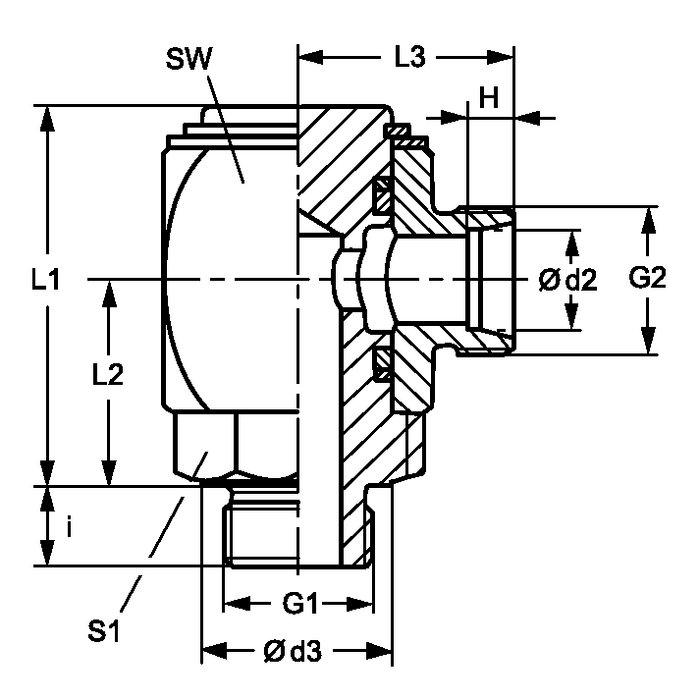
Соединение 1

Наружная резьба BSP, цилиндрическая

Форма уплотнения 1

Форма E

Соединение 2

Метрическая наружная резьба, цилиндрическая

Форма уплотнения 2

Внутренний конус 24°

Модель

Поворотное резьбовое соединение (ввертное соединение)

Дополнение к модели

Подшипник скольжения

Конструкция

Угол 90°

Комплект поставки

Штуцер (без накидной гайки и режущего кольца)

Материал

Сталь

Защита поверхности

Гальваническое покрытие


Изделие
Наименование Серия Рабочее давление, бар Ø d2
mm
G1 G2 d3
mm
i
mm
H
mm
L1
mm
L2
mm
L3
mm
SW
mm
S1
GVR 90 NW 04 HL H L PN 250 6 G 1/8" -28 M 12 x 1,5 14 8 7.0 40 21 23 27 17
GVR 90 NW 04 HL 1/4 H L PN 250 6 G 1/4" -19 M 12 x 1,5 19 12 7.0 41 22 23 27 19
GVR 90 NW 06 HL H L PN 250 8 G 1/4" -19 M 14 x 1.5 19 12 7.0 46 25 25 30 22
GVR 90 NW 08 HL H L PN 250 10 G 1/4" -19 M 16 x 1.5 19 12 7.0 46 25 26 30 22
GVR 90 NW 08 HL 3/8 H L PN 250 10 G 3/8" -19 M 16 x 1.5 22 12 7.0 48 27 27 32 24
GVR 90 NW 10 HL H L PN 250 12 G 3/8" -19 M 18 x 1,5 22 12 7.0 48 27 27 32 24
GVR 90 NW 10 HL 1/2 H L PN 250 12 G 1/2" -14 M 18 x 1,5 27 14 7.0 55 30 29 36 27
GVR 90 NW 13 HL H L PN 250 15 G 1/2" -14 M 22 x 1.5 27 14 7.0 59 33 32 40 32
GVR 90 NW 16 HL H L PN 160 18 G 1/2" -14 M 26 x 1,5 27 14 7.5 59 33 32 40 32
GVR 90 NW 16 HL 3/4 H L PN 160 18 G 3/4" -14 M 26 x 1,5 32 16 7.5 66 35 32 45 32
GVR 90 NW 20 HL H L PN 160 22 G 3/4" -14 M 30 x 2 32 16 7.5 66 35 36 45 36
GVR 90 NW 20 HL 1 H L PN 160 22 G 1" -11 M 30 x 2 40 18 7.5 78 41 36 55 36
GVR 90 NW 25 HL H L PN 100 28 G 1" -11 M 36 x 2 40 18 7.5 78 41 41 55 41
GVR 90 NW 32 HL 1 1/4 H L PN 100 35 G 1.1/4" -11 M 45 x 2 50 20 10.5 92 51 48 65 50
GVR 90 NW 40 HL H L PN 100 42 G 1.1/2" -11 M 52 x 2 55 22 11.0 102 56 53 75 55
GVR 90 NW 03 HS H S PN 400 6 G 1/4" -19 M 14 x 1.5 19 12 7.0 41 22 25 27 19
GVR 90 NW 04 HS H S PN 400 8 G 1/4" -19 M 16 x 1.5 19 12 7.0 41 22 25 27 19
GVR 90 NW 06 HS H S PN 400 10 G 3/8" -19 M 18 x 1,5 22 12 7.5 46 25 27 30 22
GVR 90 NW 06 HS 1/4 H S PN 400 10 G 1/4" -19 M 18 x 1,5 19 12 7.5 41 22 27 27 22
GVR 90 NW 08 HS H S PN 400 12 G 3/8" -19 M 20 x 1.5 22 12 7.5 48 27 28 32 24
GVR 90 NW 08 HS 1/2 H S PN 400 12 G 1/2" -14 M 20 x 1.5 27 14 7.5 55 30 27 36 24
GVR 90 NW 10 HS H S PN 400 14 G 1/2" -14 M 22 x 1.5 27 14 8.0 55 30 32 36 27
GVR 90 NW 13 HS H S PN 400 16 G 1/2" -14 M 24 x 1.5 27 14 8.5 59 33 34 40 32
GVR 90 NW 16 HS H S PN 250 20 G 3/4" -14 M 30 x 2 32 16 10.5 66 35 38 45 36
GVR 90 NW 20 HS 3/4 H S PN 250 25 G 3/4" -14 M 36 x 2 32 16 12.0 66 35 45 55 41
GVR 90 NW 20 HS H S PN 250 25 G 1" -11 M 36 x 2 40 18 12.0 78 41 45 55 41
GVR 90 NW 25 HS H S PN 250 30 G 1.1/4" -11 M 42 x 2 50 20 13.5 92 51 52 65 50
GVR 90 NW 32 HS H S PN 250 38 G 1.1/2" -11 M 52 x 2 55 22 16.0 102 56 59 75 55
читать дальше свернуть
Отзывы
3 отзывов
100% положительных
Oleg
16 июля 2020г. в 16:36
Крутые ребята! Работают очень оперативно!
Александр
13 июля 2020г. в 12:22
читать дальше свернуть
Варианты оплаты

Безналичный расчёт

Предоплата

Варианты доставки

Новая Почта

Самовывоз

Интайм

Гюнсел

читать дальше свернуть
Покупатели этого товара также интересовались

Вы просматривали

Сейчас ищут

Спецрахунок НБУ
Фонд "Повернись живим"
Фонд Сергія Притули
Пока не зарегистрированы?
Регистрация
Уже зарегистрированы? Войти
Уже зарегистрированы? Войти