Каталог товаров

Пресс-арматура, SFL, угол 90° - PA 700 SF 90

нет в наличии
код: 678856855
1,00 грн. /шт
з 3 отзывов, 100% положительных
Регион: Украина, Киевская обл., Киев
Написать продавцу
Описание товара
Свойства

Область применения

Прессуемая арматура для шлангов HD 400

Соединение 1

Фланцевое соединение SAE 3000 PSI

Форма уплотнения 1

Плоское уплотнение с кольцом круглого сечения SF

Сокращение

SFL

_____

ISO 6162-1
SAE J518

Способ заделки

С защитой от вырывания (Interlok)

Комплект поставки

Прессуемый ниппель + прессуемая обойма

Материал

Сталь

Защита поверхности

Гальваническое покрытие


Изделие
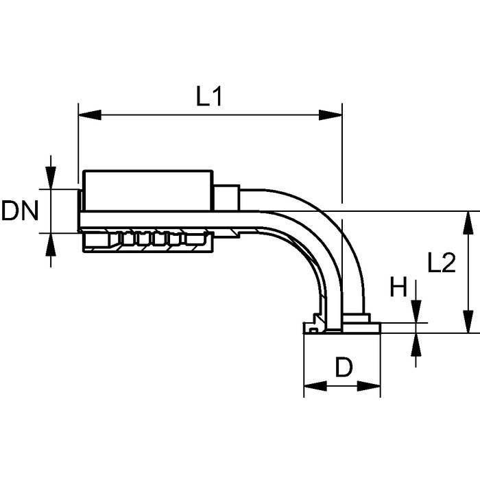
Наименование DN Размер Дюймы Размер фланца Рабочее давление
bar
D
mm
H
mm
L1
mm
L2
mm
PA 713 SF 90 12 8 1/2" 1/2" 350.0 30.2 6.7 85.9 45.0
PA 713 SF 20 90 12 8 1/2" 3/4" 350.0 38.1 6.7 96.0 51.0
PA 720 SF 90 19 12 3/4" 3/4" 350.0 38.1 6.8 127.5 58.0
PA 720 SF 90 L 95 19 12 3/4" 3/4" 350.0 38.1 6.8 127.5 95.0
PA 720 SF 90 L 100 19 12 3/4" 3/4" 350.0 38.1 6.8 127.5 100.0
PA 720 SF 90 L 120 19 12 3/4" 3/4" 350.0 38.1 6.8 127.5 120.0
PA 720 SF 25 90 19 12 3/4" 1" - 44.5 8.1 127.5 61.0
PA 720 SF 25 90 L 82 19 12 3/4" 1" 320.0 44.5 8.1 127.5 82.0
PA 725 SF 20 90 25 16 1" 3/4" 320.0 38.1 6.8 144.0 64.5
PA 725 SF 90 25 16 1" 1" 320.0 44.5 8.1 158.0 67.0
PA 725 SF 32 90 25 16 1" 1.1/4" 280.0 50.8 8.1 158.0 69.5
PA 732 SF 25 90 31 20 1.1/4" 1" - 44.5 8.1 163.0 75.0
PA 732 SF 25 90 S 31 20 1.1/4" 1" 280.0 44.5 8.0 162.0 76.0
PA 732 SF 90 31 20 1.1/4" 1.1/4" 280.0 50.8 8.1 180.5 79.5
PA 732 SF 90 S 31 20 1.1/4" 1.1/4" 280.0 50.8 8.0 173.0 88.0
PA 732 SF 40 90 31 20 1.1/4" 1.1/2" 280.0 60.3 8.1 182.0 87.0
PA 732 SF 40 90 S 31 20 1.1/4" 1.1/2" 210.0 60.3 8.0 177.0 95.0
PA 740 SF 32 90 38 24 1.1/2" 1.1/4" 210.0 50.8 8.1 190.5 93.0
PA 740 SF 90 38 24 1.1/2" 1.1/2" 210.0 60.3 8.1 208.5 99.0
PA 740 SF 50 90 38 24 1.1/2" 2" 210.0 71.4 9.6 218.0 104.0
читать дальше свернуть
Отзывы
3 отзывов
100% положительных
Oleg
16 июля 2020г. в 16:36
Крутые ребята! Работают очень оперативно!
Александр
13 июля 2020г. в 12:22
читать дальше свернуть
Варианты оплаты

Безналичный расчёт

Предоплата

Варианты доставки

Новая Почта

Самовывоз

Интайм

Гюнсел

читать дальше свернуть
Покупатели этого товара также интересовались

Вы просматривали

Сейчас ищут

Спецрахунок НБУ
Фонд "Повернись живим"
Фонд Сергія Притули
Пока не зарегистрированы?
Регистрация
Уже зарегистрированы? Войти
Уже зарегистрированы? Войти