Модель
Прецизионная стальная труба, метрическая
_____
DIN EN 10305-4
Материал
Сталь ST 37.4 NBK (1.0255)
Защита поверхности
Гальваническое покрытие
Длина трубы
6 метров
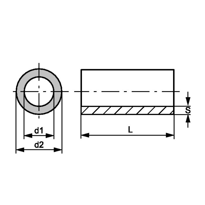
| Наименование | Ø d2 mm |
Допуск Дн +/- mm |
Ø d1 mm |
S mm |
Вариант нагрузки I bar |
Вариант нагрузки III bar |
|---|---|---|---|---|---|---|
| PR 04-1 VZ | 4.0 | 0.08 | 2.0 | 1.00 | 602 | 484 |
| PR 05-0.75 VZ | 5.0 | 0.08 | 2.5 | 0.75 | 325 | 282 |
| PR 05-1 VZ | 5.0 | 0.08 | 3.0 | 1.00 | 482 | 400 |
| PR 06-0.75 VZ | 6.0 | 0.08 | 4.5 | 0.75 | 286 | 251 |
| PR 06-1 VZ | 6.0 | 0.08 | 4.0 | 1.00 | 416 | 352 |
| PR 06-1.5 VZ | 6.0 | 0.08 | 3.0 | 1.50 | 663 | 524 |
| PR 06-2 VZ | 6.0 | 0.08 | 2.0 | 2.00 | 924 | 683 |
| PR 08-1 VZ | 8.0 | 0.08 | 6.0 | 1.00 | 320 | 278 |
| PR 08-1.5 VZ | 8.0 | 0.08 | 5.0 | 1.50 | 516 | 424 |
| PR 08-2 VZ | 8.0 | 0.08 | 4.0 | 2.00 | 693 | 543 |
| PR 10-1 VZ | 10.0 | 0.08 | 8.0 | 1.00 | 263 | 232 |
| PR 10-1.5 VZ | 10.0 | 0.08 | 7.0 | 1.50 | 407 | 345 |
| PR 10-2 VZ | 10.0 | 0.08 | 6.0 | 2.00 | 554 | 451 |
| PR 10-2.5 VZ | 10.0 | 0.08 | 5.0 | 2.50 | 711 | 555 |
| PR 12-1 VZ | 12.0 | 0.08 | 10.0 | 1.00 | 219 | 196 |
| PR 12-1.5 VZ | 12.0 | 0.08 | 9.0 | 1.50 | 344 | 297 |
| PR 12-2 VZ | 12.0 | 0.08 | 8.0 | 2.00 | 469 | 391 |
| PR 12-2.5 VZ | 12.0 | 0.08 | 7.0 | 2.50 | 592 | 477 |
| PR 14-1.5 VZ | 14.0 | 0.08 | 11.0 | 1.50 | 299 | 262 |
| PR 14-2 VZ | 14.0 | 0.08 | 10.0 | 2.00 | 407 | 345 |
| PR 14-2.5 VZ | 14.0 | 0.08 | 9.0 | 2.50 | 514 | 423 |
| PR 15-1 VZ | 15.0 | 0.08 | 13.0 | 1.00 | 175 | 159 |
| PR 15-1.5 VZ | 15.0 | 0.08 | 12.0 | 1.50 | 279 | 246 |
| PR 15-2 VZ | 15.0 | 0.08 | 11.0 | 2.00 | 380 | 324 |
| PR 15-2.5 VZ | 15.0 | 0.08 | 10.0 | 2.50 | 480 | 398 |
| PR 16-1 VZ | 16.0 | - | 14.0 | 1.00 | - | - |
| PR 16-1.5 VZ | 16.0 | 0.08 | 13.0 | 1.50 | 262 | 231 |
| PR 16-2 VZ | 16.0 | 0.08 | 12.0 | 2.00 | 346 | 298 |
| PR 16-2.5 VZ | 16.0 | 0.08 | 11.0 | 2.50 | 450 | 377 |
| PR 18-1 VZ | 18.0 | 0.08 | 16.0 | 1.00 | 146 | 133 |
| PR 18-1.5 VZ | 18.0 | 0.08 | 15.0 | 1.50 | 233 | 207 |
| PR 18-2 VZ | 18.0 | - | 14.0 | 2.00 | 320 | 278 |
| PR 18-2.5 VZ | 18.0 | 0.08 | 13.0 | 2.50 | 395 | 335 |
| PR 20-1.5 VZ | 20.0 | 0.08 | 17.0 | 1.50 | 209 | 188 |
| PR 20-2 VZ | 20.0 | 0.08 | 16.0 | 2.00 | 288 | 252 |
| PR 20-2.5 VZ | 20.0 | 0.08 | 15.0 | 2.50 | 355 | 305 |
| PR 20-3 VZ | 20.0 | 0.08 | 14.0 | 3.00 | 433 | 364 |
| PR 20-3.5 VZ | 20.0 | 0.08 | 13.0 | 3.50 | 512 | 421 |
| PR 22-1.5 VZ | 22.0 | 0.08 | 19.0 | 1.50 | 190 | 172 |
| PR 22-2 VZ | 22.0 | 0.08 | 18.0 | 2.00 | 262 | 231 |
| PR 22-2.5 VZ | 22.0 | 0.08 | 17.0 | 2.50 | 333 | 288 |
| PR 25-1.5 VZ | 25.0 | 0.08 | 22.0 | 1.50 | 167 | 152 |
| PR 25-2 VZ | 25.0 | 0.08 | 21.0 | 2.00 | 230 | 205 |
| PR 25-2.5 VZ | 25.0 | 0.08 | 20.0 | 2.50 | 293 | 256 |
| PR 25-3 VZ | 25.0 | 0.08 | 19.0 | 3.00 | 347 | 299 |
| PR 25-3.5 VZ | 25.0 | - | 18.0 | 3.50 | - | - |
| PR 25-4 VZ | 25.0 | 0.08 | 17.0 | 4.00 | 472 | 393 |
| PR 28-1.5 VZ | 28.0 | 0.08 | 25.0 | 1.50 | 149 | 136 |
| PR 28-2 VZ | 28.0 | 0.08 | 24.0 | 2.00 | 205 | 184 |
| PR 28-2.5 VZ | 28.0 | 0.08 | 23.0 | 2.50 | 261 | 231 |
| PR 28-3 VZ | 28.0 | 0.08 | 22.0 | 3.00 | 309 | 270 |
| PR 30-2.5 VZ | 30.0 | 0.08 | 25.0 | 2.50 | 244 | 217 |
| PR 30-3 VZ | 30.0 | 0.08 | 24.0 | 3.00 | 289 | 253 |
| PR 30-4 VZ | 30.0 | 0.08 | 22.0 | 4.00 | 393 | 334 |
| PR 30-5 VZ | 30.0 | 0.08 | 20.0 | 5.00 | 498 | 411 |
| PR 35-1.5 VZ | 35.0 | 0.08 | 32.0 | 1.50 | 119 | 110 |
| PR 35-2 VZ | 35.0 | 0.15 | 31.0 | 2.00 | 152 | 138 |
| PR 35-3 VZ | 35.0 | 0.15 | 29.0 | 3.00 | 241 | 214 |
| PR 35-4 VZ | 35.0 | 0.15 | 27.0 | 4.00 | 331 | 286 |
| PR 38-2 VZ | 38.0 | 0.15 | 34.0 | 2.00 | 140 | 128 |
| PR 38-2.5 VZ | 38.0 | 0.15 | 23.0 | 2.50 | 181 | 163 |
| PR 38-3 VZ | 38.0 | 0.15 | 32.0 | 3.00 | 222 | 198 |
| PR 38-4 VZ | 38.0 | 0.15 | 30.0 | 4.00 | 305 | 266 |
| PR 38-5 VZ | 38.0 | 0.15 | 28.0 | 5.00 | 387 | 330 |
| PR 38-6 VZ | 38.0 | 0.15 | 26.0 | 6.00 | 469 | 391 |
| PR 42-2 VZ | 42.0 | 0.20 | 38.0 | 2.00 | 119 | 109 |
| PR 42-3 VZ | 42.0 | 0.20 | 36.0 | 3.00 | 193 | 174 |
Безналичный расчёт
Предоплата
Новая Почта
Самовывоз
Интайм
Гюнсел