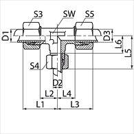
| Соединение 1 - 3 | Метрическая наружная резьба, цилиндрическая |
| Форма уплотнения 1 - 3 | Внутренний конус 24° |
| Модель | Редукционное резьбовое соединение |
| Конструкция | T-образная форма |
| Норма | ISO 8434-1 |
| Комплект поставки | Штуцер с накидной гайкой и режущим кольцом |
| Материал | Сталь |
| Защита поверхности | Гальваническое покрытие |
Сортировать с восходящем порядке
Сортировать с нисходящем порядке
| Серия | Рабочее давление, бар | S3 | S4 | S5 | |||||||||||
|---|---|---|---|---|---|---|---|---|---|---|---|---|---|---|---|
| RT 04 08 04 LL | LL | PN 100 | 4 | 8 | 4 | 23 | 13,0 | 23 | 13,0 | 23,0 | 11,5 | 12 | 10 | 14 | 10 |
| RT 06 04 06 LL | LL | PN 100 | 6 | 4 | 6 | 21 | 9,5 | 21 | 9,5 | 21,0 | 11,0 | 11 | 12 | 10 | 12 |
| RT NW 04 06 04 HL | L | PN 315 | 6 | 8 | 6 | 26 | 11,0 | 26 | 11,0 | 29,0 | 14,0 | 14 | 14 | 17 | 14 |
| RT NW 04 08 04 HL | L | PN 315 | 6 | 10 | 6 | 30 | 15,0 | 30 | 15,0 | 30,0 | 15,0 | 17 | 14 | 19 | 14 |
| RT NW 06 04 06 HL | L | PN 315 | 8 | 6 | 8 | 29 | 14,0 | 29 | 14,0 | 29,0 | 14,0 | 14 | 17 | 14 | 17 |
| RT NW 06 06 04 HL | L | PN 315 | 8 | 8 | 6 | 29 | 14,0 | 29 | 14,0 | 29,0 | 14,0 | 14 | 17 | 17 | 14 |
| RT NW 06 08 06 HL | L | PN 315 | 8 | 10 | 8 | 30 | 15,0 | 30 | 15,0 | 30,0 | 15,0 | 17 | 17 | 19 | 17 |
| RT NW 06 10 06 HL | L | PN 315 | 8 | 12 | 8 | 32 | 17,0 | 32 | 17,0 | 32,0 | 17,0 | 19 | 17 | 22 | 17 |
| RT NW 06 13 06 HL | L | PN 315 | 8 | 15 | 8 | 32 | 17,0 | 32 | 17,0 | 30,0 | 15,0 | 19 | 17 | 27 | 17 |
| RT NW 08 04 08 HL | L | PN 315 | 10 | 6 | 10 | 30 | 15,0 | 30 | 15,0 | 30,0 | 15,0 | 17 | 19 | 14 | 19 |
| RT NW 08 06 06 HL | L | PN 315 | 10 | 8 | 8 | 30 | 15,0 | 30 | 15,0 | 30,0 | 15,0 | 17 | 19 | 17 | 17 |
| RT NW 08 06 08 HL | L | PN 315 | 10 | 8 | 10 | 30 | 15,0 | 30 | 15,0 | 30,0 | 15,0 | 17 | 19 | 17 | 19 |
| RT NW 08 08 04 HL | L | PN 315 | 10 | 10 | 6 | 30 | 15,0 | 30 | 15,0 | 30,0 | 15,0 | 17 | 19 | 19 | 14 |
| RT NW 08 10 08 HL | L | PN 315 | 10 | 12 | 10 | 32 | 19,0 | 32 | 19,0 | 32,0 | 15,0 | 17 | 19 | 22 | 19 |
| RT NW 08 13 08 HL | L | PN 315 | 10 | 15 | 10 | 36 | 21,0 | 36 | 21,0 | 36,0 | 21,0 | 19 | 19 | 27 | 19 |
| RT NW 10 04 10 HL | L | PN 315 | 12 | 6 | 12 | 32 | 17,0 | 32 | 17,0 | 32,0 | 17,0 | 19 | 22 | 14 | 22 |
| RT NW 10 06 06 HL | L | PN 315 | 12 | 8 | 8 | 32 | 17,0 | 32 | 17,0 | 32,0 | 17,0 | 19 | 22 | 17 | 17 |
| RT NW 10 06 10 HL | L | PN 315 | 12 | 8 | 12 | 32 | 17,0 | 32 | 17,0 | 32,0 | 17,0 | 19 | 22 | 17 | 22 |
| RT NW 10 08 08 HL | L | PN 315 | 12 | 10 | 10 | 32 | 17,0 | 32 | 17,0 | 32,0 | 17,0 | 19 | 22 | 19 | 19 |
| RT NW 10 08 10 HL | L | PN 315 | 12 | 10 | 12 | 32 | 17,0 | 32 | 17,0 | 32,0 | 17,0 | 19 | 22 | 19 | 22 |
| RT NW 10 10 06 HL | L | PN 315 | 12 | 12 | 8 | 32 | 17,0 | 32 | 17,0 | 32,0 | 17,0 | 19 | 22 | 22 | 17 |
| RT NW 10 10 08 HL | L | PN 315 | 12 | 12 | 10 | 32 | 17,0 | 32 | 17,0 | 32,0 | 17,0 | 19 | 22 | 22 | 19 |
| RT NW 10 13 10 HL | L | PN 315 | 12 | 15 | 12 | 36 | 21,0 | 36 | 21,0 | 36,0 | 21,0 | 19 | 22 | 27 | 22 |
| RT NW 10 16 10 HL | L | PN 315 | 12 | 18 | 12 | 39 | 24,0 | 39 | 24,0 | 40,0 | 23,5 | 24 | 22 | 32 | 22 |
| RT NW 10 20 10 HL | L | PN 160 | 12 | 22 | 12 | 39 | 24,0 | 39 | 24,0 | 40,0 | 21,0 | 24 | 22 | 36 | 22 |
| RT NW 13 04 13 HL | L | PN 315 | 15 | 6 | 15 | 36 | 21,0 | 36 | 21,0 | 36,0 | 21,0 | 19 | 27 | 14 | 27 |
| RT NW 13 06 06 HL | L | PN 315 | 15 | 8 | 8 | 36 | 21,0 | 36 | 21,0 | 36,0 | 21,0 | 19 | 27 | 17 | 17 |
| RT NW 13 06 13 HL | L | PN 315 | 15 | 8 | 15 | 36 | 21,0 | 36 | 21,0 | 36,0 | 21,0 | 19 | 27 | 17 | 27 |
| RT NW 13 08 06 HL | L | PN 315 | 15 | 10 | 8 | 36 | 21,0 | 36 | 21,0 | 36,0 | 21,0 | 19 | 27 | 19 | 17 |
| RT NW 13 08 08 HL | L | PN 315 | 15 | 10 | 10 | 36 | 21,0 | 36 | 21,0 | 36,0 | 21,0 | 19 | 27 | 19 | 19 |
| RT NW 13 08 13 HL | L | PN 315 | 15 | 10 | 15 | 36 | 21,0 | 36 | 21,0 | 36,0 | 21,0 | 19 | 27 | 19 | 27 |
| RT NW 13 10 10 HL | L | PN 315 | 15 | 12 | 12 | 36 | 21,0 | 36 | 21,0 | 36,0 | 21,0 | 19 | 27 | 22 | 22 |
| RT NW 13 10 13 HL | L | PN 315 | 15 | 12 | 15 | 36 | 21,0 | 36 | 21,0 | 36,0 | 21,0 | 19 | 27 | 22 | 27 |
| RT NW 13 13 08 HL | L | PN 315 | 15 | 15 | 10 | 36 | 21,0 | 36 | 21,0 | 36,0 | 21,0 | 19 | 27 | 27 | 19 |
| RT NW 13 13 10 HL | L | PN 315 | 15 | 15 | 12 | 36 | 21,0 | 36 | 21,0 | 36,0 | 21,0 | 19 | 27 | 27 | 22 |
| RT NW 13 16 13 HL | L | PN 315 | 15 | 18 | 15 | 39 | 24,0 | 39 | 24,0 | 40,0 | 23,5 | 24 | 27 | 32 | 27 |
| RT NW 16 06 06 HL | L | PN 315 | 18 | 8 | 8 | 39 | 24,0 | 39 | 24,0 | 40,0 | 23,5 | 24 | 32 | 17 | 17 |
| RT NW 16 06 16 HL | L | PN 315 | 18 | 8 | 18 | 40 | 23,5 | 40 | 23,5 | 39,0 | 24,0 | 24 | 32 | 17 | 32 |
| RT NW 16 08 08 HL | L | PN 315 | 18 | 10 | 10 | 39 | 23,5 | 39 | 24,0 | 39,0 | 24,0 | 24 | 32 | 19 | 19 |
| RT NW 16 08 16 HL | L | PN 315 | 18 | 10 | 18 | 40 | 23,5 | 40 | 23,5 | 39,0 | 24,0 | 24 | 32 | 19 | 32 |
| RT NW 16 10 10 HL | L | PN 315 | 18 | 12 | 12 | 39 | 23,5 | 39 | 24,0 | 39,0 | 24,0 | 24 | 32 | 22 | 22 |
| RT NW 16 10 16 HL | L | PN 315 | 18 | 12 | 18 | 40 | 23,5 | 40 | 23,5 | 39,0 | 24,0 | 24 | 32 | 22 | 32 |
| RT NW 16 13 16 HL | L | PN 315 | 18 | 15 | 18 | 40 | 23,5 | 40 | 23,5 | 39,0 | 24,0 | 24 | 32 | 27 | 32 |
| RT NW 16 16 06 HL | L | PN 315 | 18 | 18 | 8 | 40 | 23,5 | 40 | 23,5 | 39,0 | 24,0 | 24 | 32 | 32 | 17 |
| RT NW 16 16 08 HL | L | PN 315 | 18 | 18 | 10 | 39 | 23,5 | 39 | 24,0 | 40,0 | 23,5 | 24 | 32 | 32 | 19 |
| RT NW 16 16 10 HL | L | PN 315 | 18 | 18 | 12 | 39 | 23,5 | 39 | 24,0 | 40,0 | 23,5 | 27 | 32 | 32 | 22 |
| RT NW 20 08 20 HL | L | PN 160 | 22 | 10 | 22 | 44 | 27,5 | 44 | 27,5 | 43,0 | 28,0 | 27 | 36 | 19 | 36 |
| RT NW 20 10 20 HL | L | PN 160 | 22 | 12 | 22 | 44 | 27,5 | 44 | 27,5 | 43,0 | 28,0 | 27 | 36 | 22 | 36 |
| RT NW 20 13 13 HL | L | PN 160 | 22 | 15 | 15 | 43 | 27,5 | 43 | 28,0 | 43,0 | 28,0 | 27 | 36 | 27 | 27 |
| RT NW 20 13 20 HL | L | PN 160 | 22 | 15 | 22 | 44 | 27,5 | 44 | 27,5 | 43,0 | 28,0 | 27 | 36 | 27 | 36 |
| RT NW 20 16 16 HL | L | PN 160 | 22 | 18 | 18 | 44 | 27,5 | 44 | 27,5 | 44,0 | 27,5 | 27 | 36 | 32 | 32 |
| RT NW 20 16 20 HL | L | PN 160 | 22 | 18 | 22 | 44 | 27,5 | 44 | 27,5 | 44,0 | 27,5 | 27 | 36 | 32 | 36 |
| RT NW 20 20 16 HL | L | PN 160 | 22 | 22 | 18 | 44 | 27,5 | 44 | 27,5 | 44,0 | 27,5 | 27 | 36 | 36 | 32 |
| RT NW 20 25 20 HL | L | PN 160 | 22 | 28 | 22 | 47 | 30,5 | 47 | 30,5 | 47,0 | 30,5 | 36 | 36 | 41 | 36 |
| RT NW 25 08 25 HL | L | PN 160 | 28 | 10 | 28 | 47 | 30,5 | 47 | 30,5 | 46,0 | 31,0 | 36 | 41 | 19 | 41 |
| RT NW 25 10 25 HL | L | PN 160 | 28 | 12 | 28 | 47 | 30,5 | 47 | 30,5 | 46,0 | 31,0 | 36 | 41 | 22 | 41 |
| RT NW 25 13 25 HL | L | PN 160 | 28 | 15 | 28 | 47 | 30,5 | 47 | 30,5 | 46,0 | 31,0 | 36 | 41 | 27 | 41 |
| RT NW 25 16 25 HL | L | PN 160 | 28 | 18 | 28 | 47 | 30,5 | 47 | 30,5 | 47,0 | 30,5 | 36 | 41 | 32 | 41 |
| RT NW 25 20 20 HL | L | PN 160 | 28 | 22 | 22 | 47 | 30,5 | 47 | 30,5 | 47,0 | 30,5 | 36 | 41 | 36 | 36 |
| RT NW 25 20 25 HL | L | PN 160 | 28 | 22 | 28 | 47 | 30,5 | 47 | 30,5 | 47,0 | 30,5 | 36 | 41 | 36 | 41 |
| RT NW 25 25 20 HL | L | PN 160 | 28 | 28 | 22 | 47 | 30,5 | 47 | 30,5 | 47,0 | 30,5 | 36 | 41 | 41 | 36 |
| RT NW 32 20 32 HL | L | PN 160 | 35 | 22 | 35 | 56 | 34,5 | 56 | 34,5 | 54,0 | 37,5 | 41 | 50 | 36 | 50 |
| RT NW 32 25 25 HL | L | PN 160 | 35 | 28 | 28 | 56 | 34,5 | 56 | 37,5 | 54,0 | 37,5 | 41 | 50 | 41 | 41 |
| RT NW 32 25 32 HL | L | PN 160 | 35 | 28 | 35 | 56 | 34,5 | 56 | 34,5 | 54,0 | 37,5 | 41 | 50 | 41 | 50 |
| RT NW 16 HL 16 HS | L / S | PN 315 | 20 | 18 | 20 | 48 | 26,5 | 48 | 26,5 | 40,0 | 23,5 | 27 | 36 | 32 | 36 |
| RT NW 04 03 04 HS | S | PN 630 | 8 | 6 | 8 | 32 | 16,5 | 32 | 16,5 | 33,0 | 18,0 | 19 | 19 | 17 | 19 |
| RT NW 06 03 06 HS | S | PN 630 | 10 | 6 | 10 | 34 | 17,5 | 34 | 17,5 | 33,0 | 18,0 | 19 | 22 | 17 | 22 |
| RT NW 08 03 08 HS | S | PN 630 | 12 | 6 | 12 | 38 | 21,5 | 38 | 21,5 | 37,0 | 22,0 | 22 | 24 | 17 | 24 |
| RT NW 08 04 04 HS | S | PN 630 | 12 | 8 | 8 | 37 | 21,5 | 37 | 22,0 | 37,0 | 22,0 | 22 | 24 | 19 | 19 |
| RT NW 08 04 08 HS | S | PN 630 | 12 | 8 | 12 | 38 | 21,5 | 38 | 21,5 | 37,0 | 22,0 | 22 | 24 | 19 | 24 |
| RT NW 08 06 08 HS | S | PN 630 | 12 | 10 | 12 | 38 | 21,5 | 38 | 21,5 | 38,0 | 21,5 | 22 | 24 | 22 | 24 |
| RT NW 08 13 08 HS | S | PN 400 | 12 | 16 | 12 | 42 | 25,5 | 42 | 25,5 | 43,0 | 24,5 | 24 | 24 | 30 | 24 |
| RT NW 10 06 10 HS | S | PN 630 | 14 | 10 | 14 | 40 | 22,0 | 40 | 22,0 | 39,0 | 22,5 | 19 | 27 | 22 | 27 |
| RT NW 13 03 13 HS | S | PN 400 | 16 | 6 | 16 | 43 | 24,5 | 43 | 24,5 | 41,0 | 26,0 | 24 | 30 | 17 | 30 |
| RT NW 13 04 13 HS | S | PN 400 | 16 | 8 | 16 | 43 | 24,5 | 43 | 24,5 | 41,0 | 26,0 | 24 | 30 | 19 | 30 |
| RT NW 13 06 13 HS | S | PN 400 | 16 | 10 | 16 | 43 | 24,5 | 43 | 24,5 | 42,0 | 25,5 | 24 | 30 | 22 | 30 |
| RT NW 13 08 13 HS | S | PN 400 | 16 | 12 | 16 | 43 | 24,5 | 43 | 24,5 | 42,0 | 25,5 | 24 | 30 | 24 | 30 |
| RT NW 13 16 13 HS | S | PN 400 | 16 | 20 | 16 | 48 | 28,5 | 48 | 28,5 | 48,0 | 26,5 | 27 | 30 | 36 | 30 |
| RT NW 16 06 16 HS | S | PN 400 | 20 | 10 | 20 | 48 | 26,5 | 48 | 26,5 | 46,0 | 29,5 | 27 | 36 | 22 | 36 |
| RT NW 16 08 16 HS | S | PN 400 | 20 | 12 | 20 | 48 | 26,5 | 48 | 26,5 | 46,0 | 29,5 | 27 | 36 | 24 | 36 |
| RT NW 16 10 16 HS | S | PN 400 | 20 | 14 | 20 | 48 | 26,5 | 48 | 26,5 | 46,0 | 29,5 | 27 | 36 | 30 | 36 |
| RT NW 16 13 16 HS | S | PN 400 | 20 | 16 | 20 | 48 | 26,5 | 48 | 26,5 | 47,0 | 28,5 | 27 | 36 | 30 | 36 |
| RT NW 16 16 20 HS | S | PN 400 | 20 | 20 | 25 | 48 | 26,5 | 48 | 26,5 | 47,0 | 28,5 | 32 | 36 | 36 | 46 |
| RT NW 16 20 16 HS | S | PN 400 | 20 | 25 | 20 | 53 | 31,5 | 53 | 31,5 | 54,0 | 30,0 | 36 | 36 | 46 | 36 |
| RT NW 20 13 20 HS | S | PN 400 | 25 | 16 | 25 | 54 | 30,0 | 54 | 30,0 | 52,0 | 33,5 | 36 | 46 | 30 | 46 |
| RT NW 20 16 20 HS | S | PN 400 | 25 | 20 | 25 | 54 | 31,0 | 54 | 30,0 | 53,0 | 31,5 | 36 | 46 | 36 | 46 |
| RT NW 20 25 20 HS | S | PN 400 | 25 | 30 | 25 | 61 | 37,0 | 61 | 37,0 | 62,0 | 35,5 | 41 | 46 | 50 | 46 |
| RT NW 25 13 25 HS | S | PN 400 | 30 | 16 | 30 | 62 | 35,5 | 62 | 35,5 | 59,0 | 40,5 | 41 | 46 | 30 | 50 |
| RT NW 25 16 25 HS | S | PN 400 | 30 | 20 | 30 | 62 | 35,5 | 62 | 35,5 | 60,0 | 38,5 | 41 | 50 | 36 | 50 |
| RT NW 25 20 25 HS | S | PN 400 | 30 | 25 | 30 | 62 | 35,5 | 62 | 35,5 | 61,0 | 37,0 | 41 | 50 | 46 | 50 |
Безналичный расчёт
Предоплата
Новая Почта
Самовывоз
Интайм
Гюнсел