Каталог товаров

Самоуплотняющееся кольцо, центрированное 08BS9 - 08BS 9

нет в наличии
код: 678882741
1,00 грн. /шт
з 3 отзывов, 100% положительных
Регион: Украина, Киевская обл., Киев
Написать продавцу
Описание товара
Свойства

Модель

Самоуплотняющаяся прокладка

Дополнение к модели

с самоцентрированием

Температура min.

-30 °C

Температура макс.

110 °C

Монтаж

винты и соединительные элементы

Материал

(1) Нитрильный каучук
(2) кадмированная или пассивированная углеродистая сталь


Описание

отличная герметичность
многочисленные возможности применения в статических и динамических областях, перекручивание при вращательных движениях невозможно
многочисленные возможности применения в зависимости от производственного материала.
предусмотрен для метрической резьбы, резьбы Витворта, цилиндрической резьбы BSP.


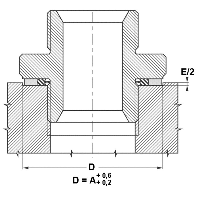
Изделие
Наименование Для резьбы для резьбы A
mm
B
mm
C
mm
E
mm
Давление PB
bar
08BS 920 - 3/8 дюйма 15.88 11.84 10.37 2.10 1500
08BS 921 - 1/2 дюйма 20.57 15.21 13.74 2.10 1550
08BS 923 - - 23.80 18.75 17.28 2.10 1260
08BS 925 - 13/16 дюйма 28.58 23.10 21.54 2.40 1150
08BS 926 - 7/8 дюйма 31.75 24.97 23.49 2.40 1250
08BS 927 - 1 дюйм 34.93 28.53 27.05 2.40 1060
08BS 929 - 1.3/16 дюйма 38.10 32.29 30.81 2.40 900
08BS 930 - 1.5/16 дюйма 42.80 36.88 33.89 3.40 790
08BS 932 - 1.5/8 дюйма 52.38 45.93 42.93 3.40 690
08BS 933 - 1.7/8 дюйма 58.60 51.39 48.44 3.40 690
08BS 936 - - 73.03 63.63 60.53 3.40 700
08BS 938 - - 79.50 69.98 66.68 3.25 670
08BS 939 - - 90.30 79.38 76.08 3.25 680
08BS 9202 M 4 - 7.00 5.40 4.50 1.00 1270
08BS 9204 M 5 - 10.00 7.40 5.70 1.00 1510
08BS 9203 M 5 - 9.00 6.80 5.70 1.00 1400
08BS 9206 M 6 - 10.00 8.00 6.70 1.00 1130
08BS 9207 M 6 - 11.00 8.20 6.70 1.00 1510
08BS 9212 M 8 - 13.00 10.00 8.70 1.00 1330
08BS 9213 M 8 - 14.00 10.40 8.70 1.00 1550
08BS 9215 M 9 - 13.30 10.50 9.30 1.00 1200
08BS 9216 M 10 - 16.00 12.00 10.35 2.00 1470
08BS 9217 M 10 - 16.00 12.40 10.70 1.50 1350
08BS 9218 M 10 - 18.00 12.40 10.70 1.50 1880
08BS 9221 M 11 - 19.10 13.50 11.80 1.50 1250
08BS 9222 M 12 - 18.00 14.40 12.70 1.50 1250
08BS 9225 M 13 - 22.00 15.40 13.70 1.50 1810
08BS 9227 M 14 - 22.00 16.40 14.70 1.50 1510
08BS 9229 M 16 - 24.00 18.40 16.70 1.50 1400
08BS 9230 M 17 - 24.00 19.20 17.40 1.50 1150
08BS 9232 M 18 - 26.00 20.40 18.70 1.50 1275
08BS 9233 M 20 - 28.00 22.40 20.70 1.50 1150
08BS 9236 M 22 - 30.00 24.40 22.70 2.00 1100
08BS 9238 M 24 - 32.00 26.40 24.70 2.00 1050
08BS 9239 M 26 - 35.00 28.40 26.70 2.00 1050
08BS 9240 M 27 - 36.00 29.00 27.70 2.00 1130
08BS 9243 M 33 - 42.00 35.80 33.70 2.00 900
08BS 9245 M 36 - 46.00 38.80 36.70 2.00 890
читать дальше свернуть
Отзывы
3 отзывов
100% положительных
Oleg
16 июля 2020г. в 16:36
Крутые ребята! Работают очень оперативно!
Александр
13 июля 2020г. в 12:22
читать дальше свернуть
Варианты оплаты

Безналичный расчёт

Предоплата

Варианты доставки

Новая Почта

Самовывоз

Интайм

Гюнсел

читать дальше свернуть
Покупатели этого товара также интересовались

Вы просматривали

Сейчас ищут

Спецрахунок НБУ
Фонд "Повернись живим"
Фонд Сергія Притули
Пока не зарегистрированы?
Регистрация
Уже зарегистрированы? Войти
Уже зарегистрированы? Войти