Каталог товаров

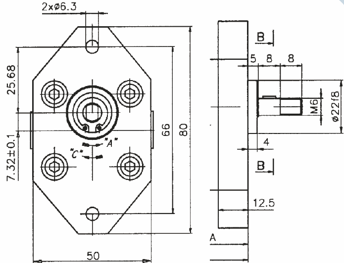
Шестеренчатый (шестерной) гидравлический насос Hydro-pack H 00A/C0.25X032/00А0,25Х032 (серия 00)

нет в наличии
код: 0А-49025
3 007,76 грн. /шт
Регион: Украина, Киевская обл., Киев
Написать продавцу
Проверенный поставщик
На Агробиз
9 Лет
Время ответа:
более суток
Описание товара

Шестеренчатый (шестерной) гидравлический насос Hydro-pack серии 00 отлично взаимодействует со всеми видами смазывающих жидкостей и подойдет для установки на различные виды специальной техники, среди которых коммунальная, с/х, строительно-дорожная.

Характеристики:

  • Объем: 0.25 - 0.37 см3/об
  • Давление: 200 бар
  • Максимальная скорость: 3500 об/мин 
  • Техническое состояние: новое
  • Производитель: Турция.

Шестеренный насос имеет некоторые превосходства над аксиально-поршневым, среди его достоинств можно выделить долгосрочную эксплуатацию даже на высоких оборотах, и это при простой конструкции и доступной цене.

Его направление определяется в соответствии с направлением вращения коробки отбора мощности или электродвигателя.Он должен находиться ниже масляного бака, а масляный шланг (рукав высокого давления) - быть без деформаций.

Запускать насос без масла нельзя, при этом необходимо постоянно контролировать и сам запуск, и параметры работы гидравлического насоса высокого давления. Оптимальная температура гидравлического масла составляет 50-60 градусов.

Наша компания продает абсолютно НОВЫЕ гидравлические насосы высшего качества. Наши товары защищены сертификатами качества и имеют гарантию. Покупая новый товар, Вы себе обеспечиваете работу гидравлики на долгий срок. Покупая насос, Вы получаете товар с гарантийным сроком и уверенность в работоспособности гидравлики завтра!   

- Наши менеджеры проконсультируют Вас и помогут подобрать товар именно для Вас.

- Мы предоставляем гарантию на гидравлическое оборудование от завода производителя.

- Обеспечиваем поставку без задержек в оговоренные сроки.

- Мы осуществляем доставку в любой город Украины. Также отправим Вам товар в страны СНГ и ЕС.

Наличие уточняйте у менеджера!

Компания Гидромаркет заботится о своих клиентах, поэтому мы продаем гидравлику, качество которой проверено временем, тысячами удовлетворенных клиентов и отвечает всем стандартам Европейского качества. HYDRO-PACK – это товары-аналоги по доступной цене, таких известных брендов, как: Marzocchi, Casappa, Bosh Rextroth, Vivol. Это всегда о качестве и инновационных решениях, о комплексе продуктов для многих гидравлических систем, о высокой точности и надежности.

Гидромаркет является представителем компании HYDRO-PACK, поэтому гарантирует лучшую цену, высокий сервис, качество и быструю доставку. Наши специалисты помогут произвести профессиональный подбор аналогов.

Покупая продукцию HYDRO-PACK в Гидромаркете Вы получаете бесперебойную работу техники на длительное время с гарантией производителя.

читать дальше свернуть
Характеристики
Гарантийный срок, мес
12
Состояние
Новое
Ответственный человек
Юлия Рыбак
читать дальше свернуть
Варианты оплаты

Western Union, MoneyGramm, Contact
Если клиент находится за пределами Украины и готов сделать предоплату международным денежным переводом.

WebMoney, PayPal, Yandex Деньги
Если клиент находится за пределами Украины и имеет возможность осуществить оплату в виде электронного платежа - мы принимаем деньги на любые электронные кошельки.

Безналичный расчёт
Возможен безналичный расчет с полным документальным сопровождением.

Наличный расчёт
Оплата наличными возможна в случае самовывоза.

Наложенный платеж
При пересылке "Новой почтой" возможна оплата наложенным платежом, т.е., при получении покупателем своего заказа.

Варианты доставки

Новая Почта

Самовывоз
Мы работаем с пн-пт с 8:30 до 19:00, сб 10:00-16:00. Наш офис находится по адресу Киев, Вишневое, ул.Чорновола 2а. Вы сможете приехать, лично проверить товар и в случае необходимости установить его на нашем СТО.

Интайм
Служба доставки грузов по Украине. Стоимость доставки можно рассчитать на сайте перевозчика intime.ua

Деливери
Доставка грузов по Украине. Расчет стоимости доставки можно произвести на сайте перевозчика delivery-auto.com

Передать попутной машиной
Одним из бюджетных вариантов доставки товара за границу является отправка его с попутным авто. Мы найдем попутный автомобиль и передадим вам товар с водителем.

Договориться о встрече в Киеве
Стоимость доставки 1 грн.Мы можем предварительно договориться о встрече в городе и пересечься в удобное для вас и нас время. Бесплатно.

Международные перевозчики
ПониЭкспресс, BinExpress, UkrCargo, DHL, Dimex, Express-dostavka и любыми удобными для вас международными перевозчиками и согласно их тарификации. Доставка в среднем длится 3-5 дней.

Повернення і обмін
Відповідно до закону України «про захист прав споживачів» ви можете протягом 14 днів з моменту покупки повернути або обміняти товар, придбаний в магазині, за умови виконання всіх норм передбачених законом. Умови обміну / повернення товару належної якості стаття 9. Відповідно до закону України «про захист прав споживачів»: споживач має право обміняти непродовольчий товар належної якості на аналогічний у продавця, у якого він був придбаний, якщо товар не задовольнив його за формою, габаритами, фасоном, кольором, розміром або з інших причин не може бути ним використаний за призначенням. Споживач має право на обмін товару належної якості протягом чотирнадцяти днів, не рахуючи дня покупки. споживач (термін вживається в такому значенні згідно статті 1. п.22 закону України «про захист прав споживачів») – фізична особа, яка купує, замовляє, використовує або має намір придбати чи замовити продукцію для особистих потреб, не пов’язаних з підприємницькою діяльністю або виконанням обов’язків найманого працівника. обмін або повернення товару належної якості провадиться: якщо не використовувався; якщо збережено його товарний вигляд, споживчі властивості, пломби, ярлики; на підставі розрахунковий документ, виданий споживачеві разом з проданим товаром. умови обміну / повернення товару неналежної якості стаття 8. Згідно із законом України «про захист прав споживачів»: в разі виявлення протягом встановленого гарантійного строку недоліків споживач, в порядку та в строки, встановлені законодавством, має право вимагати безоплатного усунення недоліків товару в розумний строк. вимоги споживача, передбачених цією статтею, не підлягають задоволенню, якщо продавець, виробник (підприємство, що задовольняє вимоги споживача, встановлені частиною першою цієї статті) доведуть, що недоліки товару виникли внаслідок порушення споживачем правил користування товаром або його зберігання. Споживач має право брати участь у перевірці якості товару особисто або через свого представника.

читать дальше свернуть
Покупатели этого товара также интересовались
ТОП
продажи
код: 0А-47861
от 176 613,28 грн. /шт
в наличии
код: 60003
6 039,67 грн. /шт
в наличии
код: 0А-50875
15 460,69 грн. /шт
в наличии
код: 0А-23512
1 228,21 грн. /шт
в наличии
код: 0А-47100
6 830,91 грн. /шт
в наличии
код: 0А-23433
22 118,40 грн. /шт
в наличии
код: 0А-24389
19 383,46 грн. /шт
в наличии
код: 200794
47 739,28 грн. /шт
в наличии

Вы просматривали

Сейчас ищут

Спецрахунок НБУ
Фонд "Повернись живим"
Фонд Сергія Притули
Пока не зарегистрированы?
Регистрация
Уже зарегистрированы? Войти
Уже зарегистрированы? Войти