Модель
Скребковая манжета
Скорость скольжения макс.
0.5 m/s
Температура min.
-30 °C
Температура макс.
110 °C
Монтаж
сложить скребковую манжету по форме подковы и вдавить ее в приемный паз
Рабочие среды
Минеральное масло
Водные эмульсии
Материал
Нитрильный каучук
Применение
Гидравлика
простой монтаж.
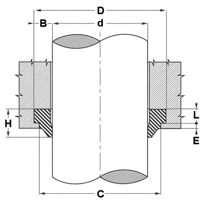
| Наименование | d mm |
D mm |
L mm |
C mm |
E mm |
|---|---|---|---|---|---|
| DSR 4 | 4 | 12 | 4.0 | 10 | 1.0 |
| DSR 8 | 8 | 16 | 4.0 | 14 | 1.0 |
| DSR 10 | 10 | 18 | 4.0 | 16 | 1.0 |
| DSR 12 | 12 | 20 | 4.0 | 18 | 1.0 |
| DSR 14 | 14 | 22 | 4.0 | 20 | 1.0 |
| DSR 15 | 15 | 23 | 4.0 | 21 | 1.0 |
| DSR 16 | 16 | 24 | 4.0 | 22 | 1.0 |
| DSR 18 | 18 | 26 | 4.0 | 24 | 1.0 |
| DSR 20 | 20 | 28 | 4.0 | 26 | 1.0 |
| DSR 22 | 22 | 30 | 4.0 | 28 | 1.0 |
| DSR 24 | 24 | 32 | 4.0 | 30 | 1.0 |
| DSR 25 | 25 | 33 | 4.0 | 31 | 1.0 |
| DSR 28 | 28 | 36 | 4.0 | 34 | 1.0 |
| DSR 30 | 30 | 38 | 4.0 | 36 | 1.0 |
| DSR 32 | 32 | 40 | 4.0 | 38 | 1.0 |
| DSR 35 | 35 | 43 | 4.0 | 41 | 1.0 |
| DSR 36 | 36 | 44 | 4.0 | 42 | 1.0 |
| DSR 38 | 38 | 46 | 4.0 | 44 | 1.0 |
| DSR 40 | 40 | 48 | 4.0 | 46 | 1.0 |
| DSR 42 | 42 | 50 | 4.0 | 48 | 1.0 |
| DSR 45 | 45 | 53 | 4.0 | 51 | 1.0 |
| DSR 48 | 48 | 56 | 4.0 | 54 | 1.0 |
| DSR 50 | 50 | 58 | 4.0 | 56 | 1.0 |
| DSR 52 | 52 | 60 | 4.0 | 58 | 1.0 |
| DSR 55 | 55 | 63 | 4.0 | 61 | 1.0 |
| DSR 56 | 56 | 64 | 4.0 | 62 | 1.0 |
| DSR 60 | 60 | 68 | 4.0 | 66 | 1.0 |
| DSR 62 | 62 | 70 | 4.0 | 68 | 1.0 |
| DSR 63 | 63 | 71 | 4.0 | 69 | 1.0 |
| DSR 65 | 65 | 73 | 4.0 | 71 | 1.0 |
| DSR 70 | 70 | 78 | 4.0 | 76 | 1.0 |
| DSR 75 | 75 | 83 | 4.0 | 81 | 1.0 |
| DSR 80 | 80 | 88 | 4.0 | 86 | 1.0 |
| DSR 85 | 85 | 93 | 4.0 | 91 | 1.0 |
| DSR 90 | 90 | 98 | 4.0 | 96 | 1.0 |
| DSR 95 | 95 | 103 | 4.0 | 101 | 1.0 |
| DSR 100 | 100 | 108 | 4.0 | 106 | 1.0 |
| DSR 105 | 105 | 117 | 5.5 | 114 | 1.5 |
| DSR 110 | 110 | 122 | 5.5 | 119 | 1.5 |
| DSR 120 | 120 | 132 | 5.5 | 129 | 1.5 |
| DSR 125 | 125 | 137 | 5.5 | 134 | 1.5 |
| DSR 130 | 130 | 142 | 5.5 | 139 | 1.5 |
| DSR 140 | 140 | 152 | 5.5 | 149 | 1.5 |
| DSR 150 | 150 | 162 | 5.5 | 159 | 1.5 |
| DSR 160 | 160 | 172 | 5.5 | 169 | 1.5 |
| DSR 170 | 170 | 182 | 5.5 | 179 | 1.5 |
| DSR 180 | 180 | 192 | 5.5 | 189 | 1.5 |
| DSR 190 | 190 | 202 | 5.5 | 199 | 1.5 |
| DSR 200 | 200 | 212 | 5.5 | 209 | 1.5 |
| DSR 220 | 220 | 235 | 6.5 | 231 | 2.0 |
| DSR 250 | 250 | 265 | 6.5 | 261 | 2.0 |
Безналичный расчёт
Предоплата
Новая Почта
Самовывоз
Интайм
Гюнсел