Маркування:
МС80/40х500-3(4).11(800)
Тип кріплення:
Шарнір-штир (Ш/С)
Застосування:
Підняття секцій культиватора КПН-8 (Уманьферммаш)
✅ Призначення:
Цей гідроциліндр розроблений для встановлення на культиватори КПН-8, зокрема
виробництва Уманьферммаш. Застосовується для:
підняття / опускання секцій культиватора
забезпечення рівномірної глибини обробки
стабільної та надійної роботи в польових умовах
⚙️ Технічні характеристики:
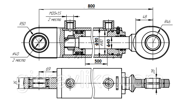
Діаметр поршня: 80 мм
Діаметр штока: 40 мм
Хід штока: 500 мм
Монтажна довжина (по центрах): 800 мм
Тип дії: двостороння
Тип кріплення: Шарнір-штир (ШС)
????️ Умови експлуатації:
Робоча рідина: мінеральне масло МГЕ-46 або аналог
Робочий тиск: до 160 Бар
Максимальний тиск: до 200 Бар
Температурний діапазон: –40°C … +80°C
Монтажне положення: довільне
Гарантія: 12 місяців з моменту придбання
???? Наявність:
В наявності на складі.

Гарантійні зобов'язання не поширюються на гідроциліндри:
1. не встановлені на виріб протягом шести місяців з дати виготовлення;
2. встановлені у вироби, на які не погоджена їхня застосовність;
3. Гідроциліндр зазнавав несанкціонованого розбирання споживачем;
4. Порушувалися умови експлуатації гідроциліндра (брудна олія з присутністю домішок, шматків гуми, ганчірки та інших абразивних частинок або перевищення допустимого навантаження на гідроциліндр);
5. Дефекти або пошкодження, що виникли через попадання бруду, води, такі як корозія та окислення, а також при використанні неякісної гідравлічної олії;
6. Гідроциліндр використовувався не за призначенням;
7. Були внесені конструктивні зміни до гідроциліндра споживачем;
8. Пошкодження, що виникли внаслідок природного зносу гідроциліндра;
9. деформація, викликана надлишковим тиском, саме:
- деформація (зміна геометричних розмірів) задньої кришки гідроциліндра
- деформація (зміна геометричних розмірів) гільзи
- деформація (зміна геометричних розмірів) штока
10. Утворення опуклості діаметром штока, внаслідок чого відбувається заклинювання.
Онлайн оплата
Наложенный платеж
Наличный расчёт
Безналичный расчёт
Новая Почта(курьер)
Новая Почта(отделение)
Самовывоз
Повернення і обмін
Відповідно до закону України «про захист прав споживачів» ви можете протягом 14 днів з моменту покупки повернути або обміняти товар, придбаний в магазині, за умови виконання всіх норм передбачених законом. Умови обміну / повернення товару належної якості стаття 9. Відповідно до закону України «про захист прав споживачів»: споживач має право обміняти непродовольчий товар належної якості на аналогічний у продавця, у якого він був придбаний, якщо товар не задовольнив його за формою, габаритами, фасоном, кольором, розміром або з інших причин не може бути ним використаний за призначенням. Споживач має право на обмін товару належної якості протягом чотирнадцяти днів, не рахуючи дня покупки. споживач (термін вживається в такому значенні згідно статті 1. п.22 закону України «про захист прав споживачів») – фізична особа, яка купує, замовляє, використовує або має намір придбати чи замовити продукцію для особистих потреб, не пов’язаних з підприємницькою діяльністю або виконанням обов’язків найманого працівника. обмін або повернення товару належної якості провадиться: якщо не використовувався; якщо збережено його товарний вигляд, споживчі властивості, пломби, ярлики; на підставі розрахунковий документ, виданий споживачеві разом з проданим товаром. умови обміну / повернення товару неналежної якості стаття 8. Згідно із законом України «про захист прав споживачів»: в разі виявлення протягом встановленого гарантійного строку недоліків споживач, в порядку та в строки, встановлені законодавством, має право вимагати безоплатного усунення недоліків товару в розумний строк. вимоги споживача, передбачених цією статтею, не підлягають задоволенню, якщо продавець, виробник (підприємство, що задовольняє вимоги споживача, встановлені частиною першою цієї статті) доведуть, що недоліки товару виникли внаслідок порушення споживачем правил користування товаром або його зберігання. Споживач має право брати участь у перевірці якості товару особисто або через свого представника.