Каталог товарів
-10%

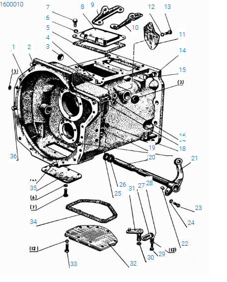
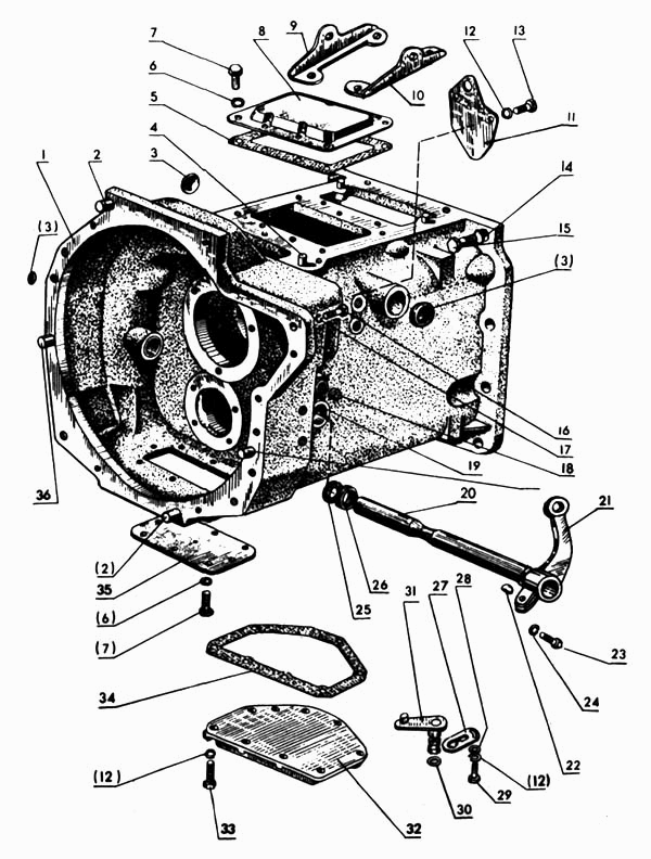
Каталог корпусу зчеплення МТЗ 70-1600010 (схема список запчастин, 36 позицій)

в наявності
код: 2682179805
1,00 грн.
економія: 0,10 грн.
0,90 грн. /шт
Замовити в один клік
Онлайн оплата
з 2 відгуків, 100% позитивних
Регіон: Україна, Київська обл., Київ
Написати продавцю
Перевірений постачальник
На Агробіз
6 Років
Час відповіді:
більше доби
Опис товару
Каталог создан специально для вашего удобства!

Он поможет быстро найти нужные запчасти по корпусу сцепления МТЗ — с номерами и точным соответствием на схеме.

У нас в наличии практически все запчасти для МТЗ, включая редкие позиции.

Если вы не нашли нужную деталь — напишите нам, и мы обязательно поможем!

№ на схеме
Наименование
Артикул / ГОСТ
Кол-во

1
Корпус сцепления
70-1600010
1

2
Установочный штифт
Д01-015
2

3
Заглушка
50-1601022
3

4
Штифт 10Пр2,2х25-06
ГОСТ 3128-70
2

5
Прокладка
50-1601345
1

6
Шайба
8Т ОСТ 37.001.115-75
16

7
Болт М8х16
ГОСТ 7796-70
16

8
Крышка
50-1601344-А
1

9
Кронштейн правый
70-1108163
1

10
Кронштейн левый
70-1108162
1

11
Крышка
50-1601348
1

12
Шайба 10 ОТ
ОСТ 37.001.115-74
11

13
Болт М10х18
ГОСТ 7796-70
2

14
Шайба 16 ОТ
ОСТ 37.001.115-74
10

15
Болт М16х50
ГОСТ 7796-70
10

16
Болт М14х60
ГОСТ 7796-70
1

17
Шайба 14 ОТ
ОСТ 37.001.115-74
1

18
Пробка 1 1/4"
ГОСТ 12719-67
1

19
Втулка
50-3503064
2

20
Вал вилок включения
50-1601215
1

21
Рычаг
80-1601219-Б
1

22
Шпонка сегментная 6х11
ГОСТ 8795-68
1

23
Болт М12х30
ГОСТ 7796-70
1

24
Шайба 12 ОТ
ОСТ 37.001.115-74
2

25
Кольцо СП-38-25-8
ГОСТ 6308-71
1

26
Корпус пылеотражателя
36-1601016
1

27
Пластина
80-1601099
1

28
Шайба
10.01.019 ГОСТ 11371-78
1

29
Болт М10х20
ГОСТ 7796-70
1

30
Кольцо 020-025-30-1-4

1

31
Валик
70-1601140
1

32
Нижняя крышка
50-1601315
1

33
Болт М10х25
ГОСТ 7796-70
8

34
Прокладка крышки
70-1601314
1

35
Крышка сцепления
50-1601341
1

36
Штифт
50-1601352
2

читати далі згорнути
Характеристики
Тип запчасти
Аналог
Состояние
Новое
Применение
МТЗ-80
читати далі згорнути
Відгуки
2 відгуків
100% позитивних
Антон
10 квітня 2024р. в 14:23
Насос водяний МТЗ супер дякую велике
Андрій Вєтров
05 квітня 2024р. в 16:36
Замовляв фари до трактора все добре все працює
читати далі згорнути
Варіанти оплати

Безналичный расчёт
Способи оплати Пром-оплата Готівкою Оплата за реквізитами Оплата на карту 4441114411660200 Післяплата

Онлайн оплата

Предоплата

Наложенный платеж

Варіанти доставки

Новая Почта(курьер)

Новая Почта(отделение)

Повернення і обмін
Відповідно до закону України «про захист прав споживачів» ви можете протягом 14 днів з моменту покупки повернути або обміняти товар, придбаний в магазині, за умови виконання всіх норм передбачених законом. Умови обміну / повернення товару належної якості стаття 9. Відповідно до закону України «про захист прав споживачів»: споживач має право обміняти непродовольчий товар належної якості на аналогічний у продавця, у якого він був придбаний, якщо товар не задовольнив його за формою, габаритами, фасоном, кольором, розміром або з інших причин не може бути ним використаний за призначенням. Споживач має право на обмін товару належної якості протягом чотирнадцяти днів, не рахуючи дня покупки. споживач (термін вживається в такому значенні згідно статті 1. п.22 закону України «про захист прав споживачів») – фізична особа, яка купує, замовляє, використовує або має намір придбати чи замовити продукцію для особистих потреб, не пов’язаних з підприємницькою діяльністю або виконанням обов’язків найманого працівника. обмін або повернення товару належної якості провадиться: якщо не використовувався; якщо збережено його товарний вигляд, споживчі властивості, пломби, ярлики; на підставі розрахунковий документ, виданий споживачеві разом з проданим товаром. умови обміну / повернення товару неналежної якості стаття 8. Згідно із законом України «про захист прав споживачів»: в разі виявлення протягом встановленого гарантійного строку недоліків споживач, в порядку та в строки, встановлені законодавством, має право вимагати безоплатного усунення недоліків товару в розумний строк. вимоги споживача, передбачених цією статтею, не підлягають задоволенню, якщо продавець, виробник (підприємство, що задовольняє вимоги споживача, встановлені частиною першою цієї статті) доведуть, що недоліки товару виникли внаслідок порушення споживачем правил користування товаром або його зберігання. Споживач має право брати участь у перевірці якості товару особисто або через свого представника.

читати далі згорнути


Вас зацікавить

Покупці цього товару також цікавилися
-10%
ТОП
продажу
код: 240-1003012 А1
12 100,00 грн. 10 890,00 грн. /шт
в наявності
-10%
ТОП
продажу
код: 14180
16 300,00 грн. 14 670,00 грн. /шт
в наявності
-10%
ТОП
продажу
код: 12415
4 024,00 грн. 3 621,60 грн. /шт
в наявності
-10%
ТОП
продажу
код: 1733
2 320,00 грн. 2 088,00 грн. /шт
в наявності
-10%
ТОП
продажу
код: 240-1003012
12 100,00 грн. 10 890,00 грн. /шт
в наявності
-10%
код: 240-1307010
1 300,00 грн. 1 170,00 грн. /шт
в наявності
-10%
код: 240-1117010
830,00 грн. 747,00 грн. /шт
в наявності
-10%
код: 70-4605016
2 940,00 грн. 2 646,00 грн. /шт
в наявності
-10%
код: 70-2801120-А1
12 110,00 грн. 10 899,00 грн. /шт
в наявності
-10%
код: 70-1601090-А
3 200,00 грн. 2 880,00 грн. /шт
в наявності
-10%
код: 70У-1301010-02
5 050,00 грн. 4 545,00 грн. /шт
в наявності
-10%
код: 4354
5 800,00 грн. 5 220,00 грн. /шт
в наявності

Ви переглядали

Зараз шукають

Спецрахунок НБУ
Фонд "Повернись живим"
Фонд Сергія Притули
Ще не зареєстровані?
Реєстрація
Вже зареєстровані? Увійти
Вже зареєстровані? Увійти