| Тип техніки | Екскаватор | ||||||||||
| Бренд | JCB | ||||||||||
| Модель | JS160, JS160LC, JS180, JS180LC, JS180NLC, JS190, JS200, JS200LC, JS200NLC, JS210, JS220, JS220S, JS220LC, JS220LR, JS220S, JS220SC | ||||||||||
| Артикул | JRA0214 | ||||||||||
| Аналоги |
|
||||||||||
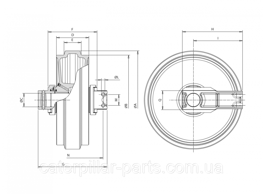
| Діаметр | 532 мм | ||||||||||
| Ширина | 159 мм | ||||||||||
| Болт крілпення | М16 | ||||||||||
| Вага | 110 кг |
Натяжне колесо, переднє колесо, яке направляє колесо
екскаватора, мають багато назв, які визначають функцію натягу
ланцюга за допомогою натяжного пристрою. Напрямні шківи нашого
екскаватора постачаються в комплекті з монтажними
напрямними. Бульдозерні колеса виглядають дещо по-іншому,
оскільки вони піддаються значно більшому навантаженню та зносу, ніж
на гусеничному екскаваторі. На деяких моделях колеса
поставляються з напрямними, але часто лише з віссю, яку можна
прикріпити до машини різними способами.
Компоненти шасі для всіх типів машин, включаючи ланцюги, ролики,
колеса для екскаваторів та бульдозерів. Основним напрямом
діяльності Спец-запчастини є дистрибуція запасних частин для
будівельної техніки таких виробників, як:
Натяжні колеса екскаватора, особливо для бульдозерів, виготовляються із різних фракцій матеріалу та з'єднуються методом прецизійного зварювання. Завдяки використанню різних фракцій матеріалу вони надзвичайно стійкі до скручування та будь-яких деформацій. Крім того, параметри, отримані в процесі індукційного загартовування, забезпечують тривалу безвідмовну роботу, що також забезпечується використанням відповідного герметичного і самозмащувального з'єднання обертового руху. Направляюче колесо komatsu лінивець екскаватора хітачі (hitachi) мають запатентовану систему мастила, що дозволяє продовжити термін служби провідного елемента.
Параметри та розміри напрямного колеса Джисібі та CASE 152574A1, 160424A1, 166099A1 схема
|
A
530
|
B
490
|
C
70
|
D
158
|
|
E
84
|
F
202
|
G
318
|
H
|
|
I
26,6
|
L
M16
|
K
|
M
90
|
|
N
284
|
P
|
Q
126
|
R
|
|
U
|
V
|
Щоб купити Колесо направляюче JCB JS200/JS220 JRA0214 потрібно зателефонувати нам.

Безготівковий розрахунок
Передплата
Готівковий розрахунок
Післяплата
Нова Пошта (відділення)
Самовивіз
Повернення і обмін
Відповідно до закону України «про захист прав споживачів» ви можете протягом 14 днів з моменту покупки повернути або обміняти товар, придбаний в магазині, за умови виконання всіх норм передбачених законом. Умови обміну / повернення товару належної якості стаття 9. Відповідно до закону України «про захист прав споживачів»: споживач має право обміняти непродовольчий товар належної якості на аналогічний у продавця, у якого він був придбаний, якщо товар не задовольнив його за формою, габаритами, фасоном, кольором, розміром або з інших причин не може бути ним використаний за призначенням. Споживач має право на обмін товару належної якості протягом чотирнадцяти днів, не рахуючи дня покупки. споживач (термін вживається в такому значенні згідно статті 1. п.22 закону України «про захист прав споживачів») – фізична особа, яка купує, замовляє, використовує або має намір придбати чи замовити продукцію для особистих потреб, не пов’язаних з підприємницькою діяльністю або виконанням обов’язків найманого працівника. обмін або повернення товару належної якості провадиться: якщо не використовувався; якщо збережено його товарний вигляд, споживчі властивості, пломби, ярлики; на підставі розрахунковий документ, виданий споживачеві разом з проданим товаром. умови обміну / повернення товару неналежної якості стаття 8. Згідно із законом України «про захист прав споживачів»: в разі виявлення протягом встановленого гарантійного строку недоліків споживач, в порядку та в строки, встановлені законодавством, має право вимагати безоплатного усунення недоліків товару в розумний строк. вимоги споживача, передбачених цією статтею, не підлягають задоволенню, якщо продавець, виробник (підприємство, що задовольняє вимоги споживача, встановлені частиною першою цієї статті) доведуть, що недоліки товару виникли внаслідок порушення споживачем правил користування товаром або його зберігання. Споживач має право брати участь у перевірці якості товару особисто або через свого представника.