Одноступінчасті черв'ячні мотор-редуктори Bonfiglioli (Бонфиглиоли) мають наступні типорозміри: VF27, VF30, VF44, VF49, W63, W75, W86, W110, VF130, VF150, VF185, VF210, VF250
Черв'ячні мотор-редуктори BONFIGLIOLI зарекомендували себе як надійні вироби. Мотор-редуктори BONFIGLIOLI успішно використовуються у всіх галузях промисловості, так як поєднують в собі високу якість і низьку вартість. Редуктори мають великий вибір настановних варіантів і додаткових опцій. На базі серії VF і W для отримання високих значень передаточних чисел реалізуються двох ступінчасті циліндро-черв'ячні або червячно-черв'ячні конструкції.
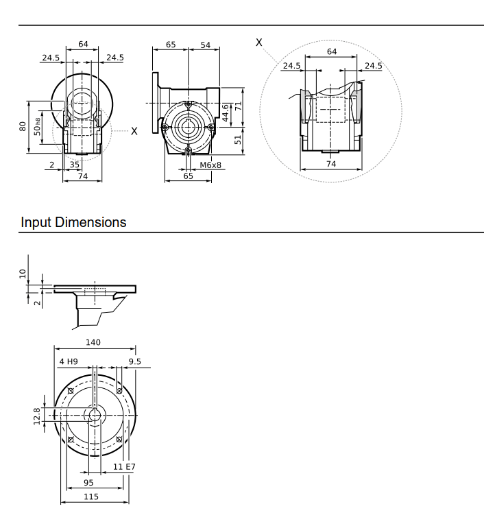
Передавальні числа редукторів від 5/1 до 10000/1. Максимальний крутний момент 7000 Нм.
Мотор-редуктори BONFIGLIOLI можуть бути укомплектовані електродвигунами з вбудованим електротормозом або взрывозащитой. Додатково можна встановити оптичний енкодер або термістор. Корпус у формі куба зі спеціально обробленими поверхнями спрощує монтаж мотор-редуктора і дозволяє встановлювати додаткове обладнання.
Корпуси редукторів VF 27, VF 30, VF 44, VF 49, W63, W75, W86 - виготовлені з силуміну, а редуктори W110, VF 130, VF 150, VF 185, VF210, VF250 – виконані з чавуну.
Система позначення черв'ячних мотор-редукторів серії VF/W
W-63-L1-UF1-25-20-S2-B14-B3-CW-BN-63A-4-230/400-50-IP54-CLF-B5-FD-3,5-R-SB-220SA
|
1. W – тип мотор-редуктора (VF, W -
черв'ячний мотор-редуктор, VFR, WR – циліндро-черв'ячний редуктор,
VF/VF, VF/W, W/VF - комбінація з двох черв'ячних редукторів);
Варіанти Виконання VF44 VF N - на лапах, вхідній вал знизу VF A - на лапах, вхідній вал зверху VF V - на лапах, з вертикальним валом VF F - зі Стандартним фланцем VF FA - з подовжений віхіднім фланцем VF P - з бічною кришкою для монтажу на вал VF U - з універсальнімі лапами
|



Для підбору редукторів та отримання детальніших консультацій просимо звертатися до наших фахівців з наданням наступної інформації:
Безналичный расчёт
Наличный расчёт
Предоплата
Новая Почта
Повернення і обмін
Відповідно до закону України «про захист прав споживачів» ви можете протягом 14 днів з моменту покупки повернути або обміняти товар, придбаний в магазині, за умови виконання всіх норм передбачених законом. Умови обміну / повернення товару належної якості стаття 9. Відповідно до закону України «про захист прав споживачів»: споживач має право обміняти непродовольчий товар належної якості на аналогічний у продавця, у якого він був придбаний, якщо товар не задовольнив його за формою, габаритами, фасоном, кольором, розміром або з інших причин не може бути ним використаний за призначенням. Споживач має право на обмін товару належної якості протягом чотирнадцяти днів, не рахуючи дня покупки. споживач (термін вживається в такому значенні згідно статті 1. п.22 закону України «про захист прав споживачів») – фізична особа, яка купує, замовляє, використовує або має намір придбати чи замовити продукцію для особистих потреб, не пов’язаних з підприємницькою діяльністю або виконанням обов’язків найманого працівника. обмін або повернення товару належної якості провадиться: якщо не використовувався; якщо збережено його товарний вигляд, споживчі властивості, пломби, ярлики; на підставі розрахунковий документ, виданий споживачеві разом з проданим товаром. умови обміну / повернення товару неналежної якості стаття 8. Згідно із законом України «про захист прав споживачів»: в разі виявлення протягом встановленого гарантійного строку недоліків споживач, в порядку та в строки, встановлені законодавством, має право вимагати безоплатного усунення недоліків товару в розумний строк. вимоги споживача, передбачених цією статтею, не підлягають задоволенню, якщо продавець, виробник (підприємство, що задовольняє вимоги споживача, встановлені частиною першою цієї статті) доведуть, що недоліки товару виникли внаслідок порушення споживачем правил користування товаром або його зберігання. Споживач має право брати участь у перевірці якості товару особисто або через свого представника.