_____
SAE J 518 C
ISO 6162
Конструкция
прямые
Модель
Ввариваемый фланец SAE
Крепление
Отверстие под винт
Комплект поставки
С комплектом винтов UNC и кольцом круглого сечения
Материал
S355J2G3 (ST52.3)
Защита поверхности
Смазка черным маслом
| Наименование | Серия давления | PB 10.9 bar |
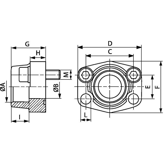
Типоразмер | A mm |
Ø B mm |
C mm |
D mm |
E mm |
F mm |
G mm |
H mm |
I mm |
L mm |
M unc |
|---|---|---|---|---|---|---|---|---|---|---|---|---|---|---|
| AFS 80 S U | 3000 PSI | 350 | 1/2" | 21.6 | 13 | 38.1 | 54 | 17.5 | 46 | 36 | 16 | 19 | 9.0 | 5/16" x 1.1/4" |
| AFS 80 S U 3/8 | 3000 PSI | 350 | 1/2" | 17.5 | 13 | 38.1 | 54 | 17.5 | 46 | 36 | 16 | 19 | 9.0 | 5/16" x 1.1/4" |
| AFS 80 S U A20 | 3000 PSI | 350 | 1/2" | 20.3 | 13 | 38.1 | 54 | 17.5 | 46 | 36 | 16 | 19 | 9.0 | 5/16" x 1.1/4" |
| AFS 100 S U | 3000 PSI | 350 | 3/4" | 27.2 | 19 | 47.6 | 65 | 22.2 | 50 | 36 | 18 | 19 | 11.0 | 3/8" x 1.1/2" |
| AFS 100 S U A25 | 3000 PSI | 350 | 3/4" | 25.3 | 19 | 47.6 | 65 | 22.2 | 50 | 36 | 18 | 19 | 11.0 | 3/8" x 1.1/2" |
| AFS 102 S U | 3000 PSI | 315 | 1" | 34.0 | 25 | 52.4 | 70 | 26.2 | 55 | 38 | 18 | 19 | 11.0 | 3/8" x 1.1/2" |
| AFS 102 S U A30 | 3000 PSI | 315 | 1" | 30.3 | 25 | 52.4 | 70 | 26.2 | 55 | 38 | 18 | 19 | 11.0 | 3/8" x 1.1/2" |
| AFS 104 S U | 3000 PSI | 250 | 1.1/4" | 42.8 | 32 | 58.7 | 79 | 30.2 | 68 | 41 | 21 | 22 | 11.5 | 7/16" x 1.1/2" |
| AFS 104 S U A38 | 3000 PSI | 250 | 1.1/4" | 38.3 | 32 | 58.7 | 79 | 30.2 | 68 | 41 | 21 | 22 | 11.5 | 7/16" x 1.1/2" |
| AFS 106 S U | 3000 PSI | 200 | 1.1/2" | 48.6 | 38 | 69.9 | 93 | 35.7 | 78 | 45 | 25 | 24 | 13.5 | 1/2" x 1.3/4" |
| AFS 106 S U A50 | 3000 PSI | 200 | 1.1/2" | 50.5 | 38 | 69.9 | 93 | 35.7 | 78 | 45 | 25 | 24 | 13.5 | 1/2" x 1.3/4" |
| AFS 108 S U | 3000 PSI | 200 | 2" | 61.0 | 51 | 77.8 | 102 | 42.9 | 90 | 45 | 25 | 26 | 13.5 | 1/2" x 1.3/4" |
| AFS 110 S U | 3000 PSI | 160 | 2.1/2" | 76.6 | 63 | 88.9 | 114 | 50.8 | 105 | 50 | 25 | 30 | 13.5 | 1/2" x 1.3/4" |
| AFS 112 S U | 3000 PSI | 138 | 3" | 90.5 | 73 | 106.4 | 134 | 61.9 | 124 | 50 | 27 | 34 | 17.5 | 5/8" x 2" |
| AFS 114 S U | 3000 PSI | 35 | 3.1/2" | 103.0 | 89 | 120.7 | 152 | 69.9 | 136 | 48 | 27 | 34 | 17.5 | 5/8" x 2" |
| AFS 116 S U | 3000 PSI | 35 | 4" | 115.1 | 99 | 130.2 | 162 | 77.8 | 146 | 48 | 27 | 34 | 17.5 | 5/8" x 2" |
| AFS 401 S U | 6000 PSI | 400 | 1/2" | 21.6 | 13 | 40.5 | 54 | 18.2 | 46 | 36 | 16 | 19 | 9.0 | 5/16" x 1.1/4" |
| AFS 401 S U 3/8 | 6000 PSI | 400 | 1/2" | 17.5 | 13 | 40.5 | 54 | 18.2 | 46 | 36 | 16 | 19 | 9.0 | 5/16" x 1.1/4" |
| AFS 401 S U A20 | 6000 PSI | 400 | 1/2" | 20.3 | 13 | 40.5 | 54 | 18.2 | 46 | 36 | 16 | 19 | 9.0 | 5/16" x 1.1/4" |
| AFS 402 S U | 6000 PSI | 400 | 3/4" | 27.2 | 19 | 50.8 | 71 | 23.8 | 55 | 35 | 21 | 22 | 11.0 | 3/8" x 1.1/2" |
| AFS 402 S U A25 | 6000 PSI | 400 | 3/4" | 25.3 | 19 | 50.8 | 71 | 23.8 | 55 | 35 | 21 | 22 | 11.0 | 3/8" x 1.1/2" |
| AFS 403 S U | 6000 PSI | 400 | 1" | 34.0 | 25 | 57.2 | 81 | 27.8 | 65 | 42 | 25 | 22 | 13.0 | 7/16" x 1.3/4" |
| AFS 403 S U A30 | 6000 PSI | 400 | 1" | 30.3 | 25 | 57.2 | 81 | 27.8 | 65 | 42 | 25 | 22 | 13.0 | 7/16" x 1.3/4" |
| AFS 404 S U | 6000 PSI | 400 | 1.1/4" | 42.8 | 32 | 66.7 | 95 | 31.8 | 78 | 45 | 27 | 25 | 13.5 | 1/2" x 1.3/4" |
| AFS 404 S U A38 | 6000 PSI | 400 | 1.1/4" | 38.3 | 32 | 66.7 | 95 | 31.8 | 78 | 45 | 27 | 25 | 13.5 | 1/2" x 1.3/4" |
| AFS 405 S U | 6000 PSI | 400 | 1.1/2" | 48.6 | 38 | 79.4 | 112 | 36.5 | 94 | 50 | 30 | 28 | 17.5 | 5/8" x 2" |
| AFS 405 S U A50 | 6000 PSI | 400 | 1.1/2" | 50.5 | 38 | 79.4 | 112 | 36.5 | 94 | 50 | 30 | 28 | 17.5 | 5/8" x 2" |
| AFS 406 S U | 6000 PSI | 400 | 2" | 61.0 | 51 | 96.8 | 134 | 44.5 | 114 | 65 | 37 | 24 | 21.0 | 3/4" x 2.1/2" |
Безналичный расчёт
Предоплата
Новая Почта
Самовывоз
Интайм
Гюнсел