_____
SAE J 518 C
ISO 6162
Конструкция
прямые
Модель
Ввариваемый контрфланец SAE
Крепление
Внутренняя резьба для метрических винтов
Комплект поставки
Только фланец
Материал
S355J2G3 (ST52.3)
Защита поверхности
Смазка черным маслом
| Наименование | Серия давления | PB 10.9 bar |
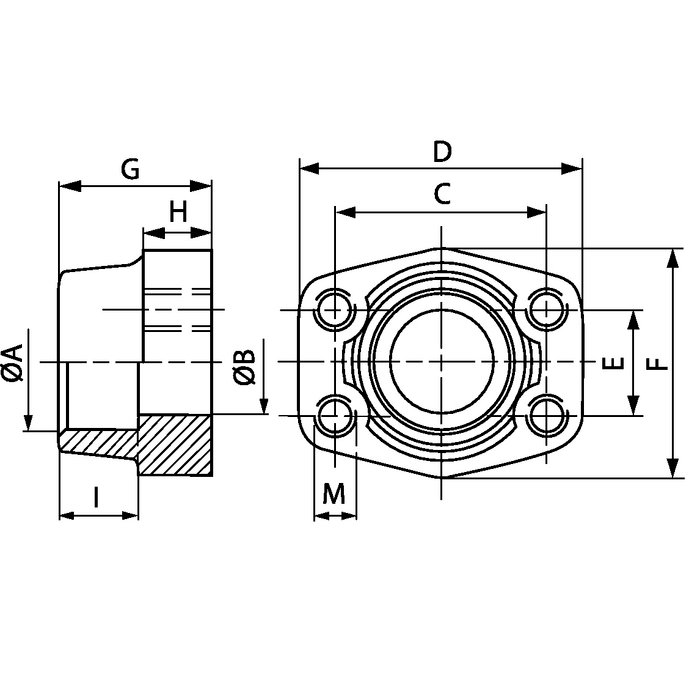
Типоразмер | A mm |
Ø B mm |
C mm |
D mm |
E mm |
F mm |
G mm |
H mm |
I mm |
M метр. |
|---|---|---|---|---|---|---|---|---|---|---|---|---|---|
| GFS 80 S | 3000 PSI | 350 | 1/2" | 21.6 | 13 | 38.1 | 54 | 17.5 | 46 | 36 | 16 | 19 | M 8 |
| GFS 80 S 3/8 | 3000 PSI | 350 | 1/2" | 17.5 | 13 | 38.1 | 54 | 17.5 | 46 | 36 | 16 | 19 | M 8 |
| GFS 80 S A20 | 3000 PSI | 350 | 1/2" | 20.3 | 13 | 38.1 | 54 | 17.5 | 46 | 36 | 16 | 19 | M 8 |
| GFS 100 S | 3000 PSI | 350 | 3/4" | 27.2 | 19 | 47.6 | 65 | 22.2 | 50 | 36 | 18 | 19 | M 10 |
| GFS 100 S A25 | 3000 PSI | 350 | 3/4" | 25.3 | 19 | 47.6 | 65 | 22.2 | 50 | 36 | 18 | 19 | M 10 |
| GFS 102 S | 3000 PSI | 315 | 1" | 35.0 | 25 | 52.4 | 70 | 26.2 | 55 | 38 | 18 | 19 | M 10 |
| GFS 102 S A30 | 3000 PSI | 315 | 1" | 30.3 | 25 | 52.4 | 70 | 26.2 | 55 | 38 | 18 | 19 | M 10 |
| GFS 104 S | 3000 PSI | 250 | 1.1/4" | 42.8 | 32 | 58.7 | 79 | 30.2 | 68 | 41 | 21 | 22 | M 10 |
| GFS 104 S A38 | 3000 PSI | 250 | 1.1/4" | 38.3 | 32 | 58.7 | 79 | 30.2 | 68 | 41 | 21 | 22 | M 10 |
| GFS 106 S | 3000 PSI | 200 | 1.1/2" | 48.6 | 38 | 69.9 | 93 | 35.7 | 78 | 45 | 25 | 24 | M 12 |
| GFS 106 S A50 | 3000 PSI | 200 | 1.1/2" | 50.5 | 38 | 69.9 | 93 | 35.7 | 78 | 45 | 25 | 24 | M 12 |
| GFS 108 S | 3000 PSI | 200 | 2" | 61.0 | 51 | 77.8 | 102 | 42.9 | 90 | 45 | 25 | 26 | M 12 |
| GFS 110 S | 3000 PSI | 160 | 2.1/2" | 76.6 | 63 | 88.9 | 114 | 50.8 | 105 | 50 | 25 | 30 | M 12 |
| GFS 112 S | 3000 PSI | 138 | 3" | 90.5 | 73 | 106.4 | 134 | 61.9 | 124 | 50 | 27 | 34 | M 16 |
| GFS 114 S | 3000 PSI | 35 | 3.1/2" | 103.0 | 89 | 120.7 | 152 | 69.9 | 136 | 48 | 27 | 34 | M 16 |
| GFS 116 S | 3000 PSI | 35 | 4" | 115.1 | 99 | 130.2 | 162 | 77.8 | 146 | 48 | 27 | 34 | M 16 |
| GFS 401 S | 6000 PSI | 400 | 1/2" | 21.6 | 13 | 40.5 | 54 | 18.2 | 46 | 36 | 16 | 19 | M 8 |
| GFS 401 S 3/8 | 6000 PSI | 400 | 1/2" | 17.5 | 13 | 40.5 | 54 | 18.2 | 46 | 36 | 16 | 19 | M 8 |
| GFS 401 S A20 | 6000 PSI | 400 | 1/2" | 20.3 | 13 | 40.5 | 54 | 18.2 | 46 | 36 | 16 | 19 | M 8 |
| GFS 402 S | 6000 PSI | 400 | 3/4" | 27.2 | 19 | 50.8 | 71 | 23.8 | 55 | 35 | 21 | 22 | M 10 |
| GFS 402 S A25 | 6000 PSI | 400 | 3/4" | 25.3 | 19 | 50.8 | 71 | 23.8 | 55 | 35 | 21 | 22 | M 10 |
| GFS 403 S | 6000 PSI | 400 | 1" | 35.0 | 25 | 57.2 | 81 | 27.8 | 65 | 42 | 25 | 22 | M 12 |
| GFS 403 S A30 | 6000 PSI | 400 | 1" | 30.3 | 25 | 57.2 | 81 | 27.8 | 65 | 42 | 25 | 22 | M 12 |
| GFS 404 S | 6000 PSI | 400 | 1.1/4" | 42.8 | 32 | 66.7 | 95 | 31.8 | 78 | 45 | 27 | 25 | M 14 |
| GFS 404 S A38 | 6000 PSI | 400 | 1.1/4" | 38.3 | 32 | 66.7 | 95 | 31.8 | 78 | 45 | 27 | 25 | M 14 |
| GFS 405 S | 6000 PSI | 400 | 1.1/2" | 48.6 | 38 | 79.4 | 112 | 36.5 | 94 | 50 | 30 | 28 | M 16 |
| GFS 405 S A50 | 6000 PSI | 400 | 1.1/2" | 50.5 | 38 | 79.4 | 112 | 36.5 | 94 | 50 | 30 | 28 | M 16 |
| GFS 406 S | 6000 PSI | 400 | 2" | 61.0 | 51 | 96.8 | 134 | 44.5 | 114 | 65 | 37 | 24 | M 20 |
Безналичный расчёт
Предоплата
Новая Почта
Самовывоз
Интайм
Гюнсел