_____
SAE J 518 C
ISO 6162
Серия давления
3000 psi
Конструкция
прямые
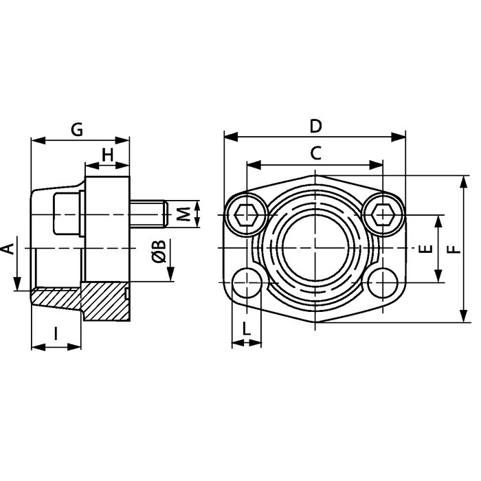
Модель
Ввертный фланец SAE
Крепление
Отверстие под винт
Комплект поставки
С комплектом метрических винтов и кольцом круглого сечения
Материал
S355J2G3 (ST52.3)
Защита поверхности
Смазка черным маслом
| Наименование | _____ | Серия давления psi |
PB 10.9 bar |
Типоразмер | A | Ø B mm |
C mm |
D mm |
E mm |
F mm |
G mm |
H mm |
I mm |
L mm |
M метр. |
|---|---|---|---|---|---|---|---|---|---|---|---|---|---|---|---|
| AFS 80 G 3/8 M | SAE J 518 CISO 6162 | 3000 | 350 | 1/2" | G 3/8" -19 | 13 | 38.1 | 54 | 17.5 | 46 | 36 | 16 | 19 | 9.0 | M 8 x 30 |
| AFS 80 G 1/2 M | SAE J 518 CISO 6162 | 3000 | 350 | 1/2" | G 1/2" -14 | 13 | 38.1 | 54 | 17.5 | 46 | 36 | 16 | 19 | 9.0 | M 8 x 30 |
| AFS 100 G 1/2 M | SAE J 518 CISO 6162 | 3000 | 350 | 3/4" | G 1/2" -14 | 13 | 47.6 | 65 | 22.2 | 50 | 36 | 18 | 19 | 11.0 | M 10 x 35 |
| AFS 100 G 3/4 M | SAE J 518 CISO 6162 | 3000 | 350 | 3/4" | G 3/4" -14 | 19 | 47.6 | 65 | 22.2 | 50 | 36 | 18 | 19 | 11.0 | M 10 x 35 |
| AFS 102 G 1/2 M | SAE J 518 CISO 6162 | 3000 | 315 | 1" | G 1/2" -14 | 13 | 52.4 | 70 | 26.2 | 55 | 38 | 18 | 22 | 11.0 | M 10 x 35 |
| AFS 102 G 3/4 M | SAE J 518 CISO 6162 | 3000 | 315 | 1" | G 3/4" -14 | 19 | 52.4 | 70 | 26.2 | 55 | 35 | 21 | 19 | 11.0 | M 10 x 35 |
| AFS 102 G 1 M | SAE J 518 CISO 6162 | 3000 | 315 | 1" | G 1" -11 | 25 | 52.4 | 70 | 26.2 | 55 | 38 | 18 | 22 | 11.0 | M 10 x 35 |
| AFS 104 G 3/4 M | SAE J 518 CISO 6162 | 3000 | 250 | 1.1/4" | G 3/4" -14 | 19 | 58.7 | 79 | 30.2 | 68 | 41 | 21 | 22 | 11.5 | M 10 x 40 |
| AFS 104 G 1 M | SAE J 518 CISO 6162 | 3000 | 250 | 1.1/4" | G 1" -11 | 25 | 58.7 | 81 | 30.2 | 65 | 42 | 25 | 22 | 11.5 | M 10 x 40 |
| AFS 104 G 1 M M 12 | SAE J 518 CISO 6162 | 3000 | 250 | 1.1/4" | G 1" -11 | 25 | 58.7 | 81 | 30.2 | 65 | 42 | 25 | 22 | 13.0 | M 12 x 40 |
| AFS 104 G 1 1/4 M | SAE J 518 CISO 6162 | 3000 | 250 | 1.1/4" | G 1.1/4" -11 | 32 | 58.7 | 79 | 30.2 | 68 | 41 | 21 | 22 | 11.5 | M 10 x 40 |
| AFS 104 G 1 1/4 M M 12 | SAE J 518 CISO 6162 | 3000 | 250 | 1.1/4" | G 1.1/4" -11 | 32 | 58.7 | 79 | 30.2 | 68 | 41 | 21 | 22 | 13.0 | M 12 x 40 |
| AFS 106 G 3/4 M | SAE J 518 CISO 6162 | 3000 | 200 | 1.1/2" | G 3/4" -14 | 19 | 69.9 | 93 | 35.7 | 78 | 45 | 25 | 24 | 13.5 | M 12 x 45 |
| AFS 106 G 1 M | SAE J 518 CISO 6162 | 3000 | 200 | 1.1/2" | G 1" -11 | 25 | 69.9 | 93 | 35.7 | 78 | 45 | 25 | 24 | 13.5 | M 12 x 45 |
| AFS 106 G 1 1/4 M | SAE J 518 CISO 6162 | 3000 | 200 | 1.1/2" | G 1.1/4" -11 | 32 | 69.9 | 95 | 35.7 | 78 | 45 | 27 | 24 | 13.5 | M 12 x 45 |
| AFS 106 G 1 1/2 M | SAE J 518 CISO 6162 | 3000 | 200 | 1.1/2" | G 1.1/2" -11 | 38 | 69.9 | 93 | 35.7 | 78 | 45 | 25 | 24 | 13.5 | M 12 x 45 |
| AFS 108 G 1 M | SAE J 518 CISO 6162 | 3000 | 200 | 2" | G 1" -11 | 25 | 77.8 | 102 | 42.9 | 90 | 45 | 25 | 26 | 13.5 | M 12 x 45 |
| AFS 108 G 1 1/4 M | SAE J 518 CISO 6162 | 3000 | 200 | 2" | G 1.1/4" -11 | 32 | 77.8 | 102 | 42.9 | 90 | 45 | 25 | 24 | 13.5 | M 12 x 45 |
| AFS 108 G 1 1/2 M | SAE J 518 CISO 6162 | 3000 | 200 | 2" | G 1.1/2" -11 | 38 | 77.8 | 102 | 42.9 | 90 | 45 | 25 | 26 | 13.5 | M 12 x 45 |
| AFS 108 G 2 M | SAE J 518 CISO 6162 | 3000 | 200 | 2" | G 2" -11 | 51 | 77.8 | 102 | 42.9 | 90 | 45 | 25 | 30 | 13.5 | M 12 x 45 |
| AFS 110 G 1 1/2 M | SAE J 518 CISO 6162 | 3000 | 160 | 2.1/2" | G 1.1/2" -11 | 38 | 88.9 | 114 | 50.8 | 105 | 50 | 25 | 30 | 13.5 | M 12 x 45 |
| AFS 110 G 2 M | SAE J 518 CISO 6162 | 3000 | 160 | 2.1/2" | G 2" -11 | 51 | 88.9 | 114 | 50.8 | 105 | 50 | 25 | 30 | 13.5 | M 12 x 45 |
| AFS 110 G 2 1/2 M | SAE J 518 CISO 6162 | 3000 | 160 | 2.1/2" | G 2.1/2" -11 | 63 | 88.9 | 114 | 50.8 | 105 | 50 | 25 | 30 | 13.5 | M 12 x 45 |
| AFS 112 G 2 1/2 M | SAE J 518 CISO 6162 | 3000 | 138 | 3" | G 2.1/2" -11 | 63 | 106.4 | 134 | 61.9 | 124 | 50 | 27 | 30 | 17.5 | M 16 x 50 |
| AFS 112 G 3 M | SAE J 518 CISO 6162 | 3000 | 138 | 3" | G 3" -11 | 73 | 106.4 | 134 | 61.9 | 124 | 50 | 27 | 34 | 17.5 | M 16 x 50 |
| AFS 114 G 3 M | SAE J 518 CISO 6162 | 3000 | 35 | 3.1/2" | G 3" -11 | 73 | 120.7 | 152 | 69.9 | 136 | 48 | 27 | 34 | 17.5 | M 16 x 50 |
| AFS 114 G 3 1/2 M | SAE J 518 CISO 6162 | 3000 | 35 | 3.1/2" | G 3.1/2" -11 | 89 | 120.7 | 152 | 69.9 | 136 | 48 | 27 | 34 | 17.5 | M 16 x 50 |
| AFS 116 G 3 1/2 M | SAE J 518 CISO 6162 | 3000 | 35 | 4" | G 3.1/2" -11 | 89 | 130.2 | 162 | 77.8 | 146 | 48 | 27 | 34 | 17.5 | M 16 x 50 |
| AFS 116 G 4 M | SAE J 518 CISO 6162 | 3000 | 35 | 4" | G 4" -11 | 99 | 130.2 | 162 | 77.8 | 146 | 48 | 27 | 34 | 17.5 | M 16 x 50 |
Безналичный расчёт
Предоплата
Новая Почта
Самовывоз
Интайм
Гюнсел