Каталог товаров

Ввертный фланец SAE, BSP - AFS G M (6000 PSI)

нет в наличии
код: 678861412
1,00 грн. /шт
з 3 отзывов, 100% положительных
Регион: Украина, Киевская обл., Киев
Написать продавцу
Описание товара
Свойства

_____

SAE J 518 C
ISO 6162

Серия давления

6000 psi

Конструкция

прямые

Модель

Ввертный фланец SAE

Крепление

Отверстие под винт

Комплект поставки

С комплектом метрических винтов и кольцом круглого сечения

Материал

S355J2G3 (ST52.3)

Защита поверхности

Смазка черным маслом


Изделие
Наименование _____ Серия давления
psi
PB 10.9
bar
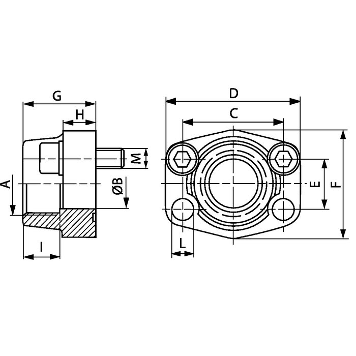
Типоразмер A Ø B
mm
C
mm
D
mm
E
mm
F
mm
G
mm
H
mm
I
mm
L
mm
M метр.
AFS 401 G 1/2 M SAE J 518 CISO 6162 6000 400 1/2" G 1/2" -14 13 40.5 54 18.2 46 36 16 19 9 M 8 x 30
AFS 401 G 3/8 M SAE J 518 CISO 6162 6000 400 1/2" G 3/8" -19 13 40.5 54 18.2 46 36 16 19 9 M 8 x 30
AFS 402 G 1/2 M SAE J 518 CISO 6162 6000 400 3/4" G 1/2" -14 13 50.8 71 23.8 55 35 21 22 11 M 10 x 35
AFS 402 G 3/4 M SAE J 518 CISO 6162 6000 400 3/4" G 3/4" -14 19 50.8 71 23.8 55 35 21 22 11 M 10 x 35
AFS 403 G 3/4 M SAE J 518 CISO 6162 6000 400 1" G 3/4" -14 19 57.2 81 27.8 65 42 25 24 13 M 12 x 45
AFS 403 G 1 M SAE J 518 CISO 6162 6000 400 1" G 1" -11 25 57.2 81 27.8 65 42 25 24 13 M 12 x 45
AFS 404 G 1 M SAE J 518 CISO 6162 6000 400 1.1/4" G 1" -11 25 66.7 95 31.8 78 45 27 25 15 M 14 x 45
AFS 404 G 1 1/4 M SAE J 518 CISO 6162 6000 400 1.1/4" G 1.1/4" -11 32 66.7 95 31.8 78 45 27 25 15 M 14 x 45
AFS 405 G 1 1/4 M SAE J 518 CISO 6162 6000 400 1.1/2" G 1.1/4" -11 32 79.4 112 36.5 94 50 30 28 17 M 16 x 50
AFS 405 G 1 1/2 M SAE J 518 CISO 6162 6000 400 1.1/2" G 1.1/2" -11 38 79.4 112 36.5 94 50 30 28 17 M 16 x 50
AFS 406 G 1 1/2 M SAE J 518 CISO 6162 6000 400 2" G 1.1/2" -11 38 96.8 134 44.5 114 65 37 30 21 M 20 x 65
AFS 406 G 2 M SAE J 518 CISO 6162 6000 400 2" G 2" -11 51 96.8 134 44.5 114 65 37 30 21 M 20 x 65
читать дальше свернуть
Отзывы
3 отзывов
100% положительных
Oleg
16 июля 2020г. в 16:36
Крутые ребята! Работают очень оперативно!
Александр
13 июля 2020г. в 12:22
читать дальше свернуть
Варианты оплаты

Безналичный расчёт

Предоплата

Варианты доставки

Новая Почта

Самовывоз

Интайм

Гюнсел

читать дальше свернуть
Покупатели этого товара также интересовались

Вы просматривали

Сейчас ищут

Спецрахунок НБУ
Фонд "Повернись живим"
Фонд Сергія Притули
Пока не зарегистрированы?
Регистрация
Уже зарегистрированы? Войти
Уже зарегистрированы? Войти