Каталог товаров

Ввертный фланец SAE, NPT - AFS N (3000 PSI)

нет в наличии
код: 678862042
1,00 грн. /шт
з 3 отзывов, 100% положительных
Регион: Украина, Киевская обл., Киев
Написать продавцу
Описание товара
Свойства

_____

SAE J 518 C
ISO 6162

Серия давления

3000 psi

Конструкция

прямые

Модель

Ввертный фланец SAE

Крепление

Отверстие под винт

Комплект поставки

Только фланец

Материал

S355J2G3 (ST52.3)

Защита поверхности

Смазка черным маслом


Изделие
Наименование Серия давления
psi
PB 10.9
bar
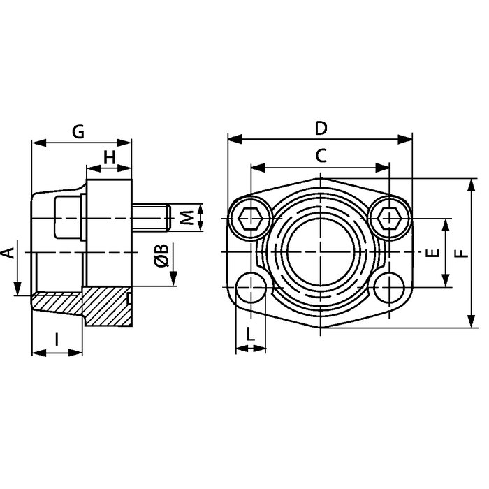
Типоразмер A Ø B
mm
C
mm
D
mm
E
mm
F
mm
G
mm
H
mm
I
mm
L
mm
M unc M метр.
AFS 80 N 1/2 3000 350 1/2" NPT 1/2" -14 13 38.1 54 17.5 46 36 16 19 9.0 5/16" x 1.1/4" M 8 x 30
AFS 80 N 3/8 3000 350 1/2" NPT 3/8" -18 13 38.1 54 17.5 46 36 16 19 9.0 5/16" x 1.1/4" M 8 x 30
AFS 100 N 1/2 3000 350 3/4" NPT 1/2" -14 13 47.6 65 22.2 50 36 18 19 11.0 3/8" x 1.1/2" M 10 x 35
AFS 100 N 3/4 3000 350 3/4" NPT 3/4" -14 19 47.6 65 22.2 50 36 18 19 11.0 3/8" x 1.1/2" M 10 x 35
AFS 102 N 3/4 3000 315 1" NPT 3/4" -14 19 52.4 70 26.2 55 35 21 19 11.0 3/8" x 1.1/2" M 10 x 35
AFS 102 N 1 3000 315 1" NPT 1" -11,5 25 52.4 70 26.2 55 38 18 22 11.0 3/8" x 1.1/2" M 10 x 35
AFS 104 N 1 3000 250 1.1/4" NPT 1" -11,5 25 58.7 81 30.2 65 42 25 22 11.5 7/16" x 1.1/2" M 10 x 40
AFS 104 N1 1/4 3000 250 1.1/4" M 6 x 1 K 32 58.7 79 30.2 68 41 21 22 11.5 7/16" x 1.1/2" M 10 x 40
AFS 106 N1 1/4 3000 200 1.1/2" M 6 x 1 K 32 69.9 95 35.7 78 45 27 24 13.5 1/2" x 1.3/4" M 12 x 45
AFS 106 N1 1/2 3000 200 1.1/2" NPT 1.1/2" 38 69.9 93 35.7 78 45 25 24 13.5 1/2" x 1.3/4" M 12 x 45
AFS 108 N1 1/2 3000 200 2" NPT 1.1/2" 38 77.8 102 42.9 90 45 25 26 13.5 1/2" x 1.3/4" M 12 x 45
AFS 108 N 2 3000 200 2" NPT 2" -11,5 51 77.8 102 42.9 90 45 25 30 13.5 1/2" x 1.3/4" M 12 x 45
AFS 110 N2 1/2 3000 160 2.1/2" NPT 2.1/2" -11,5 63 88.9 114 50.8 105 50 25 30 13.5 1/2" x 1.3/4" M 12 x 45
AFS 112 N 3000 138 3" NPT 3" -11,5 73 106.4 134 61.9 124 50 27 34 17.5 5/8" x 2" M 16 x 50
AFS 114 N 3000 35 3.1/2" NPT 3.1/2" -11,5 89 120.7 152 69.9 136 48 27 34 17.5 5/8" x 2" M 16 x 50
AFS 116 N 3000 35 4" NPT 4" -11,5 99 130.2 162 77.8 146 48 27 34 17.5 5/8" x 2" M 16 x 50
читать дальше свернуть
Отзывы
3 отзывов
100% положительных
Oleg
16 июля 2020г. в 16:36
Крутые ребята! Работают очень оперативно!
Александр
13 июля 2020г. в 12:22
читать дальше свернуть
Варианты оплаты

Безналичный расчёт

Предоплата

Варианты доставки

Новая Почта

Самовывоз

Интайм

Гюнсел

читать дальше свернуть
Покупатели этого товара также интересовались

Вы просматривали

Сейчас ищут

Спецрахунок НБУ
Фонд "Повернись живим"
Фонд Сергія Притули
Пока не зарегистрированы?
Регистрация
Уже зарегистрированы? Войти
Уже зарегистрированы? Войти