Каталог товаров

Ввертный фланец SAE, UN/UNF - AFS T M (3000 / 6000 PSI)

нет в наличии
код: 678861797
1,00 грн. /шт
з 3 отзывов, 100% положительных
Регион: Украина, Киевская обл., Киев
Написать продавцу
Описание товара
Свойства

_____

SAE J 518 C
ISO 6162

Конструкция

прямые

Модель

Ввертный фланец SAE

Крепление

Отверстие под винт

Комплект поставки

С комплектом метрических винтов и кольцом круглого сечения

Материал

S355J2G3 (ST52.3)

Защита поверхности

Смазка черным маслом


Изделие
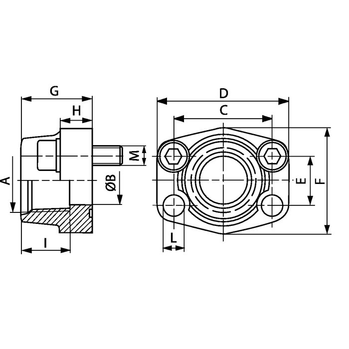
Наименование _____ Серия давления PB 10.9
bar
Типоразмер A Ø B
mm
C
mm
D
mm
E
mm
F
mm
G
mm
H
mm
I
mm
L
mm
M метр.
AFS 80 T M SAE J 518 CISO 6162 3000 PSI 350 1/2" UNF 3/4" -16 13 38.1 54 17.5 46 36 16 17 9.0 M 8 x 30
AFS 100 T M SAE J 518 CISO 6162 3000 PSI 350 3/4" UNF 1.1/16" -12 19 47.6 65 22.3 50 36 18 23 11.0 M 10 x 35
AFS 102 T M SAE J 518 CISO 6162 3000 PSI 315 1" UN 1.5/16" -12 25 52.4 70 26.2 55 38 18 23 11.0 M 10 x 35
AFS 104 T M SAE J 518 CISO 6162 3000 PSI 250 1.1/4" UN 1.5/8" -12 32 58.7 79 30.2 68 41 21 23 11.5 M 10 x 40
AFS 106 T M SAE J 518 CISO 6162 3000 PSI 200 1.1/2" UN 1.7/8" -12 38 69.9 93 35.7 78 45 25 23 13.5 M 12 x 45
AFS 401 T M SAE J 518 CISO 6162 6000 PSI 400 1/2" UNF 3/4" -16 13 40.5 54 18.2 46 36 16 17 9.0 M 8 x 30
AFS 402 T M SAE J 518 CISO 6162 6000 PSI 400 3/4" UNF 1.1/16" -12 19 50.8 71 23.8 55 35 21 23 11.0 M 10 x 35
AFS 403 T M SAE J 518 CISO 6162 6000 PSI 400 1" UN 1.5/16" -12 25 57.2 81 27.8 65 42 25 23 13.0 M 12 x 45
AFS 404 T M SAE J 518 CISO 6162 6000 PSI 400 1.1/4" UN 1.5/8" -12 32 66.7 95 31.8 78 45 27 23 15.0 M 14 x 45
AFS 405 T M SAE J 518 CISO 6162 6000 PSI 400 1.1/2" UN 1.7/8" -12 38 79.4 112 36.5 94 50 30 23 17.0 M 16 x 50
читать дальше свернуть
Отзывы
3 отзывов
100% положительных
Oleg
16 июля 2020г. в 16:36
Крутые ребята! Работают очень оперативно!
Александр
13 июля 2020г. в 12:22
читать дальше свернуть
Варианты оплаты

Безналичный расчёт

Предоплата

Варианты доставки

Новая Почта

Самовывоз

Интайм

Гюнсел

читать дальше свернуть
Покупатели этого товара также интересовались

Вы просматривали

Сейчас ищут

Спецрахунок НБУ
Фонд "Повернись живим"
Фонд Сергія Притули
Пока не зарегистрированы?
Регистрация
Уже зарегистрированы? Войти
Уже зарегистрированы? Войти