Каталог товаров

Ввертный контрфланец SAE, NPT - GFS N U (3000 / 6000 PSI)

нет в наличии
код: 678862266
1,00 грн. /шт
з 3 отзывов, 100% положительных
Регион: Украина, Киевская обл., Киев
Написать продавцу
Описание товара
Свойства

_____

SAE J 518 C
ISO 6162

Конструкция

прямые

Модель

Ввертный контрфланец SAE

Крепление

Внутренняя резьба для винтов UNC

Комплект поставки

Только фланец

Материал

S355J2G3 (ST52.3)

Защита поверхности

Смазка черным маслом


Изделие
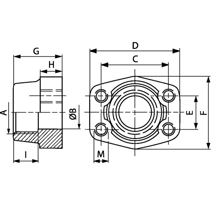
Наименование Серия давления PB 10.9
bar
Типоразмер A Ø B
mm
C
mm
D
mm
E
mm
F
mm
G
mm
H
mm
I
mm
M unc
GFS 80 N U 3000 PSI 350 1/2" NPT 1/2" -14 13 38.1 54 17.5 46 36 16 19 5/16"
GFS 80 N 3/8 U 3000 PSI 350 1/2" NPT 3/8" -18 13 38.1 54 17.5 46 36 16 19 5/16"
GFS 100 N U 3000 PSI 350 3/4" NPT 3/4" -14 19 47.6 65 22.2 50 36 18 19 3/8"
GFS 100 N 1/2 U 3000 PSI 350 3/4" NPT 1/2" -14 13 47.6 65 22.2 50 36 18 19 3/8"
GFS 102 N U 3000 PSI 315 1" NPT 1" -11,5 25 52.4 70 26.2 55 38 18 22 3/8"
GFS 102 N 3/4 U 3000 PSI 315 1" NPT 3/4" -14 19 52.4 70 26.2 55 35 21 19 3/8"
GFS 104 N U 3000 PSI 250 1.1/4" M 6 x 1 K 32 58.7 79 30.2 68 41 21 22 7/16"
GFS 104 N 1 U 3000 PSI 250 1.1/4" NPT 1" -11,5 25 58.7 81 30.2 65 42 25 22 7/16"
GFS 106 N U 3000 PSI 200 1.1/2" NPT 1.1/2" 38 69.9 93 35.7 78 45 25 24 1/2"
GFS 106 N 1 1/4 U 3000 PSI 200 1.1/2" M 6 x 1 K 32 69.9 95 35.7 78 45 27 24 1/2"
GFS 108 N U 3000 PSI 200 2" NPT 2" -11,5 51 77.8 102 42.9 90 45 25 30 1/2"
GFS 108 N 1 1/2 U 3000 PSI 200 2" NPT 1.1/2" 38 77.8 102 42.9 90 45 25 26 1/2"
GFS 110 N U 3000 PSI 160 2.1/2" NPT 2.1/2" -11,5 63 88.9 114 50.8 105 50 25 30 1/2"
GFS 112 N U 3000 PSI 138 3" NPT 3" -11,5 73 106.4 134 61.9 124 50 27 34 5/8"
GFS 114 N U 3000 PSI 35 3.1/2" NPT 3.1/2" -11,5 89 120.7 152 69.9 136 48 27 34 5/8"
GFS 116 N U 3000 PSI 35 4" NPT 4" -11,5 99 130.2 162 77.8 146 48 27 34 5/8"
GFS 401 N U 6000 PSI 400 1/2" NPT 1/2" -14 13 40.5 54 18.2 46 36 16 19 5/16"
GFS 401 N 3/8 U 6000 PSI 400 1/2" NPT 3/8" -18 13 40.5 54 18.2 46 36 16 19 5/16"
GFS 402 N U 6000 PSI 400 3/4" NPT 3/4" -14 19 50.8 71 23.8 55 35 21 22 3/8"
GFS 402 N 1/2 U 6000 PSI 400 3/4" NPT 1/2" -14 13 50.8 71 23.8 55 35 21 22 3/8"
GFS 403 N U 6000 PSI 400 1" NPT 1" -11,5 25 57.2 81 27.8 65 42 25 24 7/16"
GFS 403 N 3/4 U 6000 PSI 400 1" NPT 3/4" -14 19 57.2 81 27.8 65 42 25 24 7/16"
GFS 404 N U 6000 PSI 400 1.1/4" M 6 x 1 K 32 66.7 95 31.8 78 45 27 25 1/2"
GFS 404 N 1 U 6000 PSI 400 1.1/4" NPT 1" -11,5 25 66.7 95 31.8 78 45 27 25 1/2"
GFS 405 N U 6000 PSI 400 1.1/2" NPT 1.1/2" 38 79.4 112 36.5 94 50 30 28 5/8"
GFS 405 N 1 1/4 U 6000 PSI 400 1.1/2" M 6 x 1 K 32 79.4 112 36.5 94 50 30 28 5/8"
GFS 406 N U 6000 PSI 400 2" NPT 2" -11,5 51 96.8 134 44.5 114 65 37 30 3/4"
GFS 406 N 1 1/2 U 6000 PSI 400 2" NPT 1.1/2" 38 96.8 134 44.5 114 65 37 30 3/4"
читать дальше свернуть
Отзывы
3 отзывов
100% положительных
Oleg
16 июля 2020г. в 16:36
Крутые ребята! Работают очень оперативно!
Александр
13 июля 2020г. в 12:22
читать дальше свернуть
Варианты оплаты

Безналичный расчёт

Предоплата

Варианты доставки

Новая Почта

Самовывоз

Интайм

Гюнсел

читать дальше свернуть
Покупатели этого товара также интересовались

Вы просматривали

Сейчас ищут

Спецрахунок НБУ
Фонд "Повернись живим"
Фонд Сергія Притули
Пока не зарегистрированы?
Регистрация
Уже зарегистрированы? Войти
Уже зарегистрированы? Войти