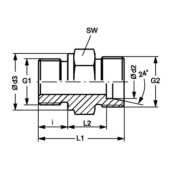
Соединение 1
Метрическая наружная резьба, коническая
Форма уплотнения 1
Внутренний конус 24°
Соединение 2
Метрическая наружная резьба, цилиндрическая
Форма уплотнения 2
Форма А
Конструкция
прямые
Модель
Ввертный штуцер
_____
DIN 3852
Материал
Сталь
Защита поверхности
Гальваническое покрытие
| Наименование | Ø d2 mm |
Ø d3 mm |
G1 | G2 | i mm |
L1 mm |
L2 mm |
SW mm |
i1 mm |
i2 mm |
G3 |
|---|---|---|---|---|---|---|---|---|---|---|---|
| K 420-03 | 8 | 17 | M 12 x 1,5 | M 14 x 1.5 | 12 | 29.0 | 10.0 | 17 | - | - | - |
| K 420-09 | - | - | M 22 x 1.5 | G 3/8" -19 | - | 30 | - | 27 | 12 | 12 | - |
| K 420-14 | - | - | M 22 x 1.5 | R 3/8" K | - | 30 | - | 24 | 12 | 12 | - |
| K 420-15 | - | - | M 22 x 1.5 | 1/4" -18 NPT | - | 33 | - | 24 | 12 | 15 | - |
| K 420-19 | - | - | M 22 x 1.5 | M 12 x 1,5 | - | 38 | - | 22 | 12 | 10 | - |
| K 420-71 | - | - | M 22 x 1.5 | M 22 x 1.5 | - | 53 | - | 27 | 12 | 25 | G 1/8" -28 |
| K 420-72 | - | - | M 22 x 1.5 | M 14 x 1.5 | - | 55 | - | 27 | 10 | 25 | G 1/8" -28 |
| K 420-04 | 10 | 17 | M 12 x 1,5 | M 16 x 1.5 | 12 | 30.0 | 11.0 | 17 | - | - | - |
| K 420-22 | - | - | M 20 x 1.5 | 3/8" -18 NPT | - | 33 | - | 24 | 12 | 15 | - |
| K 420-23 | - | - | M 22 x 1.5 | M 14 x 1.5 | - | 38 | - | 22 | 12 | 10 | - |
| K 420-58 | - | - | M 22 x 1.5 | R 1/4" K | - | 30 | - | 24 | 12 | 12 | - |
| K 420-75 | - | - | M 26 x 1,5 | M 22 x 1.5 | - | 53 | - | 27 | 12 | 25 | G 1/8" -28 |
| K 420-86 | - | - | M 22 x 1.5 | M 18 x 1,5 | - | 56 | - | 27 | 11 | 25 | G 1/8" -28 |
| K 420-05 | 8 | 19 | M 14 x 1.5 | M 14 x 1.5 | 12 | 29.0 | 10.0 | 19 | - | - | - |
| K 420-11 | - | - | M 22 x 1.5 | G 3/4" -14 | - | 37 | - | 32 | 12 | 19 | - |
| K 420-06 | 10 | 19 | M 14 x 1.5 | M 16 x 1.5 | 12 | 30.0 | 11.0 | 19 | - | - | - |
| K 420-18 | 8 | 23 | M 18 x 1,5 | M 14 x 1.5 | 12 | 30.5 | 11.0 | 24 | - | - | - |
| K 420-25 | 10 | 21 | M 16 x 1.5 | M 16 x 1.5 | 12 | 31.5 | 12.5 | 22 | - | - | - |
| K 420-26 | 6 | 17 | M 12 x 1,5 | M 12 x 1,5 | 12 | 29.0 | 10.0 | 17 | - | - | - |
| K 420-27 | 6 | 19 | M 14 x 1.5 | M 12 x 1,5 | 12 | 29.0 | 10.0 | 19 | - | - | - |
| K 420-37 | 10 | 23 | M 18 x 1,5 | M 16 x 1.5 | 12 | 31.5 | 12.5 | 24 | - | - | - |
| K 420-39 | 18 | 27 | M 22 x 1.5 | M 26 x 1,5 | 14 | 36.0 | 14.5 | 27 | - | - | - |
| K 420-44 | 15 | 21 | M 16 x 1.5 | M 22 x 1.5 | 12 | 32.5 | 13.5 | 24 | - | - | - |
| K 420-45 | 15 | 23 | M 18 x 1,5 | M 22 x 1.5 | 12 | 32.5 | 13.5 | 24 | - | - | - |
| K 420-47 | 15 | 27 | M 22 x 1.5 | M 22 x 1.5 | 14 | 36.0 | 15.0 | 27 | - | - | - |
| K 420-57 | 6 | 21 | M 16 x 1.5 | M 12 x 1,5 | 12 | 30.5 | 11.5 | 22 | - | - | - |
| K 420-82 | 12 | 21 | M 16 x 1.5 | M 18 x 1,5 | 12 | 31.5 | 12.5 | 22 | - | - | - |
| K 420-84 | 12 | 23 | M 18 x 1,5 | M 18 x 1,5 | 12 | 31.5 | 12.5 | 24 | - | - | - |
Безналичный расчёт
Предоплата
Новая Почта
Самовывоз
Интайм
Гюнсел