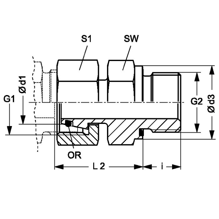
Соединение 1
Метрическая гаечная резьба
Форма уплотнения 1
Наружный конус 24° с кольцом круглого сечения
Соединение 2
Наружная резьба BSP, цилиндрическая
Форма уплотнения 2
Форма E
Модель
Ввертное резьбовое соединение
Конструкция
прямые
_____
DIN 2353
ISO 8434-1
Материал
нержавеющая сталь
| Наименование | Серия | Рабочее давление, бар | Ø d1 mm |
G1 | G2 | Ø d3 mm |
i mm |
L2 mm |
SW mm |
S1 | Кольцо круглого сечения |
|---|---|---|---|---|---|---|---|---|---|---|---|
| AOVR NW 04 L ED VA | L | PN 315 | 6 | M 12 x 1,5 | G 1/8" -28 | 13.9 | 8 | 24.5 | 14 | 14 | 4.0 x 1.5 |
| AOVR NW 04 L 1/4 ED VA | L | PN 315 | 6 | M 12 x 1,5 | G 1/4" -19 | 18.9 | 12 | 27.0 | 19 | 14 | 4.0 x 1.5 |
| AOVR NW 06 L ED VA | L | PN 315 | 8 | M 14 x 1.5 | G 1/4" -19 | 18.9 | 12 | 29.5 | 19 | 17 | 6.0 x 1.5 |
| AOVR NW 06 L 3/8 ED VA | L | PN 315 | 8 | M 14 x 1.5 | G 3/8" -19 | 21.9 | 12 | 29.5 | 22 | 17 | 6.0 x 1.5 |
| AOVR NW 08 L ED VA | L | PN 315 | 10 | M 16 x 1.5 | G 1/4" -19 | 18.9 | 12 | 27.5 | 19 | 19 | 7.5 x 1.5 |
| AOVR NW 08 L 1/2 ED VA | L | PN 315 | 10 | M 16 x 1.5 | G 1/2" -14 | 26.9 | 14 | 30.0 | 27 | 19 | 7.5 x 1.5 |
| AOVR NW 08 L 3/8 ED VA | L | PN 315 | 10 | M 16 x 1.5 | G 3/8" -19 | 21.9 | 12 | 30.0 | 22 | 19 | 7.5 x 1.5 |
| AOVR NW 10 L ED VA | L | PN 315 | 12 | M 18 x 1,5 | G 3/8" -19 | 21.9 | 12 | 34.0 | 22 | 22 | 7.5 x 1.5 |
| AOVR NW 10 L 1/4 ED VA | L | PN 315 | 12 | M 18 x 1,5 | G 1/4" -19 | 19.0 | 12 | 27.5 | 19 | 22 | 9.0 x 1.5 |
| AOVR NW 10 L 1/2 ED VA | L | PN 315 | 12 | M 18 x 1,5 | G 1/2" -14 | 26.9 | 14 | 32.0 | 27 | 27 | 7.5 x 1.5 |
| AOVR NW 13 L ED VA | L | PN 315 | 15 | M 22 x 1.5 | G 1/2" -14 | 26.9 | 14 | 32.0 | 27 | 27 | 12.0 x 2.0 |
| AOVR NW 13 L 3/8 ED VA | L | PN 315 | 15 | M 22 x 1.5 | G 3/8" -19 | 21.9 | 12 | 35.0 | 24 | 27 | 12.0 x 2.0 |
| AOVR NW 16 L ED VA | L | PN 315 | 18 | M 26 x 1,5 | G 1/2" -14 | 26.9 | 14 | 31.5 | 27 | 32 | 15.0 x 2.0 |
| AOVR NW 16 L 3/4 ED VA | L | PN 315 | 18 | M 26 x 1,5 | G 3/4" -14 | 31.9 | 16 | 33.0 | 32 | 32 | 15.0 x 2.0 |
| AOVR NW 20 L ED VA | L | PN 160 | 22 | M 30 x 2 | G 3/4" -14 | 31.9 | 16 | 32.0 | 32 | 36 | 20.0 x 2.0 |
| AOVR NW 20 L 1/2 ED VA | L | PN 160 | 22 | M 30 x 2 | G 1/2" -14 | 26.9 | 14 | 32.0 | 27 | 36 | 20.0 x 2.0 |
| AOVR NW 20 L 1 ED VA | L | PN 160 | 22 | M 30 x 2 | G 1" -11 | 39.9 | 18 | 51.0 | 41 | 36 | 20.0 x 2.0 |
| AOVR NW 25 L ED VA | L | PN 160 | 28 | M 36 x 2 | G 1" -11 | 39.9 | 18 | 35.0 | 41 | 41 | 26.0 x 2.0 |
| AOVR NW 25 L 3/4 ED VA | L | PN 160 | 28 | M 36 x 2 | G 3/4" -14 | 31.9 | 16 | 35.0 | 32 | 41 | 26.0 x 2.0 |
| AOVR NW 32 L ED VA | L | PN 160 | 35 | M 45 x 2 | G 1.1/4" -11 | 49.9 | 20 | 42.5 | 50 | 50 | 32.0 x 2.5 |
| AOVR NW 40 L ED VA | L | PN 160 | 42 | M 52 x 2 | G 1.1/2" -11 | 54.9 | 22 | 46.5 | 55 | 60 | 38.0 x 2.5 |
| AOVR NW 03 S ED VA | S | PN 630 | 6 | M 14 x 1.5 | G 1/4" -19 | 18.9 | 12 | 27.0 | 19 | 17 | 4.0 x 1.5 |
| AOVR NW 04 S ED VA | S | PN 630 | 8 | M 16 x 1.5 | G 1/4" -19 | 18.9 | 12 | 29.5 | 19 | 19 | 6.0 x 1.5 |
| AOVR NW 04 S 3/8 ED VA | S | PN 630 | 8 | M 16 x 1.5 | G 3/8" -19 | 21.9 | 12 | 32.0 | 22 | 19 | 6.0 x 1.5 |
| AOVR NW 06 S ED VA | S | PN 630 | 10 | M 18 x 1,5 | G 3/8" -19 | 21.9 | 12 | 32.0 | 22 | 22 | 7.5 x 1.5 |
| AOVR NW 06 S 1/2 ED VA | S | PN 630 | 10 | M 18 x 1,5 | G 1/2" -14 | 26.9 | 14 | 32.0 | 27 | 22 | 7.5 x 1.5 |
| AOVR NW 08 S ED VA | S | PN 630 | 12 | M 20 x 1.5 | G 3/8" -19 | 21.9 | 12 | 34.0 | 22 | 24 | 9.0 x 1.5 |
| AOVR NW 08 S 1/2 ED VA | S | PN 630 | 12 | M 20 x 1.5 | G 1/2" -14 | 27.0 | 14 | 35.0 | 27 | 24 | 9.0 x 1.5 |
| AOVR NW 08 S 1/4 ED VA | S | PN 630 | 12 | M 20 x 1.5 | G 1/4" -19 | 18.9 | 12 | 42.0 | 19 | 24 | 9.0 x 1.5 |
| AOVR NW 10 S ED VA | S | PN 630 | 14 | M 22 x 1.5 | G 1/2" -14 | 26.9 | 14 | 36.5 | 27 | 27 | 10.0 x 2.0 |
| AOVR NW 13 S ED VA | S | PN 400 | 16 | M 24 x 1.5 | G 1/2" -14 | 26.9 | 14 | 37.0 | 27 | 30 | 12.0 x 2.0 |
| AOVR NW 13 S 3/4 ED VA | S | PN 400 | 16 | M 24 x 1.5 | G 3/4" -14 | 31.9 | 16 | 39.0 | 32 | 30 | 12.0 x 2.0 |
| AOVR NW 13 S 3/8 ED VA | S | PN 400 | 16 | M 24 x 1.5 | G 3/8" -19 | 21.9 | 12 | 37.0 | 24 | 30 | 12.0 x 2.0 |
| AOVR NW 16 S ED VA | S | PN 400 | 20 | M 30 x 2 | G 3/4" -14 | 31.9 | 16 | 42.5 | 32 | 36 | 16.3 x 2.4 |
| AOVR NW 16 S 1/2 ED VA | S | PN 400 | 20 | M 30 x 2 | G 1/2" -14 | 26.9 | 14 | 38.0 | 27 | 36 | 16.3 x 2.4 |
| AOVR NW 16 S 1 ED VA | S | PN 400 | 20 | M 30 x 2 | G 1" -11 | 39.9 | 18 | 55.0 | 41 | 36 | 16.3 x 2.4 |
| AOVR NW 20 S ED VA | S | PN 400 | 25 | M 36 x 2 | G 1" -11 | 39.9 | 18 | 47.5 | 41 | 46 | 20.3 x 2.4 |
| AOVR NW 20 S 3/4 ED VA | S | PN 400 | 25 | M 36 x 2 | G 3/4" -14 | 31.9 | 16 | 58.0 | 32 | 46 | 20.3 x 2.4 |
| AOVR NW 25 S ED VA | S | PN 400 | 30 | M 42 x 2 | G 1.1/4" -11 | 49.9 | 20 | 51.0 | 50 | 50 | 25.3 x 2.4 |
| AOVR NW 32 S ED VA | S | PN 315 | 38 | M 52 x 2 | G 1.1/2" -11 | 54.9 | 22 | 59.5 | 55 | 60 | 33.3 x 2.4 |
Безналичный расчёт
Предоплата
Новая Почта
Самовывоз
Интайм
Гюнсел