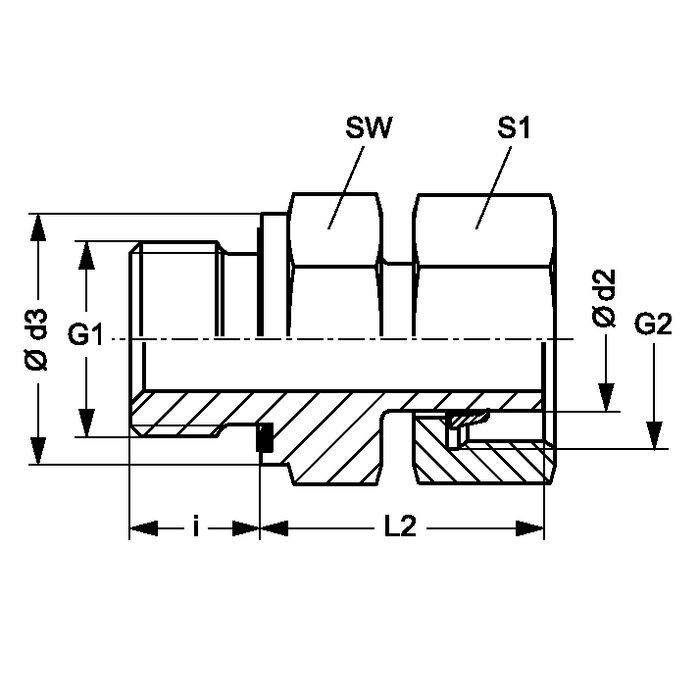
Соединение 1
Наружная резьба BSP, цилиндрическая
Форма уплотнения 1
Форма E
Форма уплотнения 2
Патрубок с режущим кольцом
Модель
Ввертное резьбовое соединение
Соединение 2
Метрическая гаечная резьба
Конструкция
прямые
_____
DIN 2353
ISO 8434-1
Комплект поставки
Патрубок с накидной гайкой и предварительно монтированным режущим кольцом
Материал
нержавеющая сталь
| Наименование | Серия | Рабочее давление, бар | Ø d2 mm |
G1 | G2 | Ø d3 mm |
i mm |
L2 mm |
SW mm |
S1 |
|---|---|---|---|---|---|---|---|---|---|---|
| AVR NW 04 L ED VA | L | PN 315 | 6 | G 1/8" -28 | M 12 x 1,5 | 13.9 | 8 | 24.5 | 14 | 14 |
| AVR NW 04 L 1/4 ED VA | L | PN 315 | 6 | G 1/4" -19 | M 12 x 1,5 | 18.9 | 12 | 26.5 | 19 | 14 |
| AVR NW 06 L ED VA | L | PN 315 | 8 | G 1/4" -19 | M 14 x 1.5 | 18.9 | 12 | 27.0 | 19 | 17 |
| AVR NW 08 L ED VA | L | PN 315 | 10 | G 1/4" -19 | M 16 x 1.5 | 18.9 | 12 | 27.5 | 19 | 19 |
| AVR NW 08 L 3/8 ED VA | L | PN 315 | 10 | G 3/8" -19 | M 16 x 1.5 | 21.9 | 12 | 29.0 | 22 | 19 |
| AVR NW 08 L 1/2 ED VA | L | PN 315 | 10 | G 1/2" -14 | M 16 x 1.5 | 26.9 | 14 | 29.5 | 27 | 19 |
| AVR NW 10 L 1/4 ED VA | L | PN 315 | 12 | G 1/4" -19 | M 18 x 1,5 | 18.9 | 12 | 28.5 | 19 | 22 |
| AVR NW 10 L ED VA | L | PN 315 | 12 | G 3/8" -19 | M 18 x 1,5 | 21.9 | 12 | 30.0 | 22 | 22 |
| AVR NW 10 L 1/2 ED VA | L | PN 315 | 12 | G 1/2" -14 | M 18 x 1,5 | 26.7 | 14 | 30.5 | 27 | 22 |
| AVR NW 13 L 3/8 ED VA | L | PN 315 | 15 | G 3/8" -19 | M 22 x 1.5 | 21.9 | 12 | 30.0 | 22 | 27 |
| AVR NW 13 L ED VA | L | PN 315 | 15 | G 1/2" -14 | M 22 x 1.5 | 26.9 | 14 | 30.5 | 27 | 27 |
| AVR NW 16 L 3/8 ED VA | L | PN 315 | 18 | G 3/8" -19 | M 26 x 1,5 | 21.9 | 12 | 31.0 | 22 | 32 |
| AVR NW 16 L ED VA | L | PN 315 | 18 | G 1/2" -14 | M 26 x 1,5 | 26.9 | 14 | 31.5 | 27 | 32 |
| AVR NW 16 L 3/4 ED VA | L | PN 315 | 18 | G 3/4" -14 | M 26 x 1,5 | 31.9 | 16 | 32.0 | 32 | 32 |
| AVR NW 20 L 3/8 ED VA | L | PN 160 | 22 | G 3/8" -19 | M 30 x 2 | 21.9 | 12 | 31.5 | 27 | 36 |
| AVR NW 20 L 1/2 ED VA | L | PN 160 | 22 | G 1/2" -14 | M 30 x 2 | 26.9 | 14 | 32.0 | 27 | 36 |
| AVR NW 20 L ED VA | L | PN 160 | 22 | G 3/4" -14 | M 30 x 2 | 31.9 | 16 | 32.5 | 32 | 36 |
| AVR NW 25 L ED VA | L | PN 160 | 28 | G 1" -11 | M 36 x 2 | 39.9 | 18 | 35.0 | 41 | 41 |
| AVR NW 32 L ED VA | L | PN 160 | 35 | G 1.1/4" -11 | M 45 x 2 | 49.9 | 20 | 42.5 | 50 | 50 |
| AVR NW 40 L ED VA | L | PN 160 | 42 | G 1.1/2" -11 | M 52 x 2 | 54.9 | 22 | 47.0 | 55 | 60 |
| AVR NW 03 S 1/8 ED VA | S | PN 630 | 6 | G 1/8" -28 | M 14 x 1.5 | 13.9 | 8 | 26.5 | 14 | 17 |
| AVR NW 03 S ED VA | S | PN 630 | 6 | G 1/4" -19 | M 14 x 1.5 | 18.9 | 12 | 27.0 | 19 | 17 |
| AVR NW 04 S ED VA | S | PN 630 | 8 | G 1/4" -19 | M 16 x 1.5 | 18.9 | 12 | 27.0 | 19 | 19 |
| AVR NW 06 S 1/4 ED VA | S | PN 630 | 10 | G 1/4" -19 | M 18 x 1,5 | 18.9 | 12 | 30.0 | 19 | 22 |
| AVR NW 06 S ED VA | S | PN 630 | 10 | G 3/8" -19 | M 18 x 1,5 | 21.9 | 12 | 32.0 | 22 | 22 |
| AVR NW 06 S 1/2 ED VA | S | PN 630 | 10 | G 1/2" -14 | M 18 x 1,5 | 26.9 | 14 | 35.0 | 27 | 22 |
| AVR NW 08 S 1/4 ED VA | S | PN 630 | 12 | G 1/4" -19 | M 20 x 1.5 | 18.9 | 12 | 30.0 | 19 | 24 |
| AVR NW 08 S ED VA | S | PN 630 | 12 | G 3/8" -19 | M 20 x 1.5 | 21.9 | 12 | 32.0 | 22 | 24 |
| AVR NW 08 S 1/2 ED VA | S | PN 630 | 12 | G 1/2" -14 | M 20 x 1.5 | 26.9 | 14 | 35.0 | 27 | 24 |
| AVR NW 10 S 1/4 ED VA | S | PN 630 | 14 | G 1/4" -19 | M 22 x 1.5 | 18.9 | 12 | 31.5 | 19 | 27 |
| AVR NW 10 S ED VA | S | PN 630 | 14 | G 1/2" -14 | M 22 x 1.5 | 26.9 | 14 | 36.5 | 27 | 27 |
| AVR NW 13 S 3/8 ED VA | S | PN 400 | 16 | G 3/8" -19 | M 24 x 1.5 | 21.9 | 12 | 34.0 | 22 | 30 |
| AVR NW 13 S ED VA | S | PN 400 | 16 | G 1/2" -14 | M 24 x 1.5 | 26.9 | 14 | 37.0 | 27 | 30 |
| AVR NW 13 S 3/4 ED VA | S | PN 400 | 16 | G 3/4" -14 | M 24 x 1.5 | 31.9 | 16 | 38.5 | 32 | 30 |
| AVR NW 16 S 1/2 ED VA | S | PN 400 | 20 | G 1/2" -14 | M 30 x 2 | 26.9 | 14 | 41.5 | 27 | 36 |
| AVR NW 16 S ED VA | S | PN 400 | 20 | G 3/4" -14 | M 30 x 2 | 31.9 | 16 | 43.0 | 32 | 36 |
| AVR NW 20 S 3/4 ED VA | S | PN 400 | 25 | G 3/4" -14 | M 36 x 2 | 31.9 | 16 | 46.0 | 32 | 46 |
| AVR NW 20 S ED VA | S | PN 400 | 25 | G 1" -11 | M 36 x 2 | 39.9 | 18 | 48.0 | 41 | 46 |
| AVR NW 25 S ED VA | S | PN 400 | 30 | G 1.1/4" -11 | M 42 x 2 | 49.9 | 20 | 51.0 | 50 | 50 |
| AVR NW 32 S ED VA | S | PN 315 | 38 | G 1.1/2" -11 | M 52 x 2 | 54.9 | 22 | 60.0 | 55 | 60 |
Безналичный расчёт
Предоплата
Новая Почта
Самовывоз
Интайм
Гюнсел