Каталог товаров

Ввертное резьбовое соединение, L-образное - XELOMK

нет в наличии
код: 678825292
1,00 грн. /шт
з 3 отзывов, 100% положительных
Регион: Украина, Киевская обл., Киев
Написать продавцу
Описание товара
Свойства

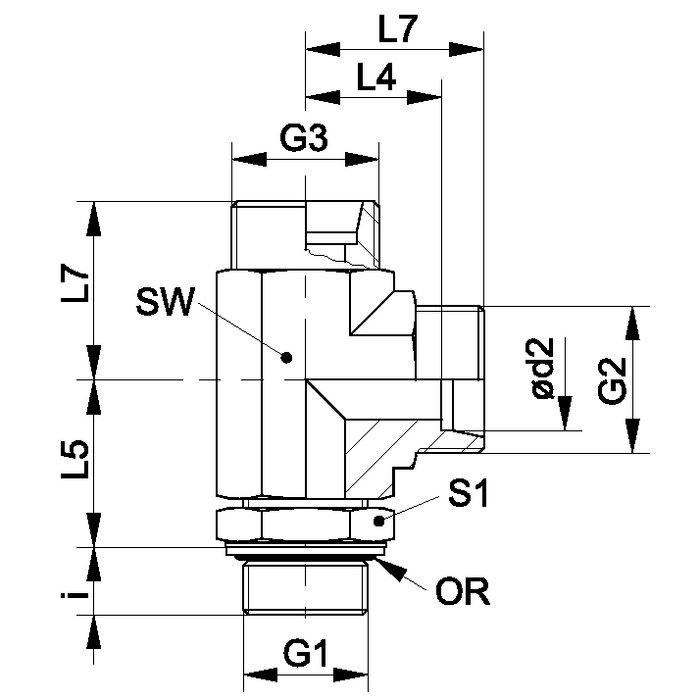
Соединение 1

Метрическая наружная резьба, цилиндрическая

Форма уплотнения 1

Кольцо круглого сечения и камерное кольцо

Соединение 2 + 3

Метрическая наружная резьба, цилиндрическая

Форма уплотнения 2 + 3

Внутренний конус 24°

Модель

Ввертное резьбовое соединение с регулировкой положения

Конструкция

L-образная форма

_____

ISO 8434-1

Комплект поставки

Штуцер (без накидной гайки и режущего кольца)

Материал

Сталь

Защита поверхности

Гальваническое покрытие


Изделие
Наименование Серия Рабочее давление, бар Ø d2
mm
G1 G2 + G3 i
mm
L4
mm
L5
mm
L7
mm
SW
mm
S1 Кольцо круглого сечения
XELOMK NW 04 HL L PN 315 6 M 10 x 1 M 12 x 1,5 7 14 20 21 14 13 8.1 x 1.6
XELOMK NW 06 HL L PN 315 8 M 12 x 1,5 M 14 x 1.5 10 16 22 23 14 17 9.3 x 2.4
XELOMK NW 08 HL L PN 315 10 M 14 x 1.5 M 16 x 1.5 9 17 25 24 19 17 11.3 x 2.4
XELOMK NW 10 HL L PN 315 12 M 16 x 1.5 M 18 x 1,5 9 19 26 26 19 19 13.3 x 2.4
XELOMK NW 13 HL L PN 315 15 M 18 x 1,5 M 22 x 1.5 11 21 30 28 22 22 15.3 x 2.4
XELOMK NW 16 HL L PN 315 18 M 22 x 1.5 M 26 x 1,5 11 24 33 31 27 27 19.3 x 2.4
XELOMK NW 20 HL L PN 160 22 M 26 x 1,5 M 30 x 2 16 28 35 35 30 32 23.3 x 2.4
XELOMK NW 20 HL 27 L PN 160 22 M 27 x 2 M 30 x 2 14 28 35 35 30 36 23.6 x 2.9
XELOMK NW 25 HL L PN 160 28 M 33 x 2 M 36 x 2 14 31 38 38 36 38 29.5 x 3.0
XELOMK NW 32 HL L PN 160 35 M 42 x 2 M 45 x 2 14 38 48 48 50 50 38.0 x 3.0
XELOMK NW 40 HL L PN 160 42 M 48 x 2 M 52 x 2 16 38 49 49 50 55 44.5 x 3.0
XELOMK NW 03 HS S PN 315 6 M 12 x 1,5 M 14 x 1.5 10 15 22 22 14 17 9.3 x 2.4
XELOMK NW 04 HS S PN 315 8 M 14 x 1.5 M 16 x 1.5 10 17 26 24 19 17 11.3 x 2.4
XELOMK NW 06 HS S PN 315 10 M 16 x 1.5 M 18 x 1,5 11 18 27 25 19 19 13.3 x 2.4
XELOMK NW 08 HS S PN 315 12 M 18 x 1,5 M 20 x 1.5 12 22 31 29 22 22 15.3 x 2.4
XELOMK NW 10 HS S PN 315 14 M 20 x 1.5 M 22 x 1.5 14 25 35 33 27 27 17.3 x 2.4
XELOMK NW 13 HS S PN 315 16 M 22 x 1.5 M 24 x 1.5 14 25 35 33 27 27 19.3 x 2.4
XELOMK NW 16 HS S PN 315 20 M 27 x 2 M 30 x 2 16 28 39 38 30 32 23.6 x 2.9
XELOMK NW 20 HS S PN 315 25 M 33 x 2 M 36 x 2 16 30 44 42 36 38 29.5 x 3.0
XELOMK NW 25 HS S PN 250 30 M 42 x 2 M 42 x 2 17 36 51 49 50 50 38.0 x 2.0
XELOMK NW 32 HS S PN 200 38 M 48 x 2 M 52 x 2 19 34 54 50 50 55 44.5 x 3.0
читать дальше свернуть
Отзывы
3 отзывов
100% положительных
Oleg
16 июля 2020г. в 16:36
Крутые ребята! Работают очень оперативно!
Александр
13 июля 2020г. в 12:22
читать дальше свернуть
Варианты оплаты

Безналичный расчёт

Предоплата

Варианты доставки

Новая Почта

Самовывоз

Интайм

Гюнсел

читать дальше свернуть
Покупатели этого товара также интересовались

Вы просматривали

Сейчас ищут

Спецрахунок НБУ
Фонд "Повернись живим"
Фонд Сергія Притули
Пока не зарегистрированы?
Регистрация
Уже зарегистрированы? Войти
Уже зарегистрированы? Войти