Каталог товаров

Ввертное резьбовое соединение, T-образное - XETORK

нет в наличии
код: 678824781
1,00 грн. /шт
з 3 отзывов, 100% положительных
Регион: Украина, Киевская обл., Киев
Написать продавцу
Описание товара
Свойства

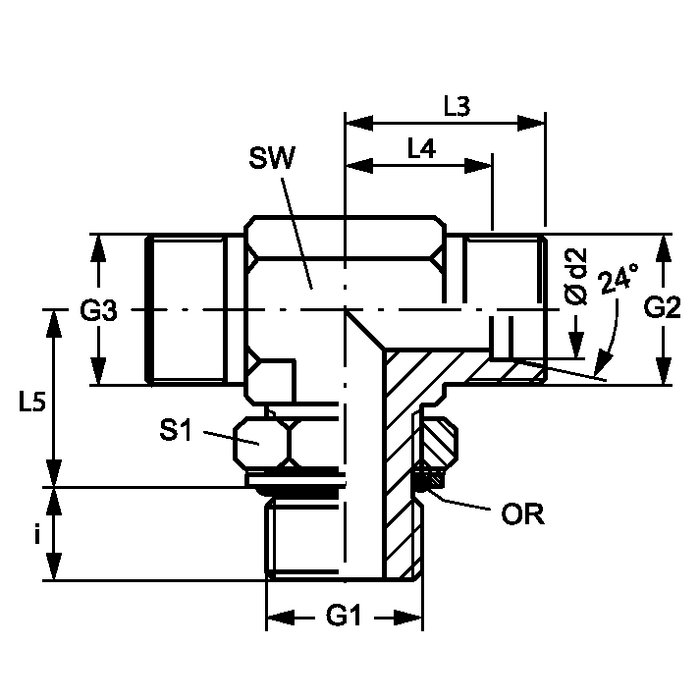
Соединение 1

Наружная резьба BSP, цилиндрическая

Форма уплотнения 1

Кольцо круглого сечения и камерное кольцо

Соединение 2 + 3

Метрическая наружная резьба, цилиндрическая

Форма уплотнения 2 + 3

Внутренний конус 24°

Модель

Ввертное резьбовое соединение с регулировкой положения

Конструкция

T-образная форма

_____

ISO 8434-1

Комплект поставки

Штуцер (без накидной гайки и режущего кольца)

Материал

Сталь

Защита поверхности

Гальваническое покрытие


Изделие
Наименование Серия Рабочее давление, бар Ø d2
mm
G1 G2 + G3 i
mm
L3
mm
L4
mm
L5
mm
SW
mm
S1 Кольцо круглого сечения
XETORK NW 04 HL L PN 315 6 G 1/8" -28 M 12 x 1,5 7 21 14 19 14 14 8.00 x 1.50
XETORK NW 06 HL L PN 315 8 G 1/4" -19 M 14 x 1.5 9 23 16 23 14 19 10.77 x 2.62
XETORK NW 08 HL L PN 315 10 G 1/4" -19 M 16 x 1.5 9 24 17 25 19 19 10.77 x 2.62
XETORK NW 10 HL L PN 250 12 G 3/8" -19 M 18 x 1,5 9 26 19 28 19 22 13.94 x 2.62
XETORK NW 13 HL L PN 250 15 G 1/2" -14 M 22 x 1.5 13 28 21 30 22 27 17.86 x 2.62
XETORK NW 16 HL L PN 250 18 G 1/2" -14 M 26 x 1,5 13 31 24 36 27 27 17.86 x 2.62
XETORK NW 20 HL L PN 160 22 G 3/4" -14 M 30 x 2 13 35 28 36 30 36 23.47 x 2.62
XETORK NW 25 HL L PN 160 28 G 1" -11 M 36 x 2 15 38 31 44 36 41 29.50 x 3.53
XETORK NW 32 HL L PN 160 35 G 1.1/4" -11 M 45 x 2 15 48 38 50 50 50 37.69 x 3.53
XETORK NW 40 HL L PN 160 42 G 1.1/2" -11 M 52 x 2 15 49 38 52 50 50 44.04 x 3.53
XETORK NW 03 HS S PN 315 6 G 1/4" -19 M 14 x 1.5 9 22 15 23 14 19 10.77 x 2.62
XETORK NW 04 HS S PN 315 8 G 1/4" -19 M 16 x 1.5 9 24 17 27 19 19 10.77 x 2.62
XETORK NW 06 HS S PN 250 10 G 3/8" -19 M 18 x 1,5 9 25 18 29 19 22 13.94 x 2.62
XETORK NW 08 HS S PN 250 12 G 3/8" -19 M 20 x 1.5 9 29 22 29 22 22 13.94 x 2.62
XETORK NW 10 HS S PN 250 14 G 1/2" -14 M 22 x 1.5 13 33 25 36 27 27 17.86 x 2.62
XETORK NW 13 HS S PN 250 16 G 1/2" -14 M 24 x 1.5 13 33 25 36 27 27 17.86 x 2.62
XETORK NW 16 HS S PN 250 20 G 3/4" -14 M 30 x 2 12 38 28 39 30 36 23.47 x 2.62
XETORK NW 20 HS S PN 250 25 G 1" -11 M 36 x 2 14 42 30 44 36 41 29.74 x 3.53
XETORK NW 25 HS S PN 160 30 G 1.1/4" -11 M 42 x 2 15 49 36 49 50 50 37.69 x 3.53
XETORK NW 32 HS S PN 160 38 G 1.1/2" -11 M 52 x 2 15 50 34 55 50 55 44.04 x 3.53
читать дальше свернуть
Отзывы
3 отзывов
100% положительных
Oleg
16 июля 2020г. в 16:36
Крутые ребята! Работают очень оперативно!
Александр
13 июля 2020г. в 12:22
читать дальше свернуть
Варианты оплаты

Безналичный расчёт

Предоплата

Варианты доставки

Новая Почта

Самовывоз

Интайм

Гюнсел

читать дальше свернуть
Покупатели этого товара также интересовались

Вы просматривали

Сейчас ищут

Спецрахунок НБУ
Фонд "Повернись живим"
Фонд Сергія Притули
Пока не зарегистрированы?
Регистрация
Уже зарегистрированы? Войти
Уже зарегистрированы? Войти