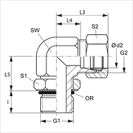
| Соединение 1 | Метрическая наружная резьба, цилиндрическая |
| Форма уплотнения 1 | Форма F |
| Соединение 2 | Метрическая наружная резьба, цилиндрическая |
| Форма уплотнения 2 | Внутренний конус 24° |
| Модель | Ввертное резьбовое соединение с регулировкой положения |
| Конструкция | Угол 90° |
| Комплект поставки | Штуцер с накидной гайкой и режущим кольцом |
| Материал | Сталь |
| Защита поверхности | Гальваническое покрытие |
Сортировать с восходящем порядке
Сортировать с нисходящем порядке
| Серия | Рабочее давление, бар | G1 | G2 | S1 | S2 | Кольцо круглого сечения | |||||||
|---|---|---|---|---|---|---|---|---|---|---|---|---|---|
| EWOM 04 LL | LL | PN 100 | 4 | M 8 x 1 | M 8 x 1 | 7,1 | 21 | 11,3 | 19,8 | 12 | 12 | 10 | 6,1 x 1,6 |
| EWOM 04 LL 10 | LL | PN 100 | 4 | M 10 x 1 | M 8 x 1 | 7,1 | 21 | 11,3 | 19,8 | 11 | 14 | 10 | 8,0 x 1,5 |
| EWOM 06 LL | LL | PN 100 | 6 | M 10 x 1 | M 10 x 1 | 7,1 | 22 | 9,8 | 19,8 | 14 | 14 | 12 | 8,0 x 1,5 |
| EWOM 06 LL 12-1.5 | LL | PN 100 | 6 | M 12 x 1,5 | M 10 x 1 | 9,6 | 25 | 12,8 | 23,2 | 14 | 17 | 12 | 9,3 x 2,4 |
| EWOM NW 04 HL | L | PN 250 | 6 | M 10 x 1 | M 12 x 1,5 | 8,0 | 27 | 12,0 | 22,0 | 12 | 14 | 14 | 8,0 x 1,5 |
| EWOM NW 06 HL | L | PN 250 | 8 | M 12 x 1,5 | M 14 x 1,5 | 12,0 | 29 | 14,0 | 27,0 | 12 | 17 | 17 | 9,3 x 2,4 |
| EWOM NW 08 HL | L | PN 250 | 10 | M 14 x 1,5 | M 16 x 1,5 | 12,0 | 30 | 15,0 | 28,0 | 14 | 19 | 19 | 11,3 x 2,4 |
| EWOM NW 10 HL | L | PN 250 | 12 | M 16 x 1,5 | M 18 x 1,5 | 12,0 | 32 | 17,0 | 29,0 | 17 | 22 | 22 | 13,3 x 2,4 |
| EWOM NW 13 HL | L | PN 250 | 15 | M 18 x 1,5 | M 22 x 1,5 | 12,0 | 37 | 21,0 | 36,0 | 19 | 24 | 27 | 15,3 x 2,4 |
| EWOM NW 16 HL | L | PN 160 | 18 | M 22 x 1,5 | M 26 x 1,5 | 14,0 | 40 | 23,5 | 37,0 | 24 | 27 | 32 | 19,3 x 2,4 |
| EWOM NW 20 HL | L | PN 160 | 22 | M 26 x 1,5 | M 30 x 2 | 16,0 | 44 | 27,5 | 43,0 | 27 | 32 | 36 | 23,3 x 2,4 |
| EWOM NW 20 HL 27 | L | PN 160 | 22 | M 27 x 2 | M 30 x 2 | 14,0 | 44 | 28,0 | 35,0 | 30 | 32 | 36 | 23,6 x 2,9 |
| EWOM NW 25 HL | L | PN 100 | 28 | M 33 x 2 | M 36 x 2 | 18,0 | 47 | 30,5 | 42,0 | 36 | 41 | 41 | 29,5 x 3,0 |
| EWOM NW 32 HL | L | PN 100 | 35 | M 42 x 2 | M 45 x 2 | 20,0 | 56 | 34,5 | 50,0 | 41 | 50 | 50 | 38,0 x 3,0 |
| EWOM NW 40 HL | L | PN 100 | 42 | M 48 x 2 | M 52 x 2 | 22,0 | 62 | 39,0 | 56,0 | 50 | 55 | 60 | 44,5 x 3,0 |
| EWOM NW 03 HS | S | PN 630 | 6 | M 12 x 1,5 | M 14 x 1,5 | 12,0 | 31 | 16,0 | 26,0 | 12 | 17 | 17 | 9,3 x 2,4 |
| EWOM NW 04 HS | S | PN 630 | 8 | M 14 x 1,5 | M 16 x 1,5 | 12,0 | 32 | 17,0 | 27,0 | 14 | 19 | 19 | 11,3 x 2,4 |
| EWOM NW 06 HS | S | PN 630 | 10 | M 16 x 1,5 | M 18 x 1,5 | 12,0 | 34 | 17,5 | 29,0 | 17 | 22 | 22 | 13,3 x 2,4 |
| EWOM NW 08 HS | S | PN 630 | 12 | M 18 x 1,5 | M 20 x 1,5 | 12,0 | 38 | 21,5 | 32,0 | 19 | 24 | 24 | 15,3 x 2,4 |
| EWOM NW 10 HS | S | PN 630 | 14 | M 20 x 1,5 | M 22 x 1,5 | 14,0 | 40 | 22,0 | 34,0 | 19 | 27 | 27 | 17,3 x 2,4 |
| EWOM NW 13 HS | S | PN 400 | 16 | M 22 x 1,5 | M 24 x 1,5 | 14,0 | 43 | 24,5 | 37,0 | 24 | 27 | 30 | 19,3 x 2,4 |
| EWOM NW 16 HS | S | PN 400 | 20 | M 27 x 2 | M 30 x 2 | 16,0 | 47 | 26,5 | 39,0 | 27 | 32 | 36 | 23,5 x 3,0 |
| EWOM NW 20 HS | S | PN 400 | 25 | M 33 x 2 | M 36 x 2 | 18,0 | 54 | 30,0 | 45,0 | 36 | 41 | 46 | 29,5 x 3,0 |
| EWOM NW 25 HS | S | PN 250 | 30 | M 42 x 2 | M 42 x 2 | 20,0 | 62 | 35,5 | 50,0 | 41 | 50 | 50 | 38,0 x 3,0 |
| EWOM NW 32 HS | S | PN 250 | 38 | M 48 x 2 | M 52 x 2 | 22,0 | 72 | 41,0 | 56,0 | 50 | 55 | 60 | 44,5 x 3,0 |
Безналичный расчёт
Предоплата
Новая Почта
Самовывоз
Интайм
Гюнсел