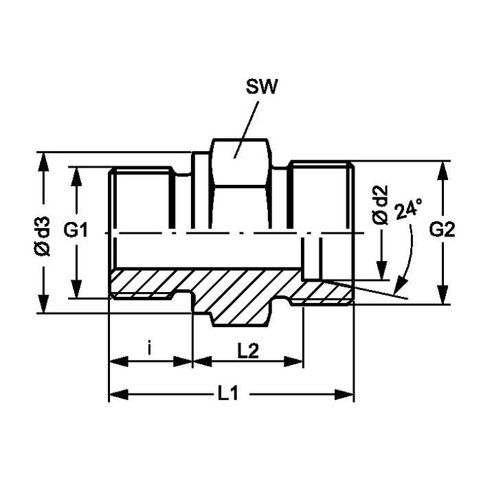
Соединение 1
Метрическая наружная резьба, цилиндрическая
Форма уплотнения 1
Форма B
Соединение 2
Метрическая наружная резьба, цилиндрическая
Форма уплотнения 2
Внутренний конус 24°
Модель
Ввертное резьбовое соединение
Конструкция
прямые
_____
DIN 3901
Комплект поставки
Штуцер (без накидной гайки и режущего кольца)
Материал
нержавеющая сталь
| Наименование | Серия | Рабочее давление, бар | Ø d2 mm |
G1 | G2 | Ø d3 mm |
i mm |
L1 mm |
L2 mm |
SW mm |
|---|---|---|---|---|---|---|---|---|---|---|
| XVM NW 04 HL VA | L | PN 315 | 6 | M 10 x 1 | M 12 x 1,5 | 14 | 8 | 23.5 | 8.5 | 14 |
| XVM NW 04 HL 12 VA | L | PN 315 | 6 | M 12 x 1,5 | M 12 x 1,5 | 17 | 12 | 28.0 | 9.0 | 17 |
| XVM NW 04 HL 14 VA | L | PN 315 | 6 | M 14 x 1.5 | M 12 x 1,5 | 19 | 12 | 28.0 | 9.0 | 19 |
| XVM NW 06 HL VA | L | PN 315 | 8 | M 12 x 1,5 | M 14 x 1.5 | 17 | 12 | 29.0 | 10.0 | 17 |
| XVM NW 06 HL 10 VA | L | PN 315 | 8 | M 10 x 1 | M 14 x 1.5 | 14 | 8 | 24.5 | 6.5 | 17 |
| XVM NW 06 HL 14 VA | L | PN 315 | 8 | M 14 x 1.5 | M 14 x 1.5 | 19 | 12 | 29.0 | 10.0 | 19 |
| XVM NW 06 HL 16 VA | L | PN 315 | 8 | M 16 x 1.5 | M 14 x 1.5 | 21 | 12 | 29.0 | 10.0 | 22 |
| XVM NW 06 HL 18 VA | L | PN 315 | 8 | M 18 x 1,5 | M 14 x 1.5 | 23 | 12 | 29.5 | 9.5 | 24 |
| XVM NW 08 HL VA | L | PN 315 | 10 | M 14 x 1.5 | M 16 x 1.5 | 19 | 12 | 30.0 | 11.0 | 19 |
| XVM NW 08 HL 10 VA | L | PN 315 | 10 | M 10 x 1 | M 16 x 1.5 | 14 | 8 | 25.5 | 10.5 | 17 |
| XVM NW 08 HL 12 VA | L | PN 315 | 10 | M 12 x 1,5 | M 16 x 1.5 | 17 | 12 | 30.0 | 11.0 | 17 |
| XVM NW 08 HL 16 VA | L | PN 315 | 10 | M 16 x 1.5 | M 16 x 1.5 | 21 | 12 | 30.0 | 11.0 | 22 |
| XVM NW 08 HL 18 VA | L | PN 315 | 10 | M 18 x 1,5 | M 16 x 1.5 | 23 | 12 | 30.5 | 11.5 | 24 |
| XVM NW 08 HL 22 VA | L | PN 315 | 10 | M 22 x 1.5 | M 16 x 1.5 | 27 | 14 | 33.0 | 12.0 | 27 |
| XVM NW 10 HL VA | L | PN 315 | 12 | M 16 x 1.5 | M 18 x 1,5 | 21 | 12 | 31.5 | 12.5 | 22 |
| XVM NW 10 HL 12 VA | L | PN 315 | 12 | M 12 x 1,5 | M 18 x 1,5 | 17 | 12 | 31.5 | 22.5 | 19 |
| XVM NW 10 HL 14 VA | L | PN 315 | 12 | M 14 x 1.5 | M 18 x 1,5 | 19 | 12 | 31.5 | 12.5 | 22 |
| XVM NW 10 HL 18 VA | L | PN 315 | 12 | M 18 x 1,5 | M 18 x 1,5 | 23 | 12 | 32.0 | 13.0 | 24 |
| XVM NW 10 HL 22 VA | L | PN 315 | 12 | M 22 x 1.5 | M 18 x 1,5 | 27 | 14 | 34.5 | 13.5 | 27 |
| XVM NW 13 HL VA | L | PN 315 | 15 | M 18 x 1,5 | M 22 x 1.5 | 23 | 12 | 32.5 | 13.5 | 24 |
| XVM NW 13 HL 16 VA | L | PN 315 | 15 | M 16 x 1.5 | M 22 x 1.5 | 21 | 12 | 32.0 | 13.0 | 24 |
| XVM NW 13 HL 22 VA | L | PN 315 | 15 | M 22 x 1.5 | M 22 x 1.5 | 27 | 14 | 36.0 | 14.0 | 27 |
| XVM NW 16 HL VA | L | PN 315 | 18 | M 22 x 1.5 | M 26 x 1,5 | 27 | 14 | 36.0 | 14.5 | 27 |
| XVM NW 16 HL 18 VA | L | PN 315 | 18 | M 18 x 1,5 | M 26 x 1,5 | 23 | 12 | 33.5 | 14.0 | 27 |
| XVM NW 16 HL 26 VA | L | PN 315 | 18 | M 26 x 1,5 | M 26 x 1,5 | 31 | 16 | 38.0 | 14.5 | 32 |
| XVM NW 20 HL VA | L | PN 160 | 22 | M 26 x 1,5 | M 30 x 2 | 31 | 16 | 40.0 | 16.5 | 32 |
| XVM NW 25 HL VA | L | PN 160 | 28 | M 33 x 2 | M 36 x 2 | 39 | 18 | 43.0 | 17.5 | 41 |
| XVM NW 32 HL VA | L | PN 160 | 35 | M 42 x 2 | M 45 x 2 | 49 | 20 | 48.0 | 17.5 | 50 |
| XVM NW 40 HL VA | L | PN 160 | 42 | M 48 x 2 | M 52 x 2 | 55 | 22 | 52.0 | 19.0 | 55 |
| XVM NW 03 HS VA | S | PN 400 | 6 | M 12 x 1,5 | M 14 x 1.5 | 17 | 12 | 32.0 | 13.0 | 17 |
| XVM NW 03 HS 14 VA | S | PN 400 | 6 | M 14 x 1.5 | M 14 x 1.5 | 19 | 12 | 32.0 | 13.0 | 19 |
| XVM NW 03 HS 16 VA | S | PN 400 | 6 | M 16 x 1.5 | M 14 x 1.5 | 21 | 12 | 32.0 | 13.0 | 22 |
| XVM NW 04 HS VA | S | PN 400 | 8 | M 14 x 1.5 | M 16 x 1.5 | 19 | 12 | 34.0 | 15.0 | 19 |
| XVM NW 06 HS VA | S | PN 400 | 10 | M 16 x 1.5 | M 18 x 1,5 | 21 | 12 | 34.5 | 15.0 | 22 |
| XVM NW 08 HS VA | S | PN 400 | 12 | M 18 x 1,5 | M 20 x 1.5 | 23 | 12 | 36.5 | 17.0 | 24 |
| XVM NW 08 HS 14 VA | S | PN 400 | 12 | M 14 x 1.5 | M 20 x 1.5 | 19 | 12 | 36.0 | 16.5 | 22 |
| XVM NW 10 HS VA | S | PN 400 | 14 | M 20 x 1.5 | M 22 x 1.5 | 25 | 14 | 41.0 | 19.0 | 27 |
| XVM NW 13 HS VA | S | PN 400 | 16 | M 22 x 1.5 | M 24 x 1.5 | 27 | 14 | 41.0 | 18.5 | 27 |
| XVM NW 13 HS 18 VA | S | PN 400 | 16 | M 18 x 1,5 | M 24 x 1.5 | 23 | 12 | 38.5 | 18.0 | 27 |
| XVM NW 16 HS VA | S | PN 400 | 20 | M 27 x 2 | M 30 x 2 | 32 | 16 | 47.0 | 20.5 | 32 |
| XVM NW 20 HS VA | S | PN 250 | 25 | M 33 x 2 | M 36 x 2 | 39 | 18 | 53.0 | 23.0 | 41 |
| XVM NW 25 HS VA | S | PN 160 | 30 | M 42 x 2 | M 42 x 2 | 49 | 20 | 57.0 | 23.5 | 50 |
| XVM NW 32 HS VA | S | PN 160 | 38 | M 48 x 2 | M 52 x 2 | 55 | 22 | 64.0 | 26.0 | 55 |
Безналичный расчёт
Предоплата
Новая Почта
Самовывоз
Интайм
Гюнсел