Соединение 1
Наружная резьба BSP, цилиндрическая
Форма уплотнения 1
Форма E
Форма уплотнения 2
Внутренний конус 24°
Модель
Откидное резьбовое соединение бездроссельное
Соединение 2
Метрическая наружная резьба, цилиндрическая
Конструкция
Угол 90°
_____
DIN 2353
ISO 8434-1
Комплект поставки
Штуцер (без накидной гайки и режущего кольца)
Материал
Сталь
Защита поверхности
Гальваническое покрытие
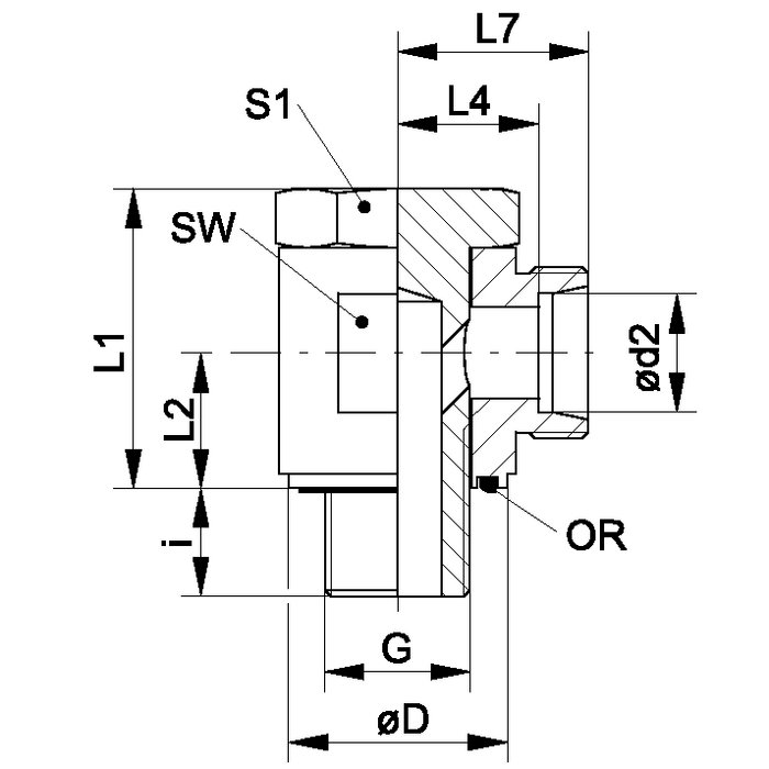
| Наименование | Серия | Рабочее давление, бар | Ø d2 mm |
G | Ø D mm |
i mm |
L1 mm |
L2 mm |
L4 mm |
L7 mm |
SW mm |
S1 | Кольцо круглого сечения |
|---|---|---|---|---|---|---|---|---|---|---|---|---|---|
| XSDOR 04 LL | LL | PN 100 | 4 | G 1/8" -28 | 14.5 | 8.0 | 23.5 | 10.5 | 14.0 | 18.0 | 17 | 17 | 7.65 x 1.78 |
| XSDOR 06 LL | LL | PN 100 | 6 | G 1/8" -28 | 14.5 | 8.0 | 23.5 | 10.5 | 13.5 | 19.0 | 17 | 17 | 7.65 x 1.78 |
| XSDOR 08 LL | LL | PN 100 | 8 | G 1/8" -28 | 14.5 | 8.0 | 23.5 | 10.5 | 13.5 | 19.0 | 17 | 17 | 7.65 x 1.78 |
| XSDOR NW 04 HL | L | PN 315 | 6 | G 1/8" -28 | 14.0 | 8.0 | 24.0 | 10.5 | 12.0 | 19.0 | 17 | 17 | 7.65 x 1.78 |
| XSDOR NW 06 HL | L | PN 315 | 8 | G 1/4" -19 | 18.0 | 12.0 | 30.0 | 14.0 | 14.5 | 21.5 | 22 | 19 | 11.10 x 1.78 |
| XSDOR NW 08 HL | L | PN 315 | 10 | G 1/4" -19 | 18.0 | 12.0 | 30.0 | 14.0 | 15.5 | 22.5 | 22 | 19 | 11.10 x 1.78 |
| XSDOR NW 10 HL 1/4 | L | PN 315 | 12 | G 1/4" -19 | 19.0 | 12.0 | 34.0 | 16.5 | 18.0 | 25.0 | 27 | 19 | 11.10 x 1.78 |
| XSDOR NW 10 HL | L | PN 315 | 12 | G 3/8" -19 | 22.0 | 12.0 | 36.0 | 16.5 | 18.0 | 25.0 | 27 | 24 | 14.00 x 1.78 |
| XSDOR NW 10 HL 1/2 | L | PN 315 | 12 | G 1/2" -14 | 27.0 | 14.0 | 46.0 | 21.5 | 20.5 | 27.5 | 32 | 27 | 18.77 x 1.78 |
| XSDOR NW 13 HL | L | PN 315 | 15 | G 1/2" -14 | 26.0 | 12.0 | 45.0 | 21.5 | 21.5 | 28.5 | 32 | 30 | 18.77 x 1.78 |
| XSDOR NW 16 HL | L | PN 315 | 18 | G 1/2" -14 | 26.0 | 14.0 | 45.0 | 21.5 | 21.0 | 28.5 | 32 | 30 | 18.77 x 1.78 |
| XSDOR NW 20 HL | L | PN 160 | 22 | G 3/4" -14 | 32.0 | 16.0 | 53.0 | 24.0 | 27.5 | 35.0 | 41 | 36 | 23.81 x 2.62 |
| XSDOR NW 25 HL | L | PN 160 | 28 | G 1" -11 | 39.0 | 18.0 | 66.0 | 30.5 | 32.0 | 39.5 | 50 | 46 | 29.82 x 2.62 |
| XSDOR NW 32 HL | L | PN 160 | 35 | G 1.1/4" -11 | 49.0 | 20.0 | 76.0 | 35.5 | 36.0 | 46.5 | 60 | 55 | 37.77 x 2.62 |
| XSDOR NW 40 HL | L | PN 160 | 42 | G 1.1/2" -11 | 55.0 | 22.0 | 87.0 | 40.5 | 40.5 | 51.5 | 70 | 60 | 41.28 x 3.53 |
| XSDOR NW 03 HS | S | PN 400 | 6 | G 1/4" -19 | 18.0 | 12.0 | 30.0 | 14.0 | 16.5 | 23.5 | 22 | 19 | 11.10 x 1.78 |
| XSDOR NW 04 HS | S | PN 400 | 8 | G 1/4" -19 | 18.0 | 12.0 | 30.0 | 14.0 | 16.5 | 23.5 | 22 | 19 | 11.10 x 1.78 |
| XSDOR NW 06 HS | S | PN 400 | 10 | G 3/8" -19 | 22.0 | 12.0 | 36.0 | 16.5 | 18.5 | 26.0 | 27 | 24 | 14.00 x 1.78 |
| XSDOR NW 08 HS | S | PN 400 | 12 | G 3/8" -19 | 22.0 | 12.0 | 36.0 | 16.5 | 18.5 | 26.0 | 27 | 24 | 14.00 x 1.78 |
| XSDOR NW 10 HS | S | PN 400 | 14 | G 1/2" -14 | 26.0 | 14.0 | 45.0 | 21.5 | 22.5 | 30.5 | 32 | 30 | 18.77 x 1.78 |
| XSDOR NW 13 HS | S | PN 315 | 16 | G 1/2" -14 | 26.0 | 14.0 | 45.0 | 21.5 | 22.0 | 30.5 | 32 | 30 | 18.77 x 1.78 |
| XSDOR NW 16 HS | S | PN 315 | 20 | G 3/4" -14 | 32.0 | 16.0 | 53.0 | 24.0 | 26.5 | 37.0 | 41 | 36 | 23.81 x 2.62 |
| XSDOR NW 20 HS | S | PN 250 | 25 | G 1" -11 | 39.0 | 18.0 | 66.0 | 30.5 | 31.5 | 43.5 | 50 | 46 | 29.82 x 2.62 |
| XSDOR NW 25 HS | S | PN 160 | 30 | G 1.1/4" -11 | 49.0 | 20.0 | 76.0 | 35.5 | 37.0 | 50.5 | 60 | 55 | 37.77 x 2.62 |
| XSDOR NW 32 HS | S | PN 160 | 38 | G 1.1/2" -11 | 55.0 | 22.0 | 87.0 | 40.5 | 41.5 | 57.5 | 70 | 60 | 41.28 x 3.53 |
Безналичный расчёт
Предоплата
Новая Почта
Самовывоз
Интайм
Гюнсел