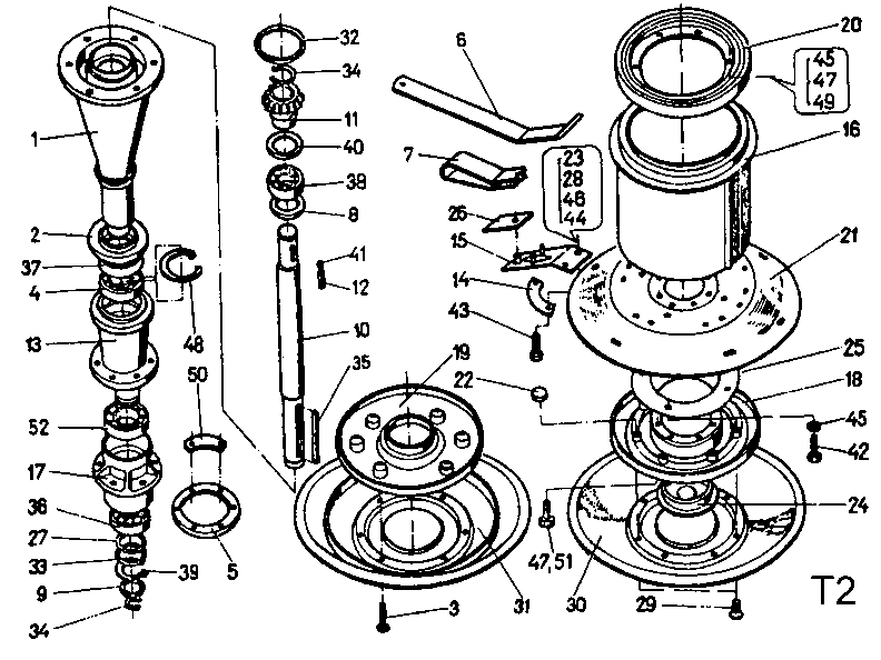
Кільце ущільнювальне 70х3,5 мм встановлюється в конусі ротора для кращої герметизації.
Виробник Wirax Польща
Відправляємо по Україні
ПОЗИЦІЯ 32

Наложенный платеж
Предоплата
Новая Почта(отделение)
Новая Почта(курьер)