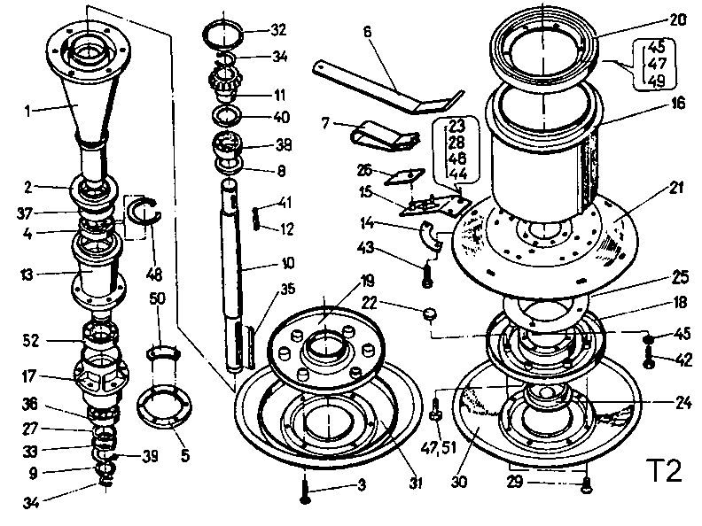
Маточина робочої тарілки середня 8245-036-010-790 застосовується на роторної косарці Wirax.
Встановлюється на конус ротора косарки.
Виробництво Україна.
ПОЗИЦІЯ 13

Наложенный платеж
Предоплата
Новая Почта(отделение)
Новая Почта(курьер)