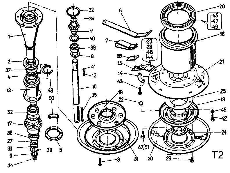
Втулка барабана 8245-036-010-747 (конус ротора) входить до складу ріжучого апарату роторної косарки Z-169, Z-173.
У конус ротора встановлюється вертикальний вал і підшипники.
Виробник Wirax Польща
Відправляємо по Україні
ПОЗИЦІЯ 1

Наложенный платеж
Предоплата
Новая Почта(отделение)
Новая Почта(курьер)