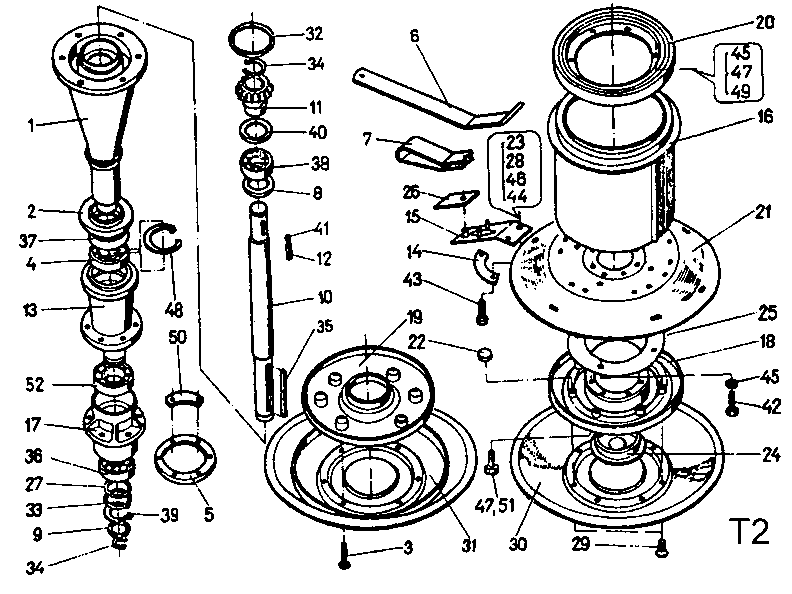
Маточина ступиця ковзної тарілки нижня косарки Z-169 Wirax
Отворів - 6
Виробник Польща
Відправляємо по Україні
ПОЗИЦІЯ 17

Наложенный платеж
Предоплата
Новая Почта(отделение)
Новая Почта(курьер)